稳压二极管是电子电路中常用的一种二极管,是一种用于稳定电压,且工作在反向击穿状态下的二极管。稳压二极管的正向特性和普通二极管差不多。其反向特性是在反向电压低于反向击穿电压时,反向电阻很大,反向漏电流极小。
但是,当反向电压临近反向电压的临界值时,反向电流骤然增大,称为击穿,在这一临界击穿点上,反向电阻骤然降至很小值。
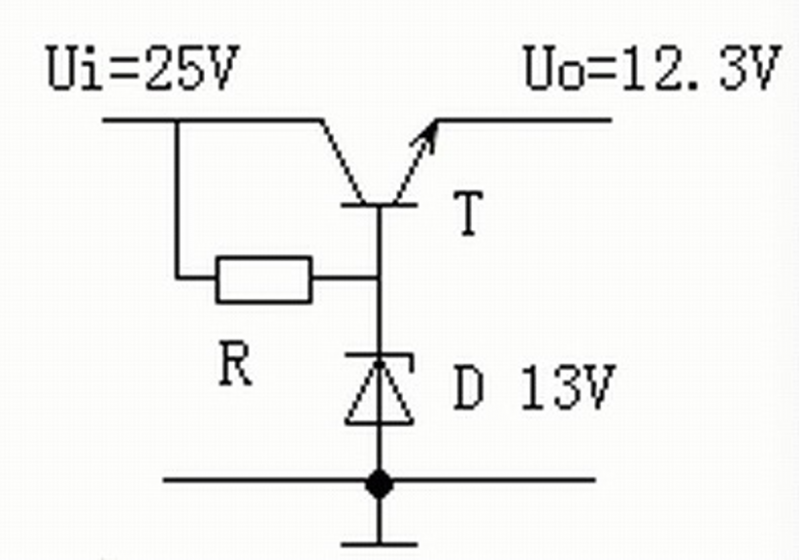
1、典型的串联型稳压电路
在此电路中,三极管 T 的基极被稳压二极管 D 稳定在 13V,那么其发射极就输出恒定的 13-0.7=12.3V 电压了,在一定范围内,无论输入电压升高还是降低,无论负载电阻大小变化,输出电压都保持不变。这个电路在很多场合下都有应用。7805 就是一种串联型集成稳压电路,可以输出 5V 的电压。7805-7824 可以输出 5-24V 电压。在很多电器上都有应用。

2、电视机里的过压?;さ缏?/div>
115V 是电视机主供电电压,当电源输出电压过高时,D 导通,三极管 T 导通,其集电极电位将由原来的高电平(5V)变为低电平,通过待机控制线的电压使电视机进入待机?;ぷ刺?/div>

3、电弧抑制电路
在电感线圈上并联接入一只合适的稳压二极管(也可接入一只普通二极管原理一样)的话,当线圈在导通状态切断时,由于其电磁能释放所产生的高压就被二极管所吸收,所以当开关断开时,开关的电弧也就被消除了。这个应用电路在工业上用得比较多,如一些较大功率的电磁吸控制电路就用到它。

4、浪涌?;さ缏?/div>
稳压管在准确的电压下击穿,这就使得它可作为限制或?;ぶ词褂茫蛭髦值缪沟奈妊苟芏伎梢缘玫?,故对于这种应用特别适宜。图中的稳压二极管 D 是作为过压?;て骷?。只要电源电压 VS 超过二极管的稳压值 D 就导通,使继电器 J 吸合负载 RL 就与电源分开。

正反向串联的作用
如果是两个稳压二极管反向串联,正、反方向电压到达稳压值时,电压被钳位(即不能再升高)。
1、经常在功率较大的放大电路,功率管的栅极 G 与源极 S 即发射结一个稳压二极管,这是通过限制电压对 G-S 起?;ぷ饔?,防止 G-S 之间的绝缘层被过高的电压击穿。
2、两个二极管反向串联后对与之并联的电路可起过压?;ぷ饔?,当电路过压时,二极管首先击穿短路。
烜芯微专业制造二极管,三极管,MOS管,桥堆等20年,工厂直销省20%,4000家电路电器生产企业选用,专业的工程师帮您稳定好每一批产品,如果您有遇到什么需要帮助解决的,可以点击右边的工程师,或者点击销售经理给您精准的报价以及产品介绍
烜芯微专业制造二极管,三极管,MOS管,桥堆等20年,工厂直销省20%,4000家电路电器生产企业选用,专业的工程师帮您稳定好每一批产品,如果您有遇到什么需要帮助解决的,可以点击右边的工程师,或者点击销售经理给您精准的报价以及产品介绍
- 上一篇:高压二极管的作用介绍
- 下一篇:快恢复二极管能当做整流用吗
相关阅读
最新资讯
- 怎么用TVS二极管提高电路的抗突波能力
- PIN二极管的电导调制机制和应用介绍
- 基于双MOS管的防反灌电路工作原理介绍
- 高效率整流二极管的特性和应用介绍
- 详解稳压二极管的关键特性和应用原理
- MOS管选型关键因素分析,怎么选择合适的参数
- 三相整流电路分析,半波整流与全波整流的工作原理
- IGBT三相全桥整流电路工作原理介绍
- 详解快恢复二极管,结构,特性和应用介绍
- 三极管和MOS管组合式开关电路分析
联系烜芯微
咨询热线:
18923864027
传真:
18923864027
QQ:
709211280
地址:
深圳市福田区振中路84号爱华科研楼7层