电路中加上拉电阻或下拉电阻的目的是确定某个状态电路中的高电平或低电平。下面举几个例子进行讲解:
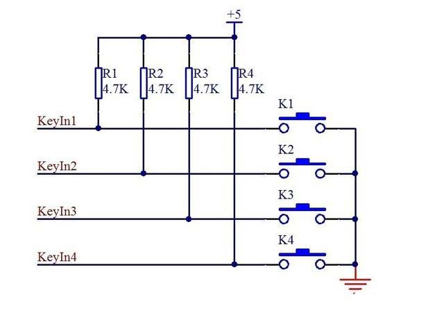
按键检测中的上拉电阻


增加上拉电阻的目的是使当按键断开时,KeyIn1处于高电平状态,若无上拉,悬空,状态无法确定。断开为1,闭合为0,数字逻辑关系明确。
比较器输出加上拉电阻


当比较器反相输入端电压>同相输入端电压时,比较器输出低电平(地),没问题;
当比较器反相输入端电压<同相输入端电压时,若无上拉电阻,比较器是不会输出高电平的,而是相当于悬空状态的导线,只有增加上拉电阻才会输出高电平。
三极管、MOS管等控制端上拉或下拉


三极管和MOS管当开关使用时,控制端加上拉或下拉电阻的目的是当没有输入信号时,使控制极处于稳定电平状态,确保三极管或MOS管截止。
还有处理器IO口、光耦输出、某些反相器等增加上拉或下拉电阻的目的也是一样的,为了确定电平状态。
烜芯微专业制造二极管,三极管,MOS管,桥堆等,20年,工厂直销省20%,1500家电路电器生产企业选用,专业的工程师帮您稳定好每一批产品,如果您有遇到什么需要帮助解决的,可以直接联系上方的联系号码或加QQ,由我们的销售经理给您精准的报价以及产品介绍
烜芯微专业制造二极管,三极管,MOS管,桥堆等,20年,工厂直销省20%,1500家电路电器生产企业选用,专业的工程师帮您稳定好每一批产品,如果您有遇到什么需要帮助解决的,可以直接联系上方的联系号码或加QQ,由我们的销售经理给您精准的报价以及产品介绍