1. MOS管开关电路
学习过模拟电路的人都知道三极管是流控流器件,也就是由基极电流控制集电极与发射极之间的电流;而MOS管是压控流器件,也就是由栅极上所加的电压控制漏极与源极之间电流。
MOSFET管是FET的一种,可以被制造为增强型或者耗尽型,P沟道或N沟道共四种类型,但实际应用的只有增强型的N沟道MOS管和增强型的P沟道MOS管。实际应用中,NMOS居多。


图1 左边是N沟道的MOS管,右边是P沟道的MOS管
**寄生二极管的方向如何判断呢?**它的判断规则就是对于N沟道,由S极指向D极;对于P沟道,由D极指向S极。


如何分辨三个极?
D极单独位于一边,而G极是第4PIN。剩下的3个脚则是S极。
它们的位置是相对固定的,记住这一点很有用。
请注意:不论NMOS管还是PMOS管,上述PIN脚的确定方法都是一样的。






MOS管导通特性
导通的意思是作为开关,相当于开关闭合。
NMOS的特性:Vgs大于某一值管子就会导通,适合用于源极接地时的情况(低端驱动),只要栅极电压达到4V就可以了。
PMOS的特性:Vgs小于某一值管子就会导通,适合用于源极接VCC时的情况(高端驱动)。
下图是MOS管开关电路,输入电压是Ui,输出电压是Uo。
当Ui较小时,MOS管是截止的, Uo=Uoh=Vdd;
当Ui较大时,MOS管是导通的, Uo =Ron/(Ron+Rd)*Vdd,由于Ron<>


应用实例:
以下是某笔记本主板的电路原理图分析,在此mos管是开关作用:
PQ27控制脚为低电平,PQ27截止,而右侧的mos管导通,所以输出拉低;


电路原理分析:
PQ27控制脚为高电平,PQ27导通,所以其漏极为低电平,右侧的mos管处于截止状态,所以输出为高电平。


整体看来,两个管子的搭配作用就是高低电平的切换,这个电路来自于笔记本主板的电路,但是这个电路??橐哺<诟丛拥缏返纳系缡毙蚩刂颇?椋珿PIO的操作??榈鹊扔τ弥?。
2. MOS管的隔离作用
MOS管实现电压隔离的作用是另外一个非常重要且常见的功能,隔离的重要性在于:担心前一极的电流漏到后面的电路中,对电路系统的上电时序,处理器或逻辑器件的工作造成误判,最终导致系统无法正常工作。因此,实际的电路系统中,隔离的作用非常重要。


比如,上下两个图就是通过源极的高低电平来控制MOS管的通断,来实现信号电平的隔离,因为MOS管有体二极管,并且是反向的,所以并不会有信号通过MOS管漏过去。这是一个非常经典的电路,并且可以通过搭配衍生出很多实用的电路。


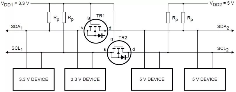
比如,下面这个IIC总线中电平转换电路,其实跟上面的电路存在极大的相似性。


电路分析:
SDA1为高电平(3V3)时,TR1截止,SDA2输出为高电平(5V);
SDA1为低电平(0V)时,TR1导通,SDA2输出为低电平。
总结:
在笔记本主板上用到的NMOS可简单分作两大类:
信号切换用MOS管: Ug比Us大3V---5V即可,实际上只要导通即可,不必须饱和导通。
电压通断用MOS管: Ug比Us应大于10V以上,而且开通时必须工作在饱和导通状态。
烜芯微专业制造二极管,三极管,MOS管,桥堆等,20年,工厂直销省20%,1500家电路电器生产企业选用,专业的工程师帮您稳定好每一批产品,如果您有遇到什么需要帮助解决的,可以直接联系上方的联系号码或加QQ,由我们的销售经理给您精准的报价以及产品介绍
