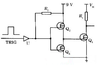
驱动电路由缓冲器U、电阻R2 及1 对小功率场效应对管Q1 、Q2 组成。当控制信号为低电平时,同向缓冲器U 输出低电平,使得与+ 9 V 电源相联的P 沟道场效应管Q2 导通,与地相联的N 沟道场效应管Q3 截止,绝缘栅场效应管Q1的栅极为高电平, N 沟道绝缘栅场效应管Q1 导通; 当控制信号为高电平时, 同向缓冲器U 输出高电平, 使得与+ 9 V 电源相联的P 沟道场效应管Q2 截止, 与地相联的N 沟道场效应管Q3 导通, 绝缘栅场效应管Q1 的栅极为低电平, 绝缘栅场效应管Q1 管截止。电阻R2 是集电极开路同向缓冲器U 的上拉电阻。

烜芯微专业制造二极管,三极管,MOS管,桥堆等,20年,工厂直销省20%,1500家电路电器生产企业选用,专业的工程师帮您稳定好每一批产品,如果您有遇到什么需要帮助解决的,可以直接联系上方的联系号码或加QQ,由我们的销售经理给您精准的报价以及产品介绍