1.结构
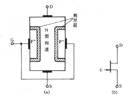
下图中示出了N沟道结型场效应管的结构示意图以及它在电路中的符号。


在一块N型硅棒的两侧,利用合金法、扩散法与其他工艺做成掺杂程度比较高的P型区(用符号P+表示),则在P+型区和N型区的交界处将形成一个PN结,或称耗尽层。将两侧的P+型区连接在一起,引出一个电极,称为栅极(G),再在N型硅棒的一端引出源极(S),另一端引出漏极(D),见图(a)。如果在漏极和源极之间加上一个正向电压,即漏极接电源正端,源极接电源负端,则因为N型半导体中存在多数载流子电子,因而可以导电。这种场效应管的导电沟道是N型的,所以称为N沟道结型场效应管,其电路符合见图(b)。注意电路符号中,栅极上的箭头指向内部,即由P+区指向N区。
2. 工作原理
从结型场效应管的结构已经看出,在栅极和导电沟道之间存在一个PN结。假设在栅极和源极之间加上反向电压UGS,使PN结反向偏置,则可以通过改变UGS的大小来改变耗尽层的宽度。例如,当反向电压的值|UGS|变大时,耗尽层将变宽,于是导电沟道的宽度相应地减小,使沟道本身的电阻值增大,于是,漏极电流ID将减少。所以,通过改变UGS的大小,即可控制漏极电流ID的值。
由于导电沟道的半导体材料(例如N区)掺杂程度相对比较低,而栅极一边(例如P+区)的掺杂程度很高,因此当反向偏置电压值升高时,耗尽层总的宽度将随之增大。但交界面两侧耗尽层的宽度并不相等。因此,掺杂程度低的N型导电沟道中耗尽层的宽度比高掺杂的P+区栅极一侧耗尽层的宽度大得多。可以认为,当反向偏置电压增大时,耗尽层主要向着导电沟道一侧展宽。
改变栅极和源极之间的电压UGS,即可控制漏极电流ID。这种器件利用栅极和源极这宰的电压UGS平改变PN结中的电场,然后控制漏极电流ID,故称为场效应管。对于结型场效应管来说,总是在栅极和源极之间加一个反抽偏置电压,使PN结反向偏置,此时可以认为栅极基本上不取电流,因此,场效应管的输入电阻很高。
烜芯微专业制造二极管,三极管,MOS管,桥堆等,20年,工厂直销省20%,1500家电路电器生产企业选用,专业的工程师帮您稳定好每一批产品,如果您有遇到什么需要帮助解决的,可以直接联系上方的联系号码或加QQ,由我们的销售经理给您精准的报价以及产品介绍
烜芯微专业制造二极管,三极管,MOS管,桥堆等,20年,工厂直销省20%,1500家电路电器生产企业选用,专业的工程师帮您稳定好每一批产品,如果您有遇到什么需要帮助解决的,可以直接联系上方的联系号码或加QQ,由我们的销售经理给您精准的报价以及产品介绍