
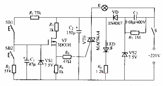
双按键场效应管调光灯电路见图
它采用两个轻触按键开关进行调光,一个用来调亮,另一个用来调暗,具有使用方便,外形美观等优点。
C2;C3;VD与VS2等组成简单的电容降压半波整流稳压电源,供给整个控制电路用电,
此电源由开关S进行通断控制,它可以是一个普通的拨动式小开关,也可以是一个隐藏在台
灯面板上的轻触按键开关。
平时开关S打开,台灯不亮,需要开灯时,只要将一个小玩偶放在它上面,开关受压,触点闭台,电路即通电T作。
SB1、SB2是分别用来调亮与调暗的轻触按键开关,发光管IED为电路T作指示灯。
MOS场效应管VF与阻容元件R1、C1等构成双向晶闸管VTH的触发电路,VS1星用来?;F-。
当按下SB1时,电源由R1、SB1向C1充电,使VF的栅极电压上升,其电源电流增大,晶闸管VTH触发电流增大,导通角变大,灯泡E的亮度就变大;当按下SB2时.C1储存的电荷就通过SB2、R2泄放,使VF栅极电压下降,其漏源电流就减小,VTH的触发电流也随之减小,导通角变小,灯泡E亮度减弱。
当S1、SB2均打开时,由于MOS场效应管的栅源电阻极大,C1两端的电压可基本保持不变,因此晶闸管VTH的导通角也基本不变,所以灯亮度可保持不变。为使灯泡亮度更加稳定,应适当增大电容C1的容量,并要求C1的漏电流尽可能小些。
烜芯微专业制造二极管,三极管,MOS管,桥堆等,20年,工厂直销省20%,1500家电路电器生产企业选用,专业的工程师帮您稳定好每一批产品,如果您有遇到什么需要帮助解决的,可以直接联系上方的联系号码或加QQ,由我们的销售经理给您精准的报价以及产品介绍