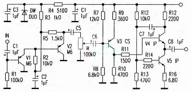
偶得一块小巧别致的全贴片元件电路板,经剖析为单声道前置放大器。最大的亮点是,利用射极输出器输出阻抗低的特点,在输出端运用单端推挽电路,是一般射极输出电路所难做到的。
电路分析见图:输八级由V1、V2两级射极输出电路组成。整个电路阻抗决定于偏流电阻R1与V1输人阻抗的并联值。V1的输人阻抗近似等于β1×RL1,β1是V1的电流放大系数,RL1是V1的等效负载。显然,同样都是射极输出器,但V2的作用是让V1能有一个较高的负载阻抗,从而使整个电路具有更高的输入阻抗。为了确保V1和V2的工作点稳定,输入电路经DUO稳压后供给+18V电压。就直流而言,R2、R3在V1的发射极回路中.R3、R5在V2的发射极回路中,它们都具有直流负反馈的作用,使静态工作点更趋稳定。V3是中间放大器,与V4和V5组成单端推挽输出电路。V3的集电极负载在设计时R10和R11取值较大,主要提高电路的电压增益,电路的输出阻抗亦增大。V4、V5为输出级,为了使VCC(24v)的直流电压能平均分配到两只管子上,V5的集电极电位应在+12v,可通过调整R8阻值来实现。为了使输出电压具有一定幅变,防止大信号时产生截止失真,V4、V5静态集电极电流为29mA,在R16上直流压降剐好为0.2V。
根据电路仿制双声道前置放大器,用常见元件,经试用,其效果可以和经典的马兰士PM前置放大器媲美。
注意,晶体管应全部采用高频三极管。V1和V2应选用PNP型硅管,V1 β值为250,V2 β值为200。β值不宜太大,否则电路稳定性变差,如9015等。V3的β值应取150,因静态工作电流达20mA,应选中功率管,如3CG120等。V4、V5的β值应取100,应选用中功率管,如3DG130等。稳压管应选用18v的稳压值。阻、容无特殊要求。
烜芯微专业制造二极管,三极管,MOS管,桥堆等,20年,工厂直销省20%,1500家电路电器生产企业选用,专业的工程师帮您稳定好每一批产品,如果您有遇到什么需要帮助解决的,可以直接联系上方的联系号码或加QQ,由我们的销售经理给您精准的报价以及产品介绍
