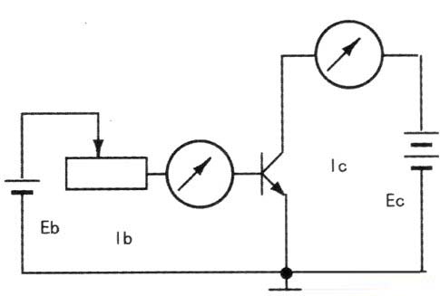
下图是三极管电流放大原理图,图中有两个电流回路Ib和IC。实验中当我们把Ib回路断路即Ib=0,此时虽然lc回路没有改动,但Ic回路的电流立即为O(我们可以认为c、e间电阻变大)。当我们接通Ib回路并让Ib回路的电流有一个较小的增加时,Ic回路的电流将有较大幅度的增长(说明c、e间电阻变?。?,Ib对lc(也可以认为是c、e间的电阻)有明显的控制作用,这就是电流放大的实质。

下图为晶体管等效开关示意图,当基极与发射极之间的电压Ube大于或等于0.7V(对硅管而言)时,集电极和发射极之间表现的电阻极小,相当开关闭合接通。当基极与发射极之间的电压Ube小于0.7V(对硅管而言)时,集电极和发射极之间表现的电阻极大,相当开关断路。这就是晶体管的开关原理。

下图是晶体管放大等效示意图。当晶体管Ube输入一个变化的电压,比如在0.5~0.7V变化时,将引起Ib的变化使晶体管C、E间的电阻相当于图7右侧的电位器滑动端上移,使C、E电阻变小,电流随之增大。这个等效电路可以帮助理解放大原理。

烜芯微专业制造二极管,三极管,MOS管,桥堆等,20年,工厂直销省20%,1500家电路电器生产企业选用,专业的工程师帮您稳定好每一批产品,如果您有遇到什么需要帮助解决的,可以直接联系上方的联系号码或加QQ,由我们的销售经理给您精准的报价以及产品介绍