分压式偏置电路是三极管另一种常见的偏置电路。
1.三极管典型分压式偏置电路
图1-101所示是典型的分压式偏置电路。电路中的VT1是NPN型三极管,采用正极性直流电源+V供电。由于R1和R2这一分压电路为VT1基极提供直流电压,所以将这一电路称为分压式偏置电路。

图1-101 典型分压式偏置电路
电阻R1和R2构成直流工作电压+V的分压电路,分压电压加到VT1基极,建立VT1基极直流偏置电压。
电路中VT1发射极通过电阻R4接地,基极电压高于地端电压,所以基极电压高于发射极电压,发射结处于正向偏置状态。
流过R1的电流分成两路:一路流入基极作为三极管VT1的基极电流,其基极电流回路是:+V→R1→VT1基极→VT1发射极→R4→地端,另一路通过电阻R2流到地端。
分压式偏置电路中,R1称为上偏置电阻,R2称为下偏置电阻,虽然基极电流通过上偏置电阻R1构成回路,但是R1和R2分压后的电压决定了VT1基极电压的大小,在三极管发射极电阻确定的情况下,也就决定了基极电流的大小,所以R1和R2同时决定VT1基极电流的大小。
分析基极电流大小的关键点
分析分压式偏置电路中三极管基极电流的大小时要掌握:R1和R2对直流工作电压+V分压后,电压加到三极管基极,该直流电压的大小决定了该管基极直流电流的大小,基极直流电压大则基极电流大,反之则小。
电路分析提示
无论是NPN型还是PNP型三极管,无论是采用正电源还是负电源供电,一般情况下偏置电路用两个电阻构成,这一点对识别分压式偏置电路十分有利。
2.正极性电源供电PNP型三极管分压式偏置电路
图1-102所示是采用正极性电源供电的PNP型三极管分压式偏置电路。电路中的VT1是PNP型三极管,+V是正极性直流电源,R1和R2构成分压式偏置电路,R3是三极管VT1的发射极电阻,R4是三极管VT1的集电极负载电阻。

图1-102 正极性电源供电的PNP型三极管分压式偏置电路
在采用正电源供电的PNP型三极管电路中,往往习惯于将三极管的发射极画在上面,如图1-102所示。
(1)直流电路分析。电阻R1和R2构成对直流电压+V的分压电路,分压后的电压直接加到VT1基极,给基极一个直流偏置电压。
VT1发射极通过电阻R3接在正极性直流电源+V端,三极管VT1的发射极直流电压最高,高于三极管VT1的基极直流电压,所以三极管VT1发射结(基极与发射极之间的PN结)处于正向偏置状态,满足三极管VT1工作在放大状态所必须具备的条件之一。
(2)直流电流回路分析。流出直流工作电压+V端的直流电流为I,如图1-102中所示。流过电阻R1的电流为I1,流过R2的电流为I2,流出基极的电流为IB(因为VT1是PNP型三极管,它的基极电流是从管内流出的),I2=I1+IB,电阻R2构成了基极电流回路,这一电流回路是:+V→R3→VT1发射极→VT1基极→R2→地端。
(3)电路特征。采用正电源供电的PNP型三极管分压式偏置电路其特征与采用正电源供电的NPN型三极管分压式偏置电路的特征一样。
(4)故障分析。当偏置电阻R1开路后,三极管仍然存在基极电流。这时,三极管VT1基极直流电压将下降,导致三极管VT1的基极电流增加,三极管将进入饱和状态;当偏置电阻R2开路后,三极管基极电流不能成回路,所以这时三极管VT1没有基极电流,三极管将进入截止状态。
3.负极性电源供电NPN型三极管分压式偏置电路
图1-103所示是负极性电源供电NPN型三极管分压式偏置电路。电路中的VT1是NPN型三极管,-V是负极性直流电源,R1和R2构成分压式偏置电路,R3是三极管VT1的发射极电阻,R4是三极管VT1的集电极负载电阻。

图1-103 负极性电源供电的NPN型三极管分压式偏置电路
该分压式偏置电路的电路特征同前面的电路一样,R1和R2构成对直流工作电压-V的分压电路,分压后的电压加到三极管VT1基极,这一电路特征与正极性直流电压供电电路一样,所以电路分析中很容易确定是分压式偏置电路。
这一电路中,各电流之间的关系是I2=I1+IB,NPN型三极管的基极电流流向管内,如图1-103所示。
电路分析提示
电路分析中要注意:由于采用负极性的直流电源供电,所以电路中的地线直流电压为最高,-V端的直流电压最低,这样所有的电流都是从地端(实际上地端是负极性直流电源的正极)流出,流到-V端(这是负极性直流电源的负极)。
电路故障分析提示
当电阻R2开路时,这一电路中的三极管VT1无基极电流(因为VT1无基极电流回路),VT1处于截止状态;当电阻R1开路时,这一电路中的三极管VT1基极电流增大许多,VT1将处于饱和状态。
4.负极性电源供电PNP型三极管分压式偏置电路
图1-104所示是负极性电源供电的PNP型三极管分压式偏置电路。电路中的VT1是PNP型三极管,-V是负极性直流电源,R1和R2构成分压式偏置电路,R3是三极管VT1的集电极负载电阻,R4是三极管VT1的发射极电阻。

图1-104 负极性电源供电的PNP型三极管分压式偏置电路
电路中,各电流之间的关系是I1=I2+IB,PNP型三极管的基极电流是从管内流出的,如图1-104所示。
电路分析提示
各种分压式偏置电路的电路特征基本一样,所以分压式偏置电路在各种极性电源、各种极性三极管电路中的电路特征是相同的,这对识别电路中的分压式偏置电路是方便的,比固定式偏置电路更为容易。
电路故障分析提示
当电阻R1开路时,这一电路中的三极管VT1基极电流不能成回路,所以三极管没有基极电流,VT1处于截止状态;当电阻R2开路时,这一电路中的三极管VT1基极电流增大许多,VT1将处于饱和状态。
5.分压式偏置电路变形电路
分压式偏置电路的变形电路主要有两种,它们都属于分压式偏置电路的范畴,只是电路的具体形式发生了变化。在电路分析中,同功能不同电路形式的电路(变形电路)是电路分析的一个难点,有的电路其变形电路“丰富多彩”,使初学者“吃尽苦头”。
(1)可变电阻器方便基极电流调整电路。如图1-105所示,电路中的RP1是可变电阻器,R1、RP1和R2构成三极管VT1的分压式偏置电路。R1和RP1串联后作为上偏置电阻,由于RP1的阻值可以进行微调,所以这一电路中上偏置电阻器的阻值可以方便地调整。

图1-105 示意图
串联可变电阻器RP1的目的是进行上偏置电阻的阻值调整,其目的是进行三极管VT1的基极偏置电流的调整,从而可以调整三极管VT1的静态工作状态。
在调整RP1的阻值时,实际上是改变了分压电路的分压比,即改变了三极管VT1基极上的直流偏置电压,从而可以改变三极管VT1的静态电流。
改变三极管的静态工作电流,可以改变三极管的动态工作情况,有时可以在一定范围内调整三极管VT1这一级放大器的放大倍数等,例如一些收音机电路中的第一级放大器就采用这种变形分压式偏置电路。
电阻R1称为限流?;さ缱瑁柚肦1的目的是防止RP1阻值调至最小时烧坏三极管VT1。如果没有串联电阻R1,在减小RP1阻值时,三极管VT1基极电压升高,基极电流增大,调整中若不小心将RP1调至0?处,这时三极管VT1基极电压就等于+V,使VT1基极电压太高,基极电流太大而烧坏VT1。在加入R1后,RP1阻值调至最小时也有R1串联在其中,防止了三极管VT1基极电压升高太多,从而防止了由于调整不当而烧坏三极管VT1。
(2)提高输入电阻的电路。图1-106所示是一种为了提高放大器输入电阻的分压式偏置电路。电路中的R1和R2构成分压式偏置电路,其分压后的电压不是直接加到三极管VT1基极,而是通过电阻R3加到VT1基极。

图1-106 示意图
从等效电路中可以看出,由于加入了电阻R3,电阻R1和R2并联后与R3串联(串联电阻电路总电阻增大),然后再与三极管VT1的输入电阻并联,这样提高了这一级放大器的输入电阻。所以,这种变形的分压式偏置电路中,电阻R3是为了提高放大器输入电阻而设置的,没有其他作用。
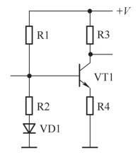
(3)具有温度补偿特性的分压式偏置电路。图1-107所示是具有温度补偿特性的分压式偏置电路。电路中的R1和R2、VD1构成VT1基极分压式偏置电路。R1是上偏置电阻,R2是下偏置电阻,VD1串联在下偏置电阻R2电路中。
R1、R2、VD1分压后的电压加到VT1基极,作为VT1基极直流偏置电压。二极管VD1处于导通状态。
当工作温度升高时,VT1的基极电流会增大一些,这说明VT1受温度的影响而不能稳定工作。加入VD1后,温度升高时,VD1正、负极之间的管压降略有下降,这使得VT1基极电压略有下降,使VT1基极电流略有下降,这一基极下降的电流正好抵消由于温度升高引起的VT1基极电流的增大,所以VD1能对VT1进行温度补偿。

图1-107 示意图
当温度下降时,VT1基极电流略有下降,而VD1管压降略有上升,使VT1基极电压略有上升,VT1基极电流略有增大,也能稳定VT1基极电流。
普通二极管在导通之后,它的管压降(正极与负极之间的电压)基本不变,但不是绝对不变。当二极管的工作温度变化时,它的管压降会发生微小的变化:当工作温度升高时,它的管压降会下降一些;当工作温度降低时,它的管压降会增大一些。这是二极管管压降受温度影响的特性。
烜芯微专业制造二极管,三极管,MOS管,桥堆等,20年,工厂直销省20%,1500家电路电器生产企业选用,专业的工程师帮您稳定好每一批产品,如果您有遇到什么需要帮助解决的,可以直接联系上方的联系号码或加QQ,由我们的销售经理给您精准的报价以及产品介绍
烜芯微专业制造二极管,三极管,MOS管,桥堆等,20年,工厂直销省20%,1500家电路电器生产企业选用,专业的工程师帮您稳定好每一批产品,如果您有遇到什么需要帮助解决的,可以直接联系上方的联系号码或加QQ,由我们的销售经理给您精准的报价以及产品介绍