恒流三极管为LED电路提供恒定电流的器件,使电路具有简单、经济、可靠等特点.LED三极管在一定电压范围内恒定电流.带有负温度系数,在极端的电压和工作温度下?;ED免受热失控影响.
线性恒流三极管为在宽电压内恒定电流效果最佳的产品,体积小,封装有TO-92(普通直插的三极管)、SOT-89-3、SOT-223三种,恒流三极管只需要保证输入电压减去LED串总电压的数值不超过90V(输入-输出的最大电压)即可,可完全替代复杂且烦琐的恒流源电路,非常适合用于体积小的LED灯具产品.具有成本低廉、结构简单、寿命可靠等特点.
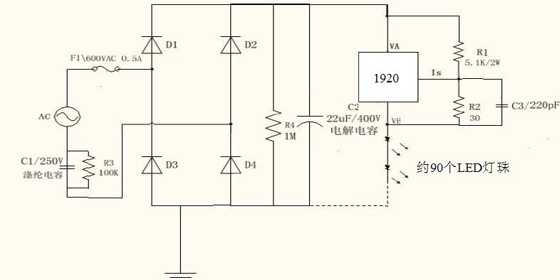
LED恒流器不需外加元件,可直接应用于120/220Vac交流供电回路中,120/220Vac交流市电输入经过桥式整流后,只需要保证输入电压减去LED串总电压后所剩下的电压不超过恒流三极管输入-输出90V即可.
名称 型号 封装 恒定电流 电压 串接LED数量
AC220V AC110V
CRT CL1920 TO-92,SOT-223,SOT-89-3 10~20Ma(可调) 90V 约98个 约45个
