
BT33管脚排列图


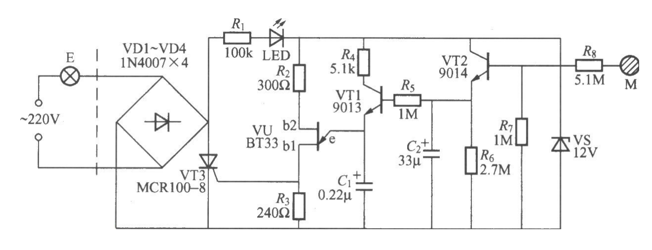
触摸式渐暗延迟灯电路
本电路图所用到的元器件:
MMCR100-8 9013 9014 BT33
触摸式渐暗延迟灯电路如图所示,电路特点:开灯时只要摸一下触摸片,灯即亮,延迟数十秒后,灯不是马上熄灭,而是逐渐变暗,直至熄灭。该触摸开关对外也仅两根引出线,可以直接取代普通灯开关,而不必更改室内原有布线。该电路每触摸一次M,电灯可点亮45~60s左右,若想更改延迟时间,可以调整C1或R4值。
烜芯微专业制造二极管,三极管,MOS管,桥堆等,20年,工厂直销省20%,1500家电路电器生产企业选用,专业的工程师帮您稳定好每一批产品,如果您有遇到什么需要帮助解决的,可以直接联系上方的联系号码或加QQ,由我们的销售经理给您精准的报价以及产品介绍
烜芯微专业制造二极管,三极管,MOS管,桥堆等,20年,工厂直销省20%,1500家电路电器生产企业选用,专业的工程师帮您稳定好每一批产品,如果您有遇到什么需要帮助解决的,可以直接联系上方的联系号码或加QQ,由我们的销售经理给您精准的报价以及产品介绍