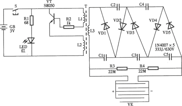
电蚊拍上常用的三极管是D965,其参数为
NPN、40V、5A、0.75W。
管脚顺序:d965引脚bec, s8050引脚ebc
D965可用:D3807、D2060、S8050、D400、C3807等高放大倍数的三极管。
第一种:使用干电池


第二种:可以充电

烜芯微专业制造二极管,三极管,MOS管,桥堆等,20年,工厂直销省20%,1500家电路电器生产企业选用,专业的工程师帮您稳定好每一批产品,如果您有遇到什么需要帮助解决的,可以直接联系上方的联系号码或加QQ,由我们的销售经理给您精准的报价以及产品介绍