双向触发二极管是一种压敏负阻器件。在一般情况下,双向触发二极管呈高阻截止状态,当外加电压(不分正负)的幅值大于双向触发二极管的转折电压时,它便会击穿导通。
1.双向触发二极管在可控硅调压电路中的应用
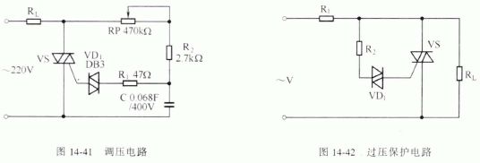
双向触发二极管触发双向可控硅的调压电路是触发二极管的一种典型应用电路。图14-41所示的就是采用这种电路构成的交流调压电路。
当电路接通交流市电后,交流市电便通过负载电阻R1、电位器RP 、电阻R2 向电容器C充电只要电容器C上的充电电压高于双向触发二极管的转折电压.电容器C 便通过限流电阻R1以及双向触发二假管VD1向双向可控硅VS的控制极放电.触发可控硅VS 导通。改变电位器RP的阻值便可改变向C充电的速度.也就改变了 双向可控硅的导通角。由于双向触发二极管在正、反电压下均能工作,所以整个电路可以工作于交流电的正 、负两个半周。


2,过压保护电路
图14 -42 所示的是由双向触发二极管与双向可控硅组成的过压?;さ缏?。电压正常工作时加在双向触发二极管两端的电压小于转折电压. VD1不导通,双向可控硅处于截止状态,负载RL可得到正常的供电。当供电电压超出限定值时,加在双向触发二极管两端的电压便会大于转折电压, VD1导通并触发双向可控硅使其也导通,使负载RL免受过压损害。
正常值相差较大时,则说明该二极管已损坏。
烜芯微专业制造二极管,三极管,MOS管,桥堆等20年,工厂直销省20%,4000家电路电器生产企业选用,专业的工程师帮您稳定好每一批产品,如果您有遇到什么需要帮助解决的,可以点击右边的工程师,或者点击销售经理给您精准的报价以及产品介绍
正常值相差较大时,则说明该二极管已损坏。
烜芯微专业制造二极管,三极管,MOS管,桥堆等20年,工厂直销省20%,4000家电路电器生产企业选用,专业的工程师帮您稳定好每一批产品,如果您有遇到什么需要帮助解决的,可以点击右边的工程师,或者点击销售经理给您精准的报价以及产品介绍