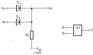
1.电路组成及符号
如图3.10所示。UA、UB是输入信号,它们的高电平是3V,低电平是0V。UY是输出信号。
2.工作原理
利用估算图3.9所示与门电路同样的方法,可以很容易地得到如图3.10(A)所示或门电路输入、输出电压之间关系,再经过设定变量、状态赋值即可列出逻辑真值表。


图3.10二极管或门
1)电压关系表
输入、输出电压关系也有四种情况:(设二极管的导通电压为0.7V)
①UA=UB=0V时,D1、D2由于正偏而导通,UY=(0-0.7)=-0.7V;
②UA=0V、UB=3V时,D2导通,D1反向偏置截止,UY=(3-0.7)=2.3V
③UA=3V、UB=0V时,D1导通,D2反向偏置截止,UY=(3-0.7)=2.3V
④UA=UB=3V时,D1、D2都正偏导通,UY=(3-0.7)=2.3V。
。
(2)真值表
若用A、B、Y分别代表UA、UB、UY,且采用正逻辑,即用0表示低电平,用1表示高电平,则可由表3.3列出或门真值表3.4(教材P43)。
由表3.4所示真值表可得Y=A+B,即图3.10(A)所示电路实现了或运算功能,所以是一个二极管或门电路。
正与门和负或门是等同的,正或门和负与门也是等同的。
烜芯微专业制造二极管,三极管,MOS管,桥堆等20年,工厂直销省20%,4000家电路电器生产企业选用,专业的工程师帮您稳定好每一批产品,如果您有遇到什么需要帮助解决的,可以点击右边的工程师,或者点击销售经理给您精准的报价以及产品介绍
烜芯微专业制造二极管,三极管,MOS管,桥堆等20年,工厂直销省20%,4000家电路电器生产企业选用,专业的工程师帮您稳定好每一批产品,如果您有遇到什么需要帮助解决的,可以点击右边的工程师,或者点击销售经理给您精准的报价以及产品介绍