扩展电流或电压的方法
(1)利用并联法扩流、串联法升压
使用一只恒流二极管只能提供几毫安的恒定电流,若将几只恒流管并联使用,则可以扩大输出电流。例如2DH5C型恒流管的IH=5mA,两只管子并联后为10mA,电流扩展了一倍。需要指出,将几只恒流二极管并联使用时,恒流源的起始电压等于这些管子中的最大值,而正向击穿电压则等于这些管子中的最小值。此外,在扩展电流的同时,恒流源的动态阻抗将变小。
利用串联法可以提升电压。例如,将几只性能相同的恒流二极管串联使用,可将耐压值提高到100V以上。假如每只管子的恒流值不等,那末恒流值较小的管子将首先进人恒流状态。必要时可给IH值较小的管子并联一只分流电阻,使各管子同时进人恒流状态。
(2)利用晶体管、场效应管进行扩流及升压
扩流及升压电路分别如图1(a)、(b)所示。

图1 恒流二极管扩流电路和升压电路
图1(a)是由晶体管JE9013和恒流二极管构成的扩流电路。设恒流管的恒定电流为IH ;JE9013的共发射极电流放大系数为hFE,扩展后的恒流值由下式确定:
IH ‘=(hFE +1)IH≈hFE IH
由结型场效应管3DJ6与恒流二极管组成的升压电路如图1(b)所示。R1、R2均为偏置电阻,阻值应取几十兆欧。令恒流二极管的正向击穿电压为V(BO),结型场效应管的漏--源极击穿电压为V1,则恒流源的耐压值V2=V(BO)+V1
同时进行扩流和升压
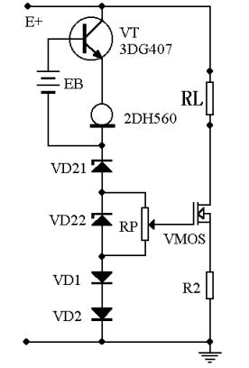
某些情况下要求对恒流二极管同时进行扩流与升压,这时可采用如图2所示的电路。现由NPN型高反压管VT(3DG407)、恒流二极管2DH560、辅助电源EB构成扩流电路。2DH560的IH=5.60mA,起始电压VS=4.0V,设VT的发射结压降VBE=0.65V,EB应大于VS与VBE之和(4.65V)。VD1和VD2为温度补偿二极管。输出级采用VMOS管,其栅极电压由稳压管VDz1、VDz2和电位器RP所决定。

图2 恒流二极管同时扩流和升压的应用
VMOS管属于高效场效应功率管,其性能远优于双极型功率管。它具有输人阻抗高、驱动电流小、耐压高(最高可承受1200V的高压)、工作电流大(1.5~100A)、输出功率高(1~250W)等优点。该恒流源电路能同时达到扩展恒定电流与提高工作电压之双重目的。在业余条件下,亦可用3只3DD15型大功率晶体管并联后代替VMOS管,但是要求这些管子的hFE值必须一致,并且要给每只管子加装合适的散热器。
烜芯微专业制造二极管,三极管,MOS管,桥堆等20年,工厂直销省20%,4000家电路电器生产企业选用,专业的工程师帮您稳定好每一批产品,如果您有遇到什么需要帮助解决的,可以点击右边的工程师,或者点击销售经理给您精准的报价以及产品介绍
烜芯微专业制造二极管,三极管,MOS管,桥堆等20年,工厂直销省20%,4000家电路电器生产企业选用,专业的工程师帮您稳定好每一批产品,如果您有遇到什么需要帮助解决的,可以点击右边的工程师,或者点击销售经理给您精准的报价以及产品介绍