在楼宇或家居布线中,常采用两只单刀双掷开关实现楼道中两地控制白炽灯的亮灭,这种控制电路的典型电路如图1所示。这种设计方式在功能实现中表现出的不足是:两只单刀双掷开关之间需用两根同长度的电线,增加了灯光控制的投资成本。在工程实践中,笔者摸索出一种设计技巧,在不改变原开关结构,仅需增加4只二极管就能达到同样的灯光控制目的,且可节省原两只开关之间的一根电线,又能方便后期维护工作,从而节约布线的投资成本或后期的维护成本。

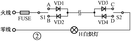
本电路是利用二极管的单向导电特性对图1线路进行改进。在实践中只需在原开关S1或 S2两个输入或输出接线柱上分别接入一只二极管(1N4007等,注意其连接的极性),再将两只二极管另外一端与连接导线相互焊接起来,焊点处需用绝缘胶布包扎,线路如图2所示。

在图2线路中,当开关S1接至A端,开关S2接至C端时,在交流电的正半周期间,白炽灯H将通过工作电流,白炽灯处于发光照明状态,其两端将得到有效值为UL=0.45Ui=0.45×220V=99V的电压,所以这种连接方式将影响照明光线的亮度。当开关S1接至A端,开关S2接至D端时,由于二极管的单向导电特性,在交流电的正、负半周期间,白炽灯L均无工作电流通过,白炽灯处于熄灭状态,起到在不同地点控制同一盏白炽灯工作状态的功能。
当开关S1接至B端,开关S2接至C端或当开关S1接至B端,开关S2接至D端时,电路工作原理分析同上。
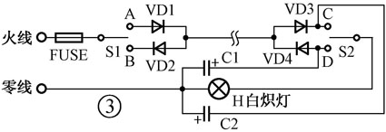
实践证明这是一种行之有效的设计方案,如需照顾到照明光线的亮度,可购买比原功率高一倍的白炽灯以解决亮度下降的不足。例如,原采用20W功率的白炽灯,现可采购40W功率的白炽灯来弥补这一缺陷。若需要保持原白炽灯的功率不变,就需对图2线路做进一步的改进,即在原线路基础上再增加两只4.7μF/400V的滤波电容C1、C2,线路如图3所示。改进后的电路还可以作为电工维修的一种后备方案,因为现在大部分家居基本上是采用暗线布线方式,在线路故障维护中,较难从暗管内重新安装一条电线。当原线路中有一条电线未损坏,即可采用图2或图3的电路加以改造维护,以恢复原来的灯光控制功能。

电子爱好者可参考上述的设计思路,对其他系统进行相应功能的修改与扩展,从而实现更具个性化要求、实用的线路功能。图4给出了三个地点控制一盏灯的改进电路图,其他线路可以依此设计思路加以应用。

烜芯微专业制造二极管,三极管,MOS管,桥堆等20年,工厂直销省20%,4000家电路电器生产企业选用,专业的工程师帮您稳定好每一批产品,如果您有遇到什么需要帮助解决的,可以点击右边的工程师,或者点击销售经理给您精准的报价以及产品介绍