1.概述
电源的输入部分,为了防止误操作,将电源的正负极接反,对电路造成损坏,一般会对其进行防护,如采用保险丝,二极管,MOS管等方式。
2、防反接
2.1 二极管防反接

采用二极管进行保护,电路简单,成本低,占用空间小。但是二极管的PN结在导通时,存在一个 <=>
2.2 保险丝防护
很多常见的电子产品,拆开之后都可以看到电源部分加了保险丝,在电源接反,电路中存在短路的时候由于大电流,进而将保险丝熔断,起到?;さ缏返淖饔茫庵址绞叫蘩砀槐冉下榉?。
2.3 MOS管防护
MOS管因工艺提升,自身性质等因素,其导通内阻技校,很多都是毫欧级,甚至更小,这样对电路的压降,功耗造成的损失特别小,甚至可以忽略不计,所以选择MOS管对电路进行?;な潜冉贤萍龅姆绞健?/div>
烜芯微专业制造二极管,三极管,MOS管,桥堆等20年,工厂直销省20%,4000家电路电器生产企业选用,专业的工程师帮您稳定好每一批产品,如果您有遇到什么需要帮助解决的,可以点击右边的工程师,或者点击销售经理给您精准的报价以及产品介绍
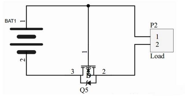
2.3.1 NMOS防护
如下图:上电瞬间,MOS管的寄生二极管导通,系统形成回路,源极S的电位大约为0.6V,而栅极G的电位为Vbat,MOS管的开启电压极为:Ugs = Vbat - Vs,栅极表现为高电平,NMOS的ds导通,寄生二极管被短路,系统通过NMOS的ds接入形成回路。

若电源接反,NMOS的导通电压为0,NMOS截止,寄生二极管反接,电路是断开的,从而形成保护。
2.3.2 PMOS防护
如下图:上电瞬间,MOS管的寄生二极管导通,系统形成回路,源极S的电位大约为Vbat-0.6V,而栅极G的电位为0,MOS管的开启电压极为:Ugs = 0 -(Vbat-0.6),栅极表现为低电平,PMOS的ds导通,寄生二极管被短路,系统通过PMOS的ds接入形成回路。

若电源接反,NMOS的导通电压大于0,PMOS截止,寄生二极管反接,电路是断开的,从而形成保护。
注:NMOS管将ds串到负极,PMOS管ds串到正极,寄生二极管方向朝向正确连接的电流方向;
MOS管的D极和S极的接入:通常使用N沟道的MOS管时,一般是电流由D极进入而从S极流出,PMOS则S进D出,应用在这个电路中时则正好相反,通过寄生二极管的导通来满足MOS管导通的电压条件。MOS管只要在G和S极之间建立一个合适的电压就会完全导通。导通之后D和S之间就像是一个开关闭合了,电流是从D到S或S到D都一样的电阻。
实际应用中,G极一般串接一个电阻,为了防止MOS管被击穿,也可以加上稳压二极管。并联在分压电阻上的电容,有一个软启动的作用。在电流开始流过的瞬间,电容充电,G极的电压逐步建立起来。

对于PMOS,相比NOMS导通需要Vgs大于阈值电压,由于其开启电压可以为0,DS之间的压差不大,比NMOS更具有优势。
USB与电池切换设计:
当USB供电时,PMOS截止,通过二极管输入系统;当电池供电时,PMOS导通,下拉电阻的作用是将栅极电位稳定的拉低,确保PMOS正???,防止栅极高阻抗带来的隐患。

通过MCU的IO控制输入—>输出:
R3确保栅极电流不至于太大,R2上拉,截止PMOS,IO输出控制时,稳定为低,开启PMOS。

- 上一篇:防止DC电源输入反接的4种方法介绍
- 下一篇:桥式整流电路工作原理知识
相关阅读