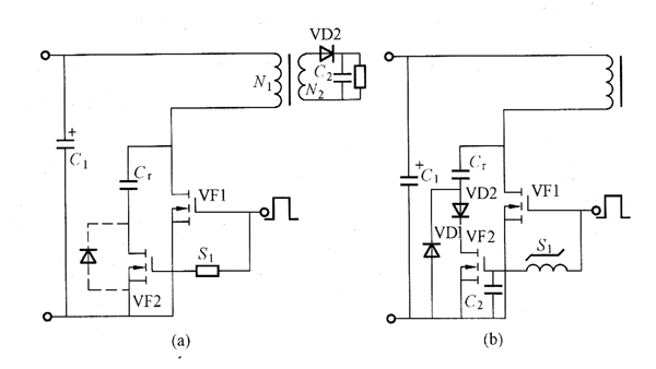
图(a)所示电路中,VF1是一次侧主MOSFET,来自PWM集成控制器的脉冲使其通/断工作。为使VF2的通/断时间与VF1相反,增设双向延时电路S1。现假设VF1为截止状态,VF2为导通状态,吸收电容Cr充电到VF1的漏极-源极间电压,由此,也吸收加在VF1上的浪涌电压。在由延时电路确定的延时时间后VF2截止,但这时,Cr两端电压等于加在VF1上的电压,因此,为零电压和零电流开关器件断开方式。
VF1截止后,二次侧二极管VD2的电流降为零,变压器无励磁能量。此时一次主绕组N1感应的回扫电压变为零,以高于C1上电压进行充电的吸收电容C1对一次主绕组N1反向放电,这样,放电电流经VF2的寄生二极管(虚线所示)流通。Cr放电开始时,VF2必须截止。由于Cr放电,电容Cr与一次主绕组的电感Lp产生谐振。

(a)原理电路;(b)实用电路

(a)原理电路;(b)实用电路
图 控制吸收电容充放电的电路图
若VF2为导通状态,谐振继续衰减振荡,但VF2截止状态时,电容Cr两端电压为零时振荡停止。若Cr停止谐振,则以VF1和VF2的输入较小容量电容继续产生较短周期的谐振。VF1再度导通时,轫小电容放电电流流经VF1本身而消耗掉。VF1导通时,其小容量电容充电的电压随导通时间而改变,但Cr两端电压降到最低电压,因此,可以减小Cr产生的损耗。也就是说,即使采用较大容量的电容Cr损耗也不会增大。
图(a)所示为采用VF2寄生二极管使Cr放电形式的电路。一般的M0S-FET寄生二极管恢复特性不适宜高频,因此,增设低耗二极管作为电容放电二极管,即图(b)中的二极管VD1。为使放电电流全部流经二极管VD1,在VF2回路中增加了逆阻断二极管VD2.逆阻断二极管VD2的耐压大于VD1的正向压降即可,因此,选用肖特基二极管(SBD)。另外,双向延时元件宜采用可饱和电抗器,延时元件和YF2的输入电容共同决定延时时间,需要较长延时时间时,可在栅极增接电容。输出电流一减小,VF1的导通时间就变短。这导通时间若短于延时时间,则VF1截止后,VF2导通,因此,VF1漏极-源极间电压UDS的波形偏离正常波形,功耗也稍增大。为降低最小输出电流,延时时间要非常短,这样,就不能充分有效利用电容Cr。这里,作为大致目标,最小输出电流设定为最大输出电流的2%~3%。
烜芯微专业制造二极管,三极管,MOS管,桥堆等20年,工厂直销省20%,4000家电路电器生产企业选用,专业的工程师帮您稳定好每一批产品,如果您有遇到什么需要帮助解决的,可以点击右边的工程师,或者点击销售经理给您精准的报价以及产品介绍
烜芯微专业制造二极管,三极管,MOS管,桥堆等20年,工厂直销省20%,4000家电路电器生产企业选用,专业的工程师帮您稳定好每一批产品,如果您有遇到什么需要帮助解决的,可以点击右边的工程师,或者点击销售经理给您精准的报价以及产品介绍