在选用瞬态电压抑制二极管(TVS)时,必须考虑电路的具体条件,一般应遵循以下原则:
一、大箝位电压Vc(MAX)不大于电路的最大允许安全电压。
二、最大反向工作电压(变位电压)VRWM不低于电路的最大工作电压,一般可以选VRWM等于或略高于电路最大工作电压。
三、额定的最大脉冲功率,必须大于电路中出现的最大瞬态浪涌功率。
下面是TVS在电路应用中的典型例子:


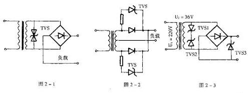
TVS用于交流电路:
图2-1是一个双向TVS在交流电路中的应用,可以有效地抑制电网带来的过载脉冲,从而起到?;ふ髑偶案涸刂兴性骷淖饔谩VS的箝位电压不大于电路的最大允许电压。
图2-2所示是用单向TVS并联于整流管旁侧,以?;ふ鞴懿槐凰彩甭龀寤鞔?,选用TVS必须是和整流管相匹配。
图2-3所示电路中,单向TVS1和TVS2反接并联于电源变压器输出端或选用一个双向TVS,用以?;ふ鞯缏芳案涸刂械脑骷?。TVS3?;ふ饕院蟮南呗吩绲缭幢溲蛊魇涑龆说缪刮?6伏时一般TVS1和TVS2的工作电压VR应根据36×√2来选择,其它参数依据电路中的具体条件而下。


TVS用于直流电路:
图2-4所示TVS并联于输出端,可有效地?;た刂葡低?。TVS的反向工作电压应等于或略高于直流供电电压,其它参数根据电路的具体条件而定。
图2-5所示为两个单向TVS连接在电源线路中,用以防止直流电源反接或电源通、断时产生的瞬时脉冲使集成电路损坏。当电路连接有感性负载,如电机、断电器线圈、螺线管时,会产生很高的瞬时脉冲电压,
图2-6中的TVS可以?;ぞ骞芗奥呒缏?,从而省去了较复杂的电阻/电容保护网络。
图2-7电路中TVS起保护和电压限制的作用。
直流电中选用举例:
整机直流工作电压12V,最大允许安全电压25V(峰值),浪涌源的阻抗50MΩ,其干扰波形为方波,TP=1MS,最大峰值电流50A。选择:
1、先从工作电压12V选取最大反向工作电压VRWM为13V,则击穿电压
V(BR)=VRWM/0.85=15.3V
2、从击穿电压值选取最大箝位电压Vc(MAX)=1.30×V(BR)=19.89V,取
Vc=20V
3、再从箝位电压VC和最在峰值电流IP计算出方波脉冲功率:
PPR=VC×IP=20×50=1000W
4、计算折合为TP=1MS指数波的峰值功率,折合系数K1=1.4,
PPR=1000W÷1.4=715W
从手册中可查到1N6147A其中PPR=1500W,变位电压VRWM=12.2V,击穿电压V(BR)=15.2V,最大箝位电压Vc=22.3V,最大浪涌电流IP=67.3A??陕闵鲜錾杓埔螅伊粲幸槐兜挠嗔?,不论方波还是指数波都适用。
交流电路应用举例:
直流线路采用单向瞬变电压抑制二极管,交流则必须采用双向瞬变电压抑制二极管。交流是电网电压,这里产生的瞬变电压是随机的,有时还遇到雷击(雷电感应产生的瞬变电压)所以很难定量估算出瞬时脉冲功率PPR。但是对最大反向工作电压必须有正确的选取。一般原则是交流电压乘1.4倍来选取TVS管的最大反向工作电压。直流电压则按1.1—1.2倍来选取TVS管的最大反向工作电压VRWM。


图2-8给出了一个微机电源采用TVS作线路?;さ脑硗迹赏伎杉?/div>
在进线的220V~处加TVS管抑制220V~交流电网中尖峰干扰。
在变压器进线加上干扰滤波器,滤除小尖峰干扰。
在变压输出端V~=20V处又加上TVS管,再一次抑制干扰。
到了直流10V输出时还加上TVS管抑制干扰。
其中:双向TVS管D1的VRWM=220V~×1.4=308V左右
双向TVS管D2的VRWM=20V~×1.4=28V左右
单向TVS管D3的VRWM=10V~×1.2=12V左右
经过如上四次抑制,变成所谓的“净化电源”,还可以加上其它措施,更有效地抑制干扰,防止干扰进入计算机的CPU及存贮器中,从而提高微机系统的应用可靠性。
从失效统计概率可知:微机系统产生100次故障,其中90次来自电源,10次是微机本身,可见电源的可靠性最重要,要提高整机可靠性,首先应提高电源的可靠性。
烜芯微专业制造二极管,三极管,MOS管,桥堆等20年,工厂直销省20%,4000家电路电器生产企业选用,专业的工程师帮您稳定好每一批产品,如果您有遇到什么需要帮助解决的,可以点击右边的工程师,或者点击销售经理给您精准的报价以及产品介绍
- 上一篇:二极管根据用途来分类
- 下一篇:双二极管钳位电路的原理介绍
相关阅读