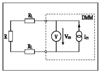
两线制电阻测量
仪器在测量未知电阻R时,要通过测试线向被测电阻发送电流,然后测量被测电阻R两端的压降,同时测试线的电阻RL也会产生较小的压降。在测量阻值较?。?kΩ)的电阻时,使用仪器的补偿模式来补偿电缆电阻将更为有利。
为了补偿测试线电阻,可先将测量线两端短接,然后按下补偿按钮,测试线和接触电阻所引起的所有误差将被消除。如果没有使用该校正方法,则获得的电阻值将总是位于右侧,因为测量结果中含有测量电路的寄生电阻。


两线制电阻测量的工作原理
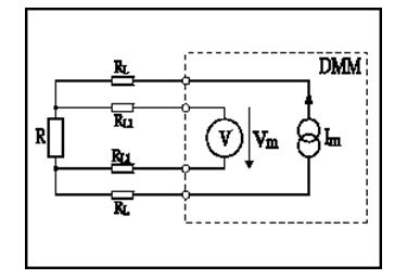
四线制电阻测量
小电阻的传统测量方法被称为四线制测量法或开尔文定律。采用这种测量法时,仪器同样提供精确的恒定电流,该方法使用另外两条测试线直接与被测电阻R相连,因而可以不受传送测量电流的两条测试线中产生的压降的影响而直接测量R两端压降。仪表上传送恒定电流的端子被成为源端子,用于直接测量被测电阻两端压降的仪表端子被成为感应端子。感应输入的输入电阻RL1阻值非常高,因而通过该输入电阻的电流极小,可以忽略不计。


四线制电阻测量的工作原理
烜芯微专业制造二极管,三极管,MOS管,桥堆等20年,工厂直销省20%,4000家电路电器生产企业选用,专业的工程师帮您稳定好每一批产品,如果您有遇到什么需要帮助解决的,可以点击右边的工程师,或者点击销售经理给您精准的报价以及产品介绍
