工欲善其事必先利其器,TVS选型之前,首选对TVS的参数要有个详细地了解。
TVS参数详解
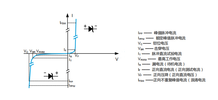
• VRWM :截止电压, TVS的最高工作电压,可连续施加而不引起TVS劣化或损坏状态下,达到的最大的直流电压或交流峰值电压。 在VRWM下,TVS是不工作的,不导通。
• VC:钳位电压,施加规定波形的峰值脉冲电流IPP时,TVS两端测得的峰值电压。
• VBR:击穿电压,是TVS管的最小雪崩电压。指在V-I特性曲线上,在规定的脉冲直流电流IT或接近发生雪崩的电流条件下测得TVS两端的电压。
• IR:漏电流,亦称待机电流。在规定温度和最高工作电压条件下,流过TVS的最大电流,其值是在截止电压下测量的。
• IPP: 峰值脉冲电流,一般在10/1000μs电流波形下的峰值。
• IT:测试电流。
• C:电容值,对于同功率等级的TVS而言,电压越低电容值就越大。在通信线路的防护中,尤其要注意TVS的电容值。
• 封装形式:从TVS的封装形式,可以看出其功率大小。TVS的芯片面积直接决定其功率等级。


TVS选型
1)要确定被保护电路中的最大直流或连续工作电压,电路的额定标准电压和“高端”容限;
2)TVS的额定瞬态功率要大于电路中可能出现的最大瞬态浪涌功率;
3)TVS的截止电压要大于被保护电路的最高工作电压;
4)TVS的最大钳位电压要小于后级被保护电路中的损坏电压;
5)确定好TVS最大箝位电压后,其峰值脉冲电流要大于瞬态浪涌电流;
6)对于数据接口的电路?;ぃ剐枳⒁庋∪【哂泻鲜实缛莸腡VS。比如:当信号频率或传输速率较高时,应选用低电容系列的TVS;


TVS选型事项
1)规格书手册给的只是特定脉宽下的吸收功率峰值,而实际电路中的脉冲宽度是变化不定,心里要有个数,对宽脉冲要降额应用;
2)对于小电流负载电路的?;?,要有意识地增加限流电阻;
3)要注意TVS二极管的稳态平均功率是否在安全范围之中;
4)要考虑温度变化,正常而言,瞬态抑制二极管在-55°C到150°C之间工作,电路中温度比较高的情况下要降额应用;
5)TVS瞬态抑制二极管的引线长短,要与被?;は呗废喽浴?/div>
6)针对数据接口或通信线路中的防护,要尽可能选取电容值比较小的TVS二极管。
7)直流保护电路大多选单向TVS管,交流?;さ缏反蠖嘌∷騎VS管、多路?;さ缏费VS阵列器件,大功率保护电路选专用?;つ??。
8)在使用TVS管过程中,考虑到TVS的离散性,尽量减少串/并数量。
烜芯微专业制造二极管,三极管,MOS管,桥堆等20年,工厂直销省20%,4000家电路电器生产企业选用,专业的工程师帮您稳定好每一批产品,如果您有遇到什么需要帮助解决的,可以点击右边的工程师,或者点击销售经理给您精准的报价以及产品介绍

- 上一篇:IGBT的结构和工作原理知识
- 下一篇:TVS管电压与电流的关系
相关阅读