电源运放的跟随器的工作特性,也可以实现精密全波整流。单电源供电的运放构成的跟随器,当输入信号大于0时,输出跟随输入变化。当输入信号小于0的时候,输出为0。利用这个特性可以构成如下的电路。


当输入为正电压时,等效电路如下:


输入电阻Rin = inf
输出电阻 Rout = 0
Vout = Vin
当输入为负电压时,等效电路如下:


输入电阻Rin = R1
输出电阻 Rout = 0
Vout = - R2/R1 * Vin
使用时要小心单电源运放在信号很小时的非线性。而且,单电源跟随器在负信号输入时也有非线性。这些都会导致输入波形的失真。另外,输入电阻随输入信号的极性也会发生变化,如果R1、R2 不相等,则增益也随输入信号的极性变化。
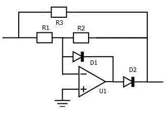
利用单运放构成的精密全波整流电路主要有两种,一种称之为 T 型,另一种称为△型。
T 型精密全波整流电路的原理图如下。


图1 T型精密全波整流电路
上面电路中 R1 = R3 = 2*R2
当输入为正电压时,D1 导通D2截止,这时运放的作用就是将R3的下端的电位钳位在 0 V,整个电路可以简化为三个电阻的电阻网络。
输入电阻:Rin = R1 + (R2+Rz)||R3 > R1 + R2 || R3, Rz 为负载内阻
输出电阻:Rout = (R1+Ri)||R3+ R2,Ri 为信号源内阻
开路输出电压:Vout =Vin/2
当输入为负电压时,D1 截止,D2导通,就是个放大倍数为-0.5 的反向放大电路。
输入电阻:Rin = R1
输出电阻:Rout = 0
Vout = Vin /2
因此,功能为全波整流,也就是绝对值运算。这个电路的缺点在于输入输出电阻随信号极性变化。
△型电路如下,其中R1 = 2*R2=2*R3:


图2 单运放精密全波整流电路(△型)
原理与T型差不多,输入为正电压时,D1 导通,D2截止。相当于个电阻分压网络。
开路输出电压:Vout = Vin / 2
输入输出阻抗的计算很简单,这里就不计算了。
输入为负电压时D1截止,D2导通。就是个反向放大电路,这时R3其实也没有什么真正的作用。
这个电路的特点和 T型差不多。输入、输出阻抗随输入信号极性变化,都不是很理想。但是只用了一个运放,电路结构简单。
烜芯微专业制造二极管,三极管,MOS管,桥堆等20年,工厂直销省20%,4000家电路电器生产企业选用,专业的工程师帮您稳定好每一批产品,如果您有遇到什么需要帮助解决的,可以点击右边的工程师,或者点击销售经理给您精准的报价以及产品介绍
烜芯微专业制造二极管,三极管,MOS管,桥堆等20年,工厂直销省20%,4000家电路电器生产企业选用,专业的工程师帮您稳定好每一批产品,如果您有遇到什么需要帮助解决的,可以点击右边的工程师,或者点击销售经理给您精准的报价以及产品介绍