同城上门服务约,同城月抛200一晚,24小时QQ快餐学生,同城300快餐不限次数

您好!欢迎光临烜芯微科技品牌官网!

深圳市烜芯微科技有限公司

ShenZhen XuanXinWei Technoligy Co.,Ltd
二极管、三极管、MOS管、桥堆

全国服务热线:18923864027

  • 热门关键词:
  • 桥堆
  • 场效应管
  • 三极管
  • 二极管
  • 模块电源常用的四种MOSFET驱动电路介绍
    • 发布时间:2020-12-10 18:37:49
    • 来源:
    • 阅读次数:
    ??榈缭闯S玫乃闹諱OSFET驱动电路介绍
    MOSFET又叫场效应管,输入电阻极大,兆欧级的,容易驱动,因导通内阻低、开关速度快等优点而广泛应用于开关电源中。在使用MOSFET设计开关电源时,大部分人都会考虑导通电阻、最大电压、最大电流,常根据电源IC和MOSFET的参数来选择合适的电路。但很多时候仅仅考虑了这些因素并不是一个好的设计方案,还应考虑本身寄生的参数。Mos管驱动电路,驱动脚输出的峰值电流,上升速率等都会影响MOSFET的开关性能。下面介绍下??榈缭粗谐S玫募钢諱OSFET驱动电路。
    1、电源IC直接驱动MOSFET:
    电源IC直接驱动是我们最常用的驱动方式,同时也是最简单的驱动方式,使用这种驱动方式的模块电源,应该注意几个参数以及这些参数的影响。
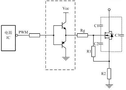
    ??榈缭闯S玫乃闹諱OSFET驱动电路
    1、查看一下电源IC手册,其最大驱动峰值电流,因为不同芯片,驱动能力很多时候是不一样的。
    2、了解一下MOSFET的寄生电容,如上图中C1、C2的值。如果C1、C2的值比较大,MOS管导通的需要的能量就比较大,如果电源IC没有比较大的驱动峰值电流,那么管子导通的速度就比较慢。如果驱动能力不足,上升沿可能出现高频振荡,即使把上图中Rg减小也不能解决问题。IC驱动能力、MOS寄生电容大小、MOS管开关速度等因素,都影响驱动电阻阻值的选择,所以Rg并不能无限减小。
    2、电源IC驱动能力不足时:
    如果选择MOS管寄生电容比较大,电源IC内部的驱动能力又不足时,需要在驱动电路上增强驱动能力,常用图腾柱电路增加电源IC驱动能力,如下图所示:
    ??榈缭闯S玫乃闹諱OSFET驱动电路
    这种驱动电路作用在于提升电流提供能力,迅速完成对于栅极输入电容电荷的充电过程。这种拓扑增加了导通所需要的时间,但是减少了关断时间,开关管能快速开通且避免上升沿的高频振荡。
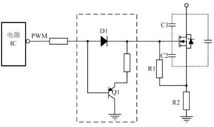
    3、驱动电路加速MOS管关断时间:
    关断瞬间驱动电路能提供一个尽可能低阻抗的通路供MOSFET栅源极间电容电压快速泄放,保证开关管能快速关断。为使栅源极间电容电压的快速泄放,常在驱动电阻上并联一个电阻和一个二极管。
    ??榈缭闯S玫乃闹諱OSFET驱动电路
    如上图所示:其中D1常用的是快恢复二极管,这使关断时间减小,同时减小关断时的损耗。Rg2是防止关断的时电流过大,把电源IC给烧掉。
    在介绍第二种的图腾柱电路也有加快关断作用,当电源IC的驱动能力足够时,对电路改进可以加速MOS管关断时间。
    ??榈缭闯S玫乃闹諱OSFET驱动电路
    如上图所示:用三极管来泄放栅源极间电容电压是比较常见的。如果Q1的发射极没有电阻,当PNP三极管导通时,栅源极间电容短接,达到最短时间内把电荷放完,最大限度减小关断时的交叉损耗。与上面拓扑相比较,还有一个好处,就是栅源极间电容上的电荷泄放时电流不经过电源IC,提高了??榈缭纯煽啃?。
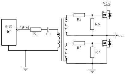
    4、隔离驱动:
    ??榈缭闯S玫乃闹諱OSFET驱动电路
    为了满足上图所示高端MOS管的驱动,经?;岵捎帽溲蛊髑惺蔽寺惆踩衾胍彩褂帽溲蛊髑?。其中R1目的是抑制PCB板上寄生的电感与C1形成LC振荡,C1的目的是隔开直流,通过交流,同时也能防止磁芯饱和。
    一个好的MOSFET驱动电路主要有以下五种要求:
    1、开关管开通瞬时,驱动电路应能提供足够大的充电电流使MOSFET栅源极间电压迅速上升到所需值,保证开关管能快速开通且不存在上升沿的高频振荡。
    2、开关导通期间驱动电路能保证MOSFET栅源极间电压保持稳定且可靠导通。
    3、关断瞬间驱动电路能提供一个尽可能低阻抗的通路供MOSFET栅源极间电容电压的快速泄放,保证开关管能快速关断。
    4、驱动电路结构简单可靠、损耗小。
    5、根据情况施加隔离。
    ??榈缭粗械腗OSFET驱动电路还有很多其它形式的驱动电路,对于各种各样的驱动电路并没有一种驱动电路是最好的,只有结合具体应用,选择最合适的驱动。
    烜芯微专业制造二极管,三极管,MOS管,桥堆等20年,工厂直销省20%,4000家电路电器生产企业选用,专业的工程师帮您稳定好每一批产品,如果您有遇到什么需要帮助解决的,可以点击右边的工程师,或者点击销售经理给您精准的报价以及产品介绍
    相关阅读