判定MOS管的带载能力的方法
MOS管简单模型

MOS管的带载能力与漏源电流和内阻息息相关。漏源电流越大,内阻越小,MOS管的带载能力越强。分析如下:
MOSFET在导通之后,其特性可以近似认为是一个电阻,VCC→RDS(on) →RL→GND形成回路。

按照电阻分压原理,串联电路中的分压与阻值成正比,电阻值越大分得的电压越多。
所以内阻越小,它在同样的电源消耗条件下对于相同阻抗的负载来说所分走并消耗在自身上的电压越低,而负载上的电压越高,可以带起功率更大的负载来。
内阻越大,管子自身消耗的功率越多,管子越容易发热,寿命变短,甚至炸裂。内阻越小,负载产生的分压越多,获得的能量就越大,说明带载能力越强,所以一般选用内阻较低的MOS管。
当驱动电压为10V,导通电阻为0.12Ω。内阻RDS(on)跟什么有关呢?
1.MOS的导通电阻随温度上升而上升,下图显示该MOS的导通电阻在结温为130℃的时候,为20℃时候的2倍。

2.从下图可以看到,驱动电压越高,实际上导通电阻略大,而且最大导通电流也略大。根据经验,一般Vgs设为12V左右。

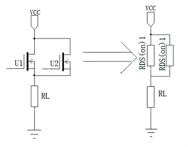
如何增强MOS管的带载能力呢?除了选择本身漏源电流比较大MOS管外,还可以采用MOS管并联的方式。

并联时自动均流,相当于把原来的电流平均分成两等分,分别加在两个MOS管上。也可以理解为并联后内阻减小为原来的一半,可以驱动更重的负载。
一般大功率的功放用MOSFET管,因为它的内阻更小。反过来说的话,如果负载内阻小了,那么如果放大器输出阻抗不变的话,放大器末级管子所分得的电压比例就会上升;
所以现在的音响正是因为有了低内阻的MOS管,才得以向小阻抗的负载发展,以得到更好的动态效果。
带载能力
带负载能力如是指电路中的,那就是和它的最大输能力有关,并还要进行最适宜的阻抗匹配,也就是尽量做到外阻抗正好等于内阻抗时才可达到最大出功率。
一般的测量是看它的失真度,也可这说,同一电路在外条件(器件功率,耐压,散热,电源,激励,……)都够时那电源电压越高它的带负载能力越大。
电路中带载是指明确了某一输出(某个元件看作负载),能够满足此元件工作要求的能力,比如电压、电流的能力称为带载能力。
烜芯微专业制造二极管,三极管,MOS管,桥堆等20年,工厂直销省20%,4000家电路电器生产企业选用,专业的工程师帮您稳定好每一批产品,如果您有遇到什么需要帮助解决的,可以点击右边的工程师,或者点击销售经理给您精准的报价以及产品介绍
烜芯微专业制造二极管,三极管,MOS管,桥堆等20年,工厂直销省20%,4000家电路电器生产企业选用,专业的工程师帮您稳定好每一批产品,如果您有遇到什么需要帮助解决的,可以点击右边的工程师,或者点击销售经理给您精准的报价以及产品介绍