场效应管的恒流源
恒流源在现代计量测试领域应用十分广泛,文献有提到使用恒流源供电可提高标准灯的稳定性;文献中提到用恒流源测电阻比用伏安法精度更高。恒流源按照恒流器件不同可分为晶体管恒流源集成电路恒流源、场效应管恒流源。
晶体管恒流源的电流控制器件稳流精度不高;集成电路恒流源适合小电流恒流但很难做大;场效应管是一种电压控制器件,它的输人电阻非常高。栅极几乎不取电流,非常适合作恒流源的调整管。本设计用P沟道增强型场效应管设计的恒流源精度优于0.5%。
恒流原理

图1是场效应管的转移特性和输出特性。从转移特性曲线上,我们知道场效应管的漏源电流I由它的栅源电压决定;在输出特性曲线上,场效应管工作可以分为四个区:可变电阻区、恒流区(放大区)、击穿区、夹断区。
在可变电阻区漏源电流随漏源电压、栅源电压的增大而增加;在恒流区漏源电流为恒定值,其大小由栅源电压控制,随着漏源电压的继续增大场效应管进入击穿区,管子会损坏,当栅源电压低于管子的开启电压时,管子进入夹断区,漏极源极上几乎没有电流流过。因此只要让管子工作在恒流区,就能实现恒流,并且改变栅源电压就能改变恒流的大小。
场效应管恒流源电路图一
如图,其中分压电阻和稳压管为场效应管的栅极提供一个固定的基准电压。

场效应管恒流源电路图二
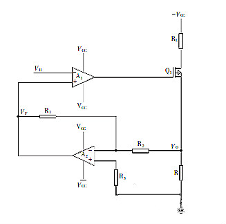
基于场效应管的恒流源电路原理图如下图所示,电流经过采样电阻转换为采样电压。采样电压经运放A2反向放大后作为反馈电压VF送入运放A1的同相端,与基准电压VR进行比较,对栅极电压进行调整,从而对输出电流进行调整,使整个闭环反馈系统处于动态平衡中,以达到稳定输出电流的目的。
如果输出电流增大,则采样电阻上的采样电压随之增大,反馈电压VF也增大,运放A1同相端电压增大,而基准电压不变,运放A1的输出电压为(VF-VR)K(K为运放A1的开环增益),因此运放A1的输出电压降低,栅极电压下降从而使输出电流下降,使输出电流保持稳定。

场效应管恒流源电路图三

场效应管属于电压控制元件,这一点类似于电子管的三极管,但它的构造与工作原理和电子管是截然不同的,与双极型晶体管相比,场效应晶体管具有如下特点:
(1)场效应管是电压控制器件,它通过UGS来控制ID;
(2)场效应管的输入端电流极小,因此它的输入电阻很大。
(3)它是利用多数载流子导电,因此它的温度稳定性较好;
(4)它组成的放大电路的电压放大系数要小于三极管组成放大电路的电压放大系数;
(5)场效应管的抗辐射能力强;
(6)由于不存在杂乱运动的少子扩散引起的散粒噪声,所以噪声低。
烜芯微专业制造二极管,三极管,MOS管,桥堆等20年,工厂直销省20%,4000家电路电器生产企业选用,专业的工程师帮您稳定好每一批产品,如果您有遇到什么需要帮助解决的,可以点击右边的工程师,或者点击销售经理给您精准的报价以及产品介绍
烜芯微专业制造二极管,三极管,MOS管,桥堆等20年,工厂直销省20%,4000家电路电器生产企业选用,专业的工程师帮您稳定好每一批产品,如果您有遇到什么需要帮助解决的,可以点击右边的工程师,或者点击销售经理给您精准的报价以及产品介绍