同城上门服务约,同城月抛200一晚,24小时QQ快餐学生,同城300快餐不限次数

您好!欢迎光临烜芯微科技品牌官网!

深圳市烜芯微科技有限公司

ShenZhen XuanXinWei Technoligy Co.,Ltd
二极管、三极管、MOS管、桥堆

全国服务热线:18923864027

  • 热门关键词:
  • 桥堆
  • 场效应管
  • 三极管
  • 二极管
  • 场效应管(MOSFET)N、P沟道区分与导通条件详解
    • 发布时间:2020-11-10 17:30:22
    • 来源:
    • 阅读次数:
    场效应管(MOSFET)N、P沟道区分与导通条件详解
    场效应管(MOSFET)N、P沟道区分与导通条件
    场效应管N、P沟道区分及导通:如何区分场效应管是N沟道还是P沟道?  答:在电路图中N沟道的MOS管箭头是向内侧指向,P沟道的箭头是向外侧指向的。
    场效应管N、P沟道区分与导通
    N沟道的测量方法是:万用表打到二极管档,红表笔接S极,黑表笔接D极,测到400到800的阻值就可以判断这个MOS管是N沟道的。P沟道的测量方法是:万用表打到二极管档,红表笔接D极,黑表笔接S极,测到400-800的阻值可以判断这个MOS管是P沟道的。(用表笔二极管档测s极和D极的一组数值(600-800)红S黑D是N沟道黑S红D是P沟道)。
    场效应管N、P沟道区分及导通:场效应管分为N沟道和P沟道,它的导通条件分别是什么?  答:都是靠在G极上加一个触发电压,使N极与D极导通。对N沟道G极电压为+极性。对P沟道的G极电压为-极性。
    场效应管N、P沟道区分及导通:场效应管的导通与截止由栅源电压来控制,对于增强型场效应管来说,N沟道的管子加正向电压即导通,P沟道的管子则加反向电压。一般2V~4V就可以了。  但是,场效应管分为增强型(??停┖秃木⌒停ǔ1招停?,增强型的管子是需要加电压才能导通的,而耗尽型管子本来就处于导通状态,加栅源电压是为了使其截止。
    开关只有两种状态通和断,三极管和场效应管工作有三种状态,1、截止,2、线性放大,3、饱和(基极电流继续增加而集电极电流不再增加)。使晶体管只工作在1和3状态的电路称之为开关电路,一般以晶体管截止,集电极不吸收电流表示关;以晶体管饱和,发射极和集电极之间的电压差接近于0V时表示开。开关电路用于数字电路时,输出电位接近0V时表示0,输出电位接近电源电压时表示1。所以数字集成电路内部的晶体管都工作在开关状态。
    场效应管N、P沟道区分与导通
    N沟MOS晶体管
    金属-氧化物-半导体(Metal-Oxide-SemIConductor)结构的晶体管简称MOS晶体管,有P型MOS管和N型MOS管之分。MOS管构成的集成电路称为MOS集成电路,而PMOS管和NMOS管共同构成的互补型MOS集成电路即为CMOS集成电路。由p型衬底和两个高浓度n扩散区构成的MOS管叫作n沟道MOS管,该管导通时在两个高浓度n扩散区间形成n型导电沟道。
    n沟道增强型MOS管必须在栅极上施加正向偏压,且只有栅源电压大于阈值电压时才有导电沟道产生的n沟道MOS管。n沟道耗尽型MOS管是指在不加栅压(栅源电压为零)时,就有导电沟道产生的n沟道MOS管。
    NMOS集成电路是N沟道MOS电路,NMOS集成电路的输入阻抗很高,基本上不需要吸收电流,因此,CMOS与NMOS集成电路连接时不必考虑电流的负载问题。NMOS集成电路大多采用单组正电源供电,并且以5V为多。CMOS集成电路只要选用与NMOS集成电路相同的电源,就可与NMOS集成电路直接连接。
    不过,从NMOS到CMOS直接连接时,由于NMOS输出的高电平低于CMOS集成电路的输入高电平,因而需要使用一个(电位)上拉电阻R,R的取值一般选用2~100KΩ。N沟道增强型MOS管的结构在一块掺杂浓度较低的P型硅衬底上,制作两个高掺杂浓度的N+区,并用金属铝引出两个电极,分别作漏极d和源极s。
    然后在半导体表面覆盖一层很薄的二氧化硅(SiO2)绝缘层,在漏——源极间的绝缘层上再装上一个铝电极,作为栅极g。在衬底上也引出一个电极B,这就构成了一个N沟道增强型MOS管。
    MOS管的源极和衬底通常是接在一起的(大多数管子在出厂前已连接好)。它的栅极与其它电极间是绝缘的。图(a)、(b)分别是它的结构示意图和代表符号。代表符号中的箭头方向表示由P(衬底)指向N(沟道)。P沟道增强型MOS管的箭头方向与上述相反,如图(c)所示。
    场效应管N、P沟道区分与导通
    N沟道增强型MOS管的工作原理
    (1)vGS对iD及沟道的控制作用
    ① vGS=0 的情况从图1(a)可以看出,增强型MOS管的漏极d和源极s之间有两个背靠背的PN结。当栅——源电压vGS=0时,即使加上漏——源电压vDS,而且不论vDS的极性如何,总有一个PN结处于反偏状态,漏—源极间没有导电沟道,所以这时漏极电流iD≈0。
    ② vGS>0 的情况若vGS>0,则栅极和衬底之间的SiO2绝缘层中便产生一个电场。电场方向垂直于半导体表面的由栅极指向衬底的电场。这个电场能排斥空穴而吸引电子。
    排斥空穴:使栅极附近的P型衬底中的空穴被排斥,剩下不能移动的受主离子(负离子),形成耗尽层。吸引电子:将 P型衬底中的电子(少子)被吸引到衬底表面。
    (2)导电沟道的形成:
    当vGS数值较小,吸引电子的能力不强时,漏——源极之间仍无导电沟道出现,如图1(b)所示。vGS增加时,吸引到P衬底表面层的电子就增多,当vGS达到某一数值时,这些电子在栅极附近的P衬底表面便形成一个N型薄层,且与两个N+区相连通,在漏——源极间形成N型导电沟道,其导电类型与P衬底相反,故又称为反型层,如图1(c)所示。
    vGS越大,作用于半导体表面的电场就越强,吸引到P衬底表面的电子就越多,导电沟道越厚,沟道电阻越小??夹纬晒档朗钡恼?mdash;—源极电压称为开启电压,用VT表示。上面讨论的N沟道MOS管在vGS<VT时,不能形成导电沟道,管子处于截止状态。只有当vGS≥VT时,才有沟道形成。这种必须在vGS≥VT时才能形成导电沟道的MOS管称为增强型MOS管。沟道形成以后,在漏—源极间加上正向电压vDS,就有漏极电流产生。
    vDS对iD的影响
    场效应管N、P沟道区分与导通
    如图(a)所示,当vGS>VT且为一确定值时,漏——源电压vDS对导电沟道及电流iD的影响与结型场效应管相似。漏极电流iD沿沟道产生的电压降使沟道内各点与栅极间的电压不再相等,靠近源极一端的电压最大,这里沟道最厚,而漏极一端电压最小,其值为VGD=vGS-vDS,因而这里沟道最薄。
    但当vDS较?。╲DS随着vDS的增大,靠近漏极的沟道越来越薄,当vDS增加到使VGD=vGS-vDS=VT(或vDS=vGS-VT)时,沟道在漏极一端出现预夹断,如图2(b)所示。再继续增大vDS,夹断点将向源极方向移动,如图2(c)所示。由于vDS的增加部分几乎全部降落在夹断区,故iD几乎不随vDS增大而增加,管子进入饱和区,iD几乎仅由vGS决定。N沟道增强型MOS管的特性曲线、电流方程及参数(1)特性曲线和电流方程
    场效应管N、P沟道区分与导通
    (1)输出特性曲线N沟道增强型MOS管的输出特性曲线如图1(a)所示。与结型场效应管一样,其输出特性曲线也可分为可变电阻区、饱和区、截止区和击穿区几部分。
    (2)转移特性曲线转移特性曲线如图1(b)所示,由于场效应管作放大器件使用时是工作在饱和区(恒流区),此时iD几乎不随vDS而变化,即不同的vDS所对应的转移特性曲线几乎是重合的,所以可用vDS大于某一数值(vDS>vGS-VT)后的一条转移特性曲线代替饱和区的所有转移特性曲线。3)iD与vGS的近似关系与结型场效应管相类似。在饱和区内,iD与vGS的近似关系式为
    场效应管N、P沟道区分与导通
    式中IDO是vGS=2VT时的漏极电流iD。(2)参数MOS管的主要参数与结型场效应管基本相同,只是增强型MOS管中不用夹断电压VP ,而用开启电压VT表征管子的特性。N沟道耗尽型MOS管的基本结构
    场效应管N、P沟道区分与导通
    (1)结构:N沟道耗尽型MOS管与N沟道增强型MOS管基本相似。
    (2)区别:耗尽型MOS管在vGS=0时,漏——源极间已有导电沟道产生,而增强型MOS管要在vGS≥VT时才出现导电沟道。
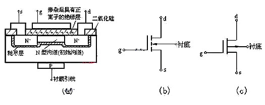
    (3)原因:制造N沟道耗尽型MOS管时,在SiO2绝缘层中掺入了大量的碱金属正离子Na+或K+(制造P沟道耗尽型MOS管时掺入负离子),如图1(a)所示,因此即使vGS=0时,在这些正离子产生的电场作用下,漏——源极间的P型衬底表面也能感应生成N沟道(称为初始沟道),只要加上正向电压vDS,就有电流iD。
    如果加上正的vGS,栅极与N沟道间的电场将在沟道中吸引来更多的电子,沟道加宽,沟道电阻变小,iD增大。反之vGS为负时,沟道中感应的电子减少,沟道变窄,沟道电阻变大,iD减小。当vGS负向增加到某一数值时,导电沟道消失,iD趋于零,管子截止,故称为耗尽型。沟道消失时的栅-源电压称为夹断电压,仍用VP表示。
    P沟MOS晶体管
    金属氧化物半导体场效应(MOS)晶体管可分为N沟道与P沟道两大类,P沟道硅MOS场效应晶体管在N型硅衬底上有两个P+区,分别叫做源极和漏极,两极之间不通导,柵极上加有足够的正电压(源极接地)时,柵极下的N型硅表面呈现P型反型层,成为连接源极和漏极的沟道。
    改变栅压可以改变沟道中的电子密度,从而改变沟道的电阻。这种MOS场效应晶体管称为P沟道增强型场效应晶体管。如果N型硅衬底表面不加栅压就已存在P型反型层沟道,加上适当的偏压,可使沟道的电阻增大或减小。这样的MOS场效应晶体管称为P沟道耗尽型场效应晶体管。统称为PMOS晶体管。
    P沟道MOS晶体管的空穴迁移率低,因而在MOS晶体管的几何尺寸和工作电压绝对值相等的情况下,PMOS晶体管的跨导小于N沟道MOS晶体管。此外,P沟道MOS晶体管阈值电压的绝对值一般偏高,要求有较高的工作电压。
    它的供电电源的电压大小和极性,与双极型晶体管——晶体管逻辑电路不兼容。PMOS因逻辑摆幅大,充电放电过程长,加之器件跨导小,所以工作速度更低,在NMOS电路(见N沟道金属—氧化物—半导体集成电路)出现之后,多数已为NMOS电路所取代。
    只是,因PMOS电路工艺简单,价格便宜,有些中规模和小规模数字控制电路仍采用PMOS电路技术。PMOS集成电路是一种适合在低速、低频领域内应用的器件。PMOS集成电路采用-24V电压供电。如图5所示的CMOS-PMOS接口电路采用两种电源供电。采用直接接口方式,一般CMOS的电源电压选择在10~12V就能满足PMOS对输入电平的要求。
    场效应管N、P沟道区分与导通
    烜芯微专业制造二极管,三极管,MOS管,桥堆等20年,工厂直销省20%,4000家电路电器生产企业选用,专业的工程师帮您稳定好每一批产品,如果您有遇到什么需要帮助解决的,可以点击右边的工程师,或者点击销售经理给您精准的报价以及产品介绍
    相关阅读