N沟道增强型场效应管知识
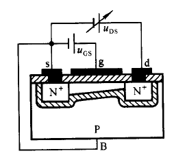
N沟道增强型场效应管结构如下图所示:

N沟道增强型
连接 s 极和衬底,在 s 和 g 之间施加正向电压 Ugs,如下图所示:

排斥
此时,正电压排斥衬底中的空穴,使靠近金属的衬底形成负离子层;同时,PN 结正向偏执,N 中的自由电子吸引到负离子层。
此时,在 s 和 d 之间形成了一个 N 型沟道,称为反型层,如下图所示:

反型层
能够使沟道形成的电压称为开启电压,表示为 UGS。
沟道形成后,在 d 和 s 之间加正电压,d 会有电流产生。如下图所示:

漏电流
但是,当 d 和 s 间电压增大时,g 和 d 间电压减小,d 极 PN 结偏置被减弱,沟道开始变窄,直至当 Uds = UGS 时,出现夹断,称为预夹断,如下图所示:

预夹断
此时,再增加 d 、s 间电压,电流也不会有明显变化。
N沟道增强型场效应管输出特性曲线如下图所示:

输出特性曲线
在可变电阻区,Ugs 和 Uds 都会对输出漏电流产生影响。而在恒流区,仅 Ugs 对漏电流产生影响。
值得一提的是,当 MOS 管处于恒流区时,漏电流相当于一个由 Ugs 控制的电流源。
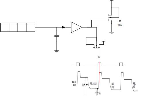
在 CCD 的读出中,使用到了这一结构:

CCD
这与「CCD 的输出相当于电流源」的结论吻合。

三极管2
上图中第二个三极管(下)用于清空电平,当三极管导通,s 极电子流向 d。反映在三极管的输出信号上,g 为高电平时,就是 CCD 输出信号参考电平前的峰值。

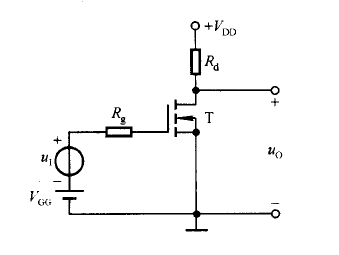
共源极放大电路
上图为经典的共源极放大电路。
烜芯微专业制造二极管,三极管,MOS管,桥堆等20年,工厂直销省20%,4000家电路电器生产企业选用,专业的工程师帮您稳定好每一批产品,如果您有遇到什么需要帮助解决的,可以点击右边的工程师,或者点击销售经理给您精准的报价以及产品介绍
烜芯微专业制造二极管,三极管,MOS管,桥堆等20年,工厂直销省20%,4000家电路电器生产企业选用,专业的工程师帮您稳定好每一批产品,如果您有遇到什么需要帮助解决的,可以点击右边的工程师,或者点击销售经理给您精准的报价以及产品介绍