MOS管自举电路工作原理与升压自举电路结构图
MOS管自举电路介绍:
自举电路也叫升压电路,是利用自举升压二极管,自举升压电容等电子元件,使电容放电电压和电源电压叠加,从而使电压升高。有的电路升高的电压能达到数倍电源电压。
MOS管自举电路原理:
举个简单的例子:有一个12V的电路,电路中有一个场效应管需要15V的驱动电压,这个电压怎么弄出来?就是用自举。通常用一个电容和一个二极管,电容存储电荷,二极管防止电流倒灌,频率较高的时候,自举电路的电压就是电路输入的电压加上电容上的电压,起到升压的作用。
自举电路只是在实践中定的名称,在理论上没有这个概念。自举电路主要是在甲乙类单电源互补对称电路中使用较为普遍。甲乙类单电源互补对称电路在理论上可以使输出电压Vo达到Vcc的一半,但在实际的测试中,输出电压远达不到Vcc的一半。其中重要的原因就需要一个高于Vcc的电压。所以采用自举电路来升压。
常用自举电路(摘自fairchild,使用说明书AN-6076《供高电压栅极驱动器IC 使用的自举电路的设计和使用准则》)the boost converter,或者叫step-up converter,是一种开关直流升压电路,它可以是输出电压比输入电压高。假定那个开关(三极管或者mos管)已经断开了很长时间,所有的元件都处于理想状态,电容电压等于输入电压。下面要分充电和放电两个部分来说明这个电路。
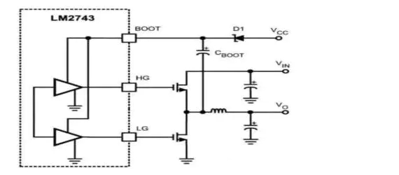
MOS管自举电容工作原理:
自举电容,内部高端MOS需要得到高出IC的VCC的电压,通过自举电路升压得到,比VCC高的电压,否则,高端MOS无法驱动。
自举是指通过开关电源MOS管和电容组成的升压电路,通过电源对电容充电致其电压高于VCC。最简单的自举电路由一个电容构成,为了防止升高后的电压回灌到原始的输入电压,会加一个Diode.自举的好处在于利用电容两端电压不能突变的特性来升高电压。举个例子来说,如果MOS的Drink极电压为12V,Source极电压原为0V,Gate极驱动电压也为12V,那么当MOS在导通瞬间,Soure极电压会升高为Drink减压减去一个很小的导通压降,那么Vgs电压会接近于0V,MOS在导通瞬间后又会关断,再导通,再关断。如此下去,长时间在MOS的Drink极与Source间通过的是一个N倍于工作频率的高频脉冲,这样的脉冲尖峰在MOS上会产生过大的电压应力,很快MOS管会被损坏。如果在MOS的Gate与Source间接入一个小电容,在MOS未导通时给电容充电,在MOS导通,Source电压升高后,自动将Gate极电压升高,便可使MOS保持继续导通。




mos管升压自举电路原理:
自举电路也叫升压电路,利用自举升压二极管,自举升压电容等电子元件,使电容放电电压和电源电压叠加,从而使电压升高。有的电路升高的电压能达到数倍电源电压。
MOS管升压电路原理
举个简单的例子:有一个12V的电路,电路中有一个场效应管需要15V的驱动电压,这个电压怎么弄出来?就是用自举。通常用一个电容和一个二极管,电容存储电压,二极管防止电流倒灌,频率较高的时候,自举电路的电压就是电路输入的电压加上电容上的电压,起到升压的作用。
升压电路只是在实践中定的名称,在理论上没有这个概念。升压电路主要是在甲乙类单电源互补对称电路中使用较为普遍。甲乙类单电源互补对称电路在理论上可以使输出电压Vo达到Vcc的一半,但在实际的测试中,输出电压远达不到Vcc的一半。其中重要的原因就需要一个高于Vcc的电压。所以采用升压电路来升压。
开关直流升压电路(即所谓的boost或者step-up电路)原理the boost converter,或者叫step-up converter,是一种开关直流升压电路,它可以是输出电压比输入电压高?;镜缏吠技?.


假定那个开关(三极管或者mos管)已经断开了很长时间,所有的元件都处于理想状态,电容电压等于输入电压。下面要分充电和放电两个部分来说明这个电路。
mos管充电过程介绍:
在充电过程中,开关闭合(三极管导通),等效电路如图二,开关(三极管)处用导线代替。这时,输入电压流过电感。二极管防止电容对地放电。由于输入是直流电,所以电感上的电流以一定的比率线性增加,这个比率跟电感大小有关。随着电感电流增加,电感里储存了一些能量。


mos管放电过程
如图,这是当开关断开(三极管截止)时的等效电路。当开关断开(三极管截止)时,由于电感的电流 保持特性,流经电感的电流不会马上变为0,而是缓慢的由充电完毕时的值变为0。而原来的电路已断开,于是电感只能通过新电路放电,即电感开始给电容充电, 电容两端电压升高,此时电压已经高于输入电压了。升压完毕。


说起来升压过程就是一个电感的能量传递过程。充电时,电感吸收能量,放电时电感放出能量。如果电容量足够大,那么在输出端就可以在放电过程中保持一个持续的电流。如果这个通断的过程不断重复,就可以在电容两端得到高于输入电压的电压。


【mos管常用升压电路】
mos管P 沟道高端栅极驱动器
直接式驱动器:适用于最大输入电压小于器件的栅- 源极击穿电压。
开放式收集器:方法简单,但是不适用于直接驱动高速电路中的MOSFET。
电平转换驱动器:适用于高速应用,能够与常见PWM 控制器无缝式工作。
mos管N 沟道高端栅极驱动器
直接式驱动器:MOSFET最简单的高端应用,由PWM 控制器或以地为基准的驱动器直接驱动,但它必须满足下面两个条件:
1、VCC<Vgs,max
2、Vdc<VCC-Vgs,miller
浮动电源栅极驱动器:独立电源的成本影响是很显著的。光耦合器相对昂贵,而且带宽有限,对噪声敏感。
变压器耦合式驱动器:在不确定的周期内充分控制栅极,但在某种程度上,限制了开关性能。但是,这是可以改善的,只是电路更复杂了。
电荷泵驱动器:对于开关应用,导通时间往往很长。由于电压倍增电路的效率低,可能需要更多低电压级泵。
自举式驱动器:简单,廉价,也有局限;例如,占空比和导通时间都受到刷新自举电容的限制。
烜芯微专业制造二极管,三极管,MOS管,桥堆等20年,工厂直销省20%,4000家电路电器生产企业选用,专业的工程师帮您稳定好每一批产品,如果您有遇到什么需要帮助解决的,可以点击右边的工程师,或者点击销售经理给您精准的报价以及产品介绍
烜芯微专业制造二极管,三极管,MOS管,桥堆等20年,工厂直销省20%,4000家电路电器生产企业选用,专业的工程师帮您稳定好每一批产品,如果您有遇到什么需要帮助解决的,可以点击右边的工程师,或者点击销售经理给您精准的报价以及产品介绍