几种常见的双电源装置介绍
做过市电的双电源切换配电箱,控制线路里添加继电器,再外接远程控制线实现主备电源远程切换和监控。自己画CAD图纸,和同事共同打孔、定位、安装、测试,不亦乐乎!当时刚工作,做完很有成就感。现在回想,其实也很简单,只要控制两个接触器的线圈就行了,实现两个交流市电切换。
在此总结一下自己身边有哪些双电源设备。
1、STS静态切换开关
静态切换开关使用晶闸管完成两个交流单无中断切换。维谛UPS内部,旁路与主路间是STS; 维谛STS,切换两个系统输出,即使两个电源不同步也可以无间断切换。


2、ATS自动转换开关
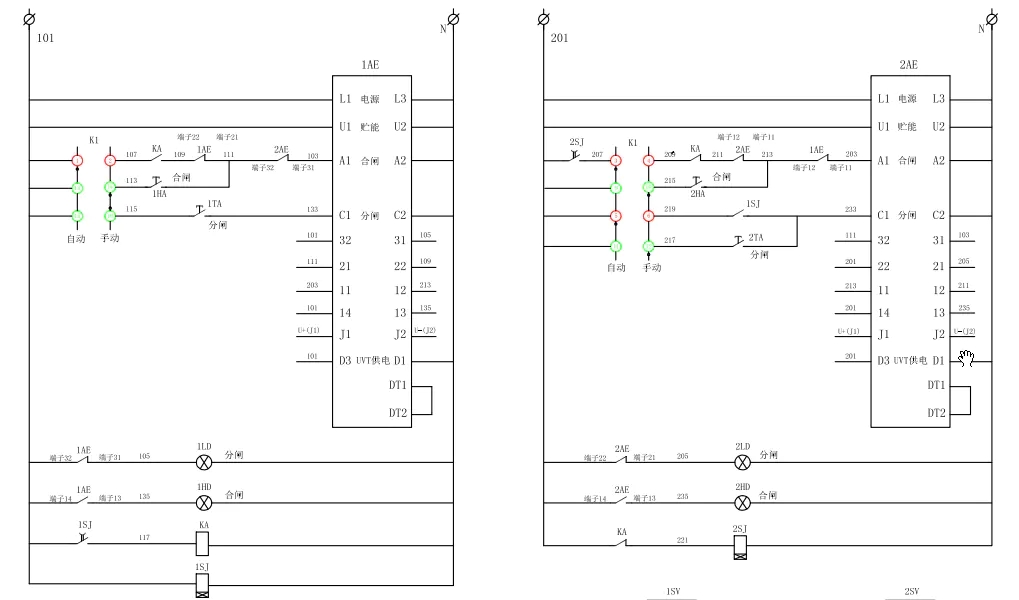
自动转换开关是机械开关,切换存在时间,切换时负载会中断。像配电箱一样,可以控制两个接触器来完成切换。大负载时,接触器往往容量受限,需要使用框架断路器,利用框架的控制线路来完成两路交流电切换,同时两个框架断路器还可以增加机械互锁功能。现有个三菱框架控制线路图,是当时更换框架断路器时,一步步找线理出来的图纸,请大家参考学习,看看控制功能。


3、二极管实现两路直流切换
在两个发电机的二次控制线路中,需要直流电源进行供电控制,但两个发电机有两组电池,需要选择一路供电。四个二极管搞定,谁电压高谁供电,但是二极管要选择功率稍大的电力二极管。


4、一个继电器切换两路交流电
控制线路需要从两路交流电选择一路,一个继电器可以简单完成这个功能。1号电源有电就有1号电源,无电就切换到2号电源。此方法是给二次控制线路供电,一次线路传递能量不可用。


5、交直流供电的通信设备
通信机房很多设备是交流和直流供电,交流是UPS输出,直流是直流电源输出。按照配置要求,直流电源不经过UPS。对于通信设备而言,其实交流接入后,里面的整流器会将交流变换为直流供电。现在讨论一下怎么保持交流电源为主用呢?没有拆卸过通信设备(太贵不敢拆),我的理解是和上面第3个二极管切换两路直流一样的,只是交流电整流输出的电压调节到比直流电源输出电压稍高,这样交流电就为主用了。交流电一掉电,直流电电压还在,保障通信设备电源不中断。不知道真实情况是不是这样,望指教。
在网络论坛上看到一则帖子,白天要太阳能供电,晚上市电整流供电,除非白天太阳能供电不足才市电供电。是不是可以套用上面的方法呢?
6、两路交流供电负载均衡
怎么负载均衡,就是两个交流电源电流接近。举例两个UPS组成并机系统,UPS输出要均流,怎么办呢。谁电压高谁强势,电流就往哪里走,那电流低了怎么办,微调高电压就行了。查看艾默生UPS手册,UPS并机时,输出可以增加均流电感,把两个UPS输出的阻抗拉到差不多,减少输出电缆电阻不一等不均流的因素。
烜芯微专业制造二极管,三极管,MOS管,桥堆等20年,工厂直销省20%,4000家电路电器生产企业选用,专业的工程师帮您稳定好每一批产品,如果您有遇到什么需要帮助解决的,可以点击右边的工程师,或者点击销售经理给您精准的报价以及产品介绍
