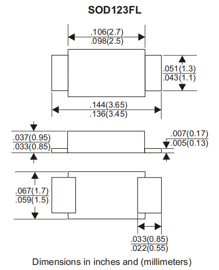
SOD123封装是海欧脚,引线从本体中间出来。
SOD123FL封装(DFLS240-7)是平脚,引线从本低底部出来。
这两种封装焊盘位置相同,生产工艺不同。SOD123封装一般常用于稳压管打金线工艺生产,SOD123FL封装常用于小体积大电流肖特基用框架工艺。这两种从生产效率及价格上各有不同。在稳压管上应用差别不同,稳压管属于小功率器件。

烜芯微专业制造二极管,三极管,MOS管,桥堆等20年,工厂直销省20%,4000家电路电器生产企业选用,专业的工程师帮您稳定好每一批产品,如果您有遇到什么需要帮助解决的,可以点击右边的工程师,或者点击销售经理给您精准的报价以及产品介绍

烜芯微专业制造二极管,三极管,MOS管,桥堆等20年,工厂直销省20%,4000家电路电器生产企业选用,专业的工程师帮您稳定好每一批产品,如果您有遇到什么需要帮助解决的,可以点击右边的工程师,或者点击销售经理给您精准的报价以及产品介绍