瞬态抑制二极管与压敏电阻-在开关电源中的应用及选型
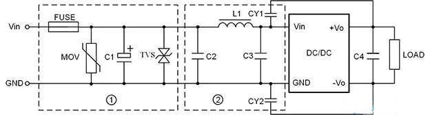
开关电源,作为产品系统供电核心,在电源设计时,往往需要外加电路防护措施来保障电源能够稳定供电。在开关电源应用中,为了确??氐缭吹墓┑缥榷ê偷缭幢旧淼陌踩?,一般会设计一些外围电路(浪涌冲击?;さ缏?、防静电?;さ缏贰⒋忌拧⒙龀迦嚎谷诺缏返龋┍;た氐缭丛谑褂霉讨胁皇芩鸷ΑN?,在外围电路保护设计的过程中,往往会选用到电路保护元器件TVS二极管和压敏电阻结合起来使用,从而起到多重保护的作用。那么,重点问题来,设计电源外围电路时,TVS瞬态抑制二极管和压敏电阻,该如何选型呢?


关于TVS管和压敏电阻,您知道多少?
TVS二极管是一种限压型的过压?;て骷詐S级的速度把过高的电压限制在一个安全范围之内,从而起到?;ず竺娴缏返淖饔?,广泛应用在半导体及敏感的电子零件过电压、ESD?;?、消费类产品、工业产品、通讯、电脑、汽车、电源供应器、信号线路?;ぜ熬?、 航天航空导航系统及控制系统上。烜芯微供应的TVS管有SMF、SMAJ、SMBJ、SMCJ、SMDJ、P4KE、SA、P6KE、1.5KE、3KP、5KP、SM8S、SM5S、SM6S、LDP、15KP,20KP,30KP、SAC,LCE、蓝宝宝浪涌抑制器BPSS等,所有产品通过一系列安全可靠的认证,如UL、无铅认证、符合IEC61000-4-2、IEC 61643-321:2001测试标准。
压敏电阻,主要应用于低压电器浪涌?;?,多为氧化锌压敏电阻。压敏电阻是以氧化锌为主体,掺杂多种金属氧化物,采用典型的电子陶瓷工艺制成的多晶半导体陶瓷元器件。压敏电阻主要有:05D、07D、10D、14D、20D、25D系列。致力于发展国产被动?;て骷?,取代国际品牌产品,可与威世、力特、安森美等知名品牌相媲美。满足客户高品质需求的同时,对常用被动保护器件现货直供,帮助广大客户节约时间、成本。对于有交期的物料,往往在7天以内能够及时供货。接下来,技术员重点论述:TVS二极管和压敏电阻是如何选型的?
TVS二极管选型,要知道的都在这里
1)确定被保护电路的最大直流或者连续工作电压、电路的额定标准电压和“高端”容限;
2)TVS额定反向关断VRWM应大于或者等于被?;さ缏返淖畲蠊ぷ鞯缪梗蝗粞∮玫腣RWM太低,器件可能进入雪崩或因反向漏电流太大而影响电路正常工作;
3)TVS的最大箝位电压应小于被保护电路的损坏电压;
4)在规定的脉冲持续时间内,TVS的最大峰值脉冲功耗要大于被?;さ缏纺诳赡艹鱿值姆逯德龀骞β?;在确定最大箝位电压后,其峰值脉冲电流应大于瞬态浪涌电流;
5)对于数据接口电路的?;?,还须注意选取合适电容值的TVS 器件;
6)根据用途选用TVS的极性、封装形式;一般交流电路选用双极性TVS管,多线?;ぱ∮肨VS阵列;


压敏电阻MOV选型,您不知道的都在这里
1)压敏电阻电压值要大于实际电路中的电压峰值,即连续施加在压敏电阻两端的电源电压,要小于压敏电阻规格书中的“最大持续工作电压值”;
2)压敏电阻的箝位电压要小于被?;ど璞赋惺艿淖畲蟮缪?;
3)压敏电阻的标称放电电流要大于线路中可能出现的最大浪涌电流;
4)对于高频率传输信号的线路,电容要尽量的??;
5)要考虑使用环境,具体要求的浪涌电压情况;
具体还需要根据电路设计需求和参数来选择,专业的事情找专业的人做,少走弯路。TVS二极管、压敏电阻等?;て骷⌒停夥烟峁?。在开关电源应用中,浪涌保护和防静电?;な潜夭豢缮俚?,有关详细电路?;ど杓品桨?、选型,能做的,超乎您的想象!
烜芯微专业制造二极管,三极管,MOS管,桥堆等20年,工厂直销省20%,4000家电路电器生产企业选用,专业的工程师帮您稳定好每一批产品,如果您有遇到什么需要帮助解决的,可以点击右边的工程师,或者点击销售经理给您精准的报价以及产品介绍
烜芯微专业制造二极管,三极管,MOS管,桥堆等20年,工厂直销省20%,4000家电路电器生产企业选用,专业的工程师帮您稳定好每一批产品,如果您有遇到什么需要帮助解决的,可以点击右边的工程师,或者点击销售经理给您精准的报价以及产品介绍