一、什么是稳压二极管
1、稳压管简介
稳压管二极管的一种,它比较特殊,基本结构与普通二极管一样,也有一个PN结。由于制造工艺的不同,当这种PN结处于反向击穿状态时,PN结不会损坏(普通二极管的PN结是会损坏),在稳压二极管用来稳定电压时就是利用它的这一击穿特性。一般二极管反向电压超过其反向耐压值时会被击穿而损坏,但是稳压二极管在承受反向电压达到稳压值时,反向电流急剧增大。只要反向电流值不超过允许的最大电流,就可以正常工作,它的反向伏安特性曲线较陡、线性度很好。


2、稳压管工作原理
如下图是稳压二极管伏安特性曲线图,当电压大达到稳压值Uz时,曲线很陡,说明流过稳压二极管的电流在大小变化时,稳压二极管两端的电压大小基本不变,也就是说在在一定电压范围内,随着流过稳压二极管的电流变化,稳压二极管两端电压大小基本保持不变,这就是稳压二极管的工作原理,它利用的是它的反向工作特性。


3、稳压管主要参数
①稳定电压Uz:稳压管反向击穿后稳定工作时的电压值称为稳定电压;②稳定电流Iz:稳压管反向击穿后稳定工作时的反向电流称为稳定电流。稳压管允许通过的最大反向电流称为最大稳定电流,使用稳压管时,工作电流不能超过,一般按大于2倍输出电压来设计;③动态电阻Rz:稳压管在反向击穿的曲线工作时,电压变化量△Uz与电流变化量△I之比称为动态电阻,动态电阻越小说明稳压性能越好;④额定功耗Pz:由芯片允许温升决定,它的额定值为稳定电压Uz和允许最大电流Iz的乘积。
⑤温度系数α:稳压管的温度变化会导致稳定电压发生微小变化,因此温度变化1℃所引起管子两端电压的相对变化量即是温度系数,温度系数越小越好,说明稳压管受温度影响很小。
二、稳压二极管应用
稳压二极管由于具有稳压作用,因此在很多电路当中均有应用,广泛用在稳压电源、电子点火器、直流电平平移、限幅电路、过压?;さ缏?、补偿电路等当中。
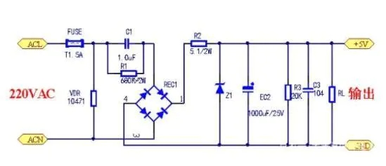
1、稳压电路
如下图是阻容降压电路图,当负载RL电流增大时,电阻R2上的压降增大,负载电压随之降低,但是,只要稳压管两点电压稍有下降,稳压管电流就会显著减小,使通过电阻R2的电流和电阻R2上的压降基本不变,使得负载电压也基本不变。负载电流减小时,稳压过程则与此过程相反。


2、过压?;?/div>
过压有过高电压和低电压?;?,如图是低压?;さ缏?,避免负载长时间处于低压状态而端断开电路,它利用的是稳压二极管的击穿电压,一旦电源电压VCC超过稳压管击穿电压时,那么稳压管就会导通,这时候触点K吸合,继电器接通,负载RL工作。当VCC电压过低(没有达到稳压管稳定电压值)时,触点不动作,继电器不会吸合。


3、温度补偿
稳压二极管在温度补偿电路利用的是稳压二极管的温度系数,如下图是用温度互补型稳压二极管构成的稳压电路,采用互补型稳压二极管对于稳压要求较高的电路当中,特别是温度对电压的影响,这种具有温度互补特性的稳压二极管内部其实有两只普通的稳压二极管,但是它们的温度特性相反,当温度升高或下降时,一只二极管的管压降下降,另一只二极管的管压降升高,这样两只二极管总的管压降保持不变,起到到温度补偿作用。


4、限幅电路
如下图是反向比例电路,输入信号加入反相输入端,对于理想运放,该电路的输出电压与输入电压之间的关系为Vout=-R3/R1*Vin。为了防止放大器输出电压超过限定值,可增加稳压管限幅,使输出的电压峰值被限制在稳压管的稳定电压值上。

烜芯微专业制造二极管,三极管,MOS管,桥堆等20年,工厂直销省20%,4000家电路电器生产企业选用,专业的工程师帮您稳定好每一批产品,如果您有遇到什么需要帮助解决的,可以点击右边的工程师,或者点击销售经理给您精准的报价以及产品介绍

烜芯微专业制造二极管,三极管,MOS管,桥堆等20年,工厂直销省20%,4000家电路电器生产企业选用,专业的工程师帮您稳定好每一批产品,如果您有遇到什么需要帮助解决的,可以点击右边的工程师,或者点击销售经理给您精准的报价以及产品介绍
相关阅读