二极管的恒压降模型在实践中使用是比较广泛的。


恒压降模型
它对二极管伏安特性在一定程度上进行了合理的近似建模。
该模型中,使用一个理想二极管模型和直流电源串联实现。理想二极管的单向导电决定了,恒压降模型也是单向导电。在外加正向电压时,只有大于0.7V(硅管)才会产生正向导通电流。
判断二极管导通状态
如何判断电路中的二极管是否导通,其实靠的是试验法。
先将电路中的二极管拿掉,计算原位置处两端正向电压;如果大于0.7v,那么把二极管再放回原位置的话,二极管必然是导通的。
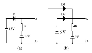
举例:


(a)图中,拿掉二极管D可知,D阳极电位为-15v,阴极电位为-12v,D正向电压为-3v,故D不导通,AO两端电压为-12V。
(b)图,同时拿掉D1,D2。
得到D1原位置处两端电压为0-(-9)=9v
得到D2原位置处两端电压为-6-(-9)=3v
两个二极管都导通吗?不一定!由于二极管导通后会导致电路中各点电位重新分配,所以将二极管接回原电路的时候要一个一个来。
D1两端压差有9V,比D2的压差要高。我们就先将D1接回原电路,此时,A点电位是-0.7v,重新计算D2处两端压差为-6-(-0.7)=-5.3v??吹搅税桑耸比绻獶2接回电路是不导通的。
判断输出电压波形


像这种题目,其实就判断电路中,与Uo并联的两个二极管支路什么时候导通、截止。因为,二极管的导通变化会影响输出电压变化。
根据排列组合算法,总共有4种组合状态:
组合 D1支路 D2 支路
1 导通 截止
2 截止 导通
3 导通 导通
4 截止 截止
分析如下:
1、D1在ui大于3.7v时导通,D2截止,此时uo=3.7v。
2、D2在ui小于-3.7v导通,D1截止,此时uo=-3.7。
3、D1D2同时导通的情况不存在。
4、D1D2在-3.7
烜芯微专业制造二极管,三极管,MOS管,桥堆等20年,工厂直销省20%,4000家电路电器生产企业选用,专业的工程师帮您稳定好每一批产品,如果您有遇到什么需要帮助解决的,可以点击右边的工程师,或者点击销售经理给您精准的报价以及产品介绍
烜芯微专业制造二极管,三极管,MOS管,桥堆等20年,工厂直销省20%,4000家电路电器生产企业选用,专业的工程师帮您稳定好每一批产品,如果您有遇到什么需要帮助解决的,可以点击右边的工程师,或者点击销售经理给您精准的报价以及产品介绍