为了更好的理解,可以通俗的讲:通过电场效应原理工作的管子就叫做场效应管。说得再仔细一点,就是利用输入回路的电场效应 控制 输出回路的 一种半导体器件就叫做场效应管。
场效应管可以分为 结型 和 栅型 两种结构,接下来聊一下这两个东东。
结型场效应管又分为N沟道和P沟道,所谓的N沟道结型场效应管,实质就是在N结(N型半导体)上面做了两个P区域。如图中间的N区就像一个沟渠,两侧的P区域好像河流的两岸。


这就是N沟道结型场效应管(方便记忆)。很显然,那么P沟道j结型场效应管就是在P型半导体两侧做了俩N区域。
以N沟道结型场效应管为例,引出的电极如上图已标注,看图更容易理解一些。
如果此刻在栅-源之间加上一个负向电压,会出现一个现象如图


为什么会变成这个样子,其实在阅读过之前的文章的学友应该很清楚,为了防止过去的遗忘我们再来重新说一下PN结的那些事,进而来更好的理解当前的问题。
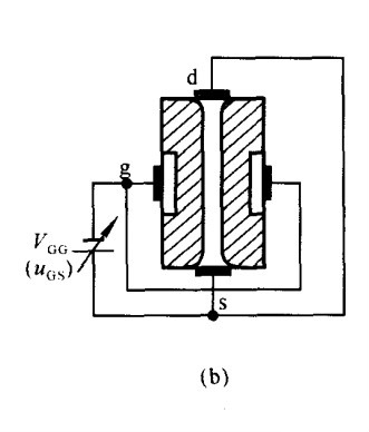
如果只是局部的关注栅(g)源(s)之间以及和构成的回路就可以认为是在一个PN结的两端加了一个电源 。如下图所示


栅极也就是P区,P型半导体的形成是在本征半导体钟添加了三价元素,而硅元素是四价元素,从而导致,一个“杂质”原子相比硅原子少一个核外电子。因而宏观上面,P型半导体是很缺少自由电子的,也就是空穴是他的多数载流子
源极也就是N区,同样的是在本征半导体种参入了五价元素,从而导致,N型半导体从宏观上他的多数载流子是自由电子(同理了,所以不再啰嗦)。
现在是个负电压。什么意思呢,也就是电流方向是从S(源极)指向g(栅极)的?;痪浠八狄簿褪谴游⒐凵辖沧杂傻缱拥脑硕较蚴谴觛流向S的(电流方向和电子运动方向是相反的)。
那么问题来了g(栅极)的少数载流子是电子,明明很缺少自由电子,还要将自由电子流向S(源极)。源极的多数载流子是自由电子。这和扩散运动恰恰是相反的(浓度高的流向浓度低的区域)。从而导致在PN结之间(栅源之间)形成了一道厚厚的耗尽层如上图红蓝方框。你会发现,耗尽层中是没有小白点和小黑点的。所谓耗尽层s就是正负电子中和了,不存在任何电位差的这么一块区域。电子如果想要移动必须是需要一定的电位差或者说浓度差的(说的不够准确,明白意思即可)。很显然耗尽层是阻碍电流的,即高电阻区域。
讲了这么多,也就明白了,在N沟道结型半导体的栅源,加上负电压,进而改变电压绝对值,是可以控制输入电阻的大小的。 如下图:
烜芯微专业制造二极管,三极管,MOS管,桥堆等20年,工厂直销省20%,4000家电路电器生产企业选用,专业的工程师帮您稳定好每一批产品,如果您有遇到什么需要帮助解决的,可以点击右边的工程师,或者点击销售经理给您精准的报价以及产品介绍
