常用于AC-DC开关电源的600V,5A高压功率MOS管:5N60场效应管。究竟有多少种品牌是可以适用的呢?今天就跟电子工程师们分享一点少少经验!
正如目前FQP5N60是一款国外mos管型号应用于AC-DC开关电源产品中。相信在国际形势的催化下,在国内大部分厂商都建立后备的电子元器件供应商库,避免在全球化竞争中被别人捏着脖子。而场效应管市场中,5N60型号N沟道增强型高压功率MOS场效应管即可跟FQP5N60型号参数进行对标。


在实际应用情况下,高压MOS管能够让AC/DC开关电源芯片保持稳定工作,进而让AC-DC开关电源保持输出电源稳定。
开关电源芯片就是利用电子开关器件MOS管,通过控制电路,使电子开关器件不停地“接通”和“关断”,让电子开关器件对输入电压进行脉冲调制。因此一款好的高压MOS管是对AC-DC开关电源的保障。


这款5N60为N沟道增强型高压功率MOS场效应管。该产品广泛适用于AC-DC开关电源, DC-DC电源转换器,高压H桥PMW马达驱动。在使用方面是能完全匹配型号为FQP5N60的国外场效应管。
这款5N60的特点是5.0A, 600V, RDS(on) = Ω(max) @VGS = 10 V低电荷、低反向传输电容开关速度快。
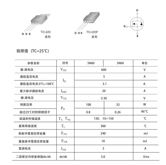
5N60的主要封装形式是TO-220/TO-220F/TO-251/TO-252/TO-262/TO-263,脚位排列位GDS。这款产品参数:Vgs(±V):30;VTH(V):2-4;ID(A):5;BVdss(V):600。
烜芯微专业制造二极管,三极管,MOS管,桥堆等20年,工厂直销省20%,4000家电路电器生产企业选用,专业的工程师帮您稳定好每一批产品,如果您有遇到什么需要帮助解决的,可以点击右边的工程师,或者点击销售经理给您精准的报价以及产品介绍
