
MOS管选型需要满足几个要求:
1.足够的漏-源电压 VDS
2.足够的漏极电流 ID
3.快速开关的能力和开通、关断延时
4.低的导通电阻Rds(on)
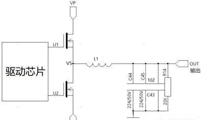
例:如图,假设该电路输出功率为850W,负载8Ω,MOS管如何选型?
1.Vds电压是多少?
根据P=U*U/R,得出输出的平均电压U=82V,这是平均值,需要转化成峰值电压Uo=√2*U=116V。 又因为电源利用率为85%,所以Vp=Uo/85%=136V。Vn=-136V。所以Vds要大于136*2=272V。
2.ID如何计算?
根据P=I*I*R,得出I=10.3A。
所以MOS管的选型应Vds>272V,ID>10.3A。
可初步选择仙童的FDAF59N30,主要指标如下
1.漏-源电压 VDS=300V
2.漏极电流 ID=34A
3.上升时间ton=140ns
4.关断时间toff=120ns
5.电阻RDS(on) = 0.056?
6.栅极电荷Q g =77nc
从上述几大指标来看,该 MOS管的工作电压、电流均满足需求,在较短的开通和关断迟时间保证了系统的稳定性。
MOS管驱动如何选择?
可以通过计算得到MOS管在一个完整开关周期内所需要的功率Pg。计算公式为:
Pg=Vgs*Qg*fsw,其中Vgs栅极驱动电压,fsw为开关频率。
FDAF59N30在栅极驱动电压为 12V,开关频率为200KHZ时的消耗功率为:
Pg=12*77*10-9*200*103 =0.1848W
驱动需要提供的平均电流为:
I= Pg/ Vgs=15.4mA。
根据经验,在保证正常工作条件下FDAF59N30的典型开通和关断时间约为200ns,因此可以反推出驱动需要提供的瞬时电流为:
Imax=Qg/t=77nc/200ns=385mA。
所以MOS管驱动需要需要提供的电流大于385mA。
因为这是高压MOS管,所以需要提供浮动栅极驱动能力。
烜芯微专业制造二极管,三极管,MOS管,桥堆等20年,工厂直销省20%,4000家电路电器生产企业选用,专业的工程师帮您稳定好每一批产品,如果您有遇到什么需要帮助解决的,可以点击右边的工程师,或者点击销售经理给您精准的报价以及产品介绍
烜芯微专业制造二极管,三极管,MOS管,桥堆等20年,工厂直销省20%,4000家电路电器生产企业选用,专业的工程师帮您稳定好每一批产品,如果您有遇到什么需要帮助解决的,可以点击右边的工程师,或者点击销售经理给您精准的报价以及产品介绍