(一)稳压二极管工作原理
稳压二极管的作用:
稳压二极管也叫稳压管,它在电路中一般起到稳定电压的作用,也可以为电路提供基准电压值。
稳压二极管的工作原理:
稳压二极管使用特殊工艺制造,这种工艺使它在反向击穿时仍然可以长时间稳定工作,不损坏,而工作在反向击穿状态的稳压管只要工作电流保持在一定范围,则它两端电压波动的范围就很小,稳压管正是利用这个特性实现稳压的。


图1是稳压管伏安特性曲线,在正常稳压工作状态下,稳压管就工作在图中AB这段区间。
(二)稳压二极管重要参数意义
稳压二极管重要参数:
1,稳定电压
稳定电压是指标称稳定电压,理想稳压管的稳压值是一个固定的电压数值,但实际真实稳压管的稳定电压会在一定范围波动,有些型号的稳压管应用手册中会给出标称稳定电压值,最小稳定电压值和最大稳定电压值,但也有些手册中只给出标称稳定电压值。


图2所示是稳压管1N4733A-G的应用手册中给出的稳定电压值。
2,最大耗散功率
最大耗散功率是指可以稳定工作的最大功率值,在工作电路中稳压管的功率不应超过这个值。


图3所示是稳压管1N47XXA-G的应用手册中给出的最大耗散功率值。
3,额定工作电流(IZT)
额定工作电流是指稳压管可以长时间稳定工作,并且稳压性能最好时对应的工作电流值。


图4所示是稳压管1N4733A-G的应用手册中给出的额定工作电流。
4,最小稳定工作电流
最小稳定工作电流是指可以使稳压管具有稳压功能的最小工作电流,如果稳压管电流小于这个值,会进入反向截止区,在反向截止区稳压管是没有稳压功能的。


图5所示是稳压管1N4733A-G的应用手册中给出的最小稳定工作电流,1毫安。
5,最大稳定工作电流
最大稳定工作电流是指可以使稳压管具有稳压功能的最大工作电流,如果超过这个电流,会导致稳压管损坏。有些稳压管的应用手册中并没有给出最大稳定工作电流,这是因为这个参数可以由标称稳定电压和最大耗散功率两个参数得出。
6,动态电阻
稳压管的动态电阻等于电压变化与电流变化的比值。动态电阻越小稳压效果越好,这是因为动态电阻小,则相同电流变化引起的电压变化就越小,所以电压就越稳定。从稳压管的反向伏安特性可以看出,稳压管的工作电流越接近最大稳定工作电流则动态电阻越小,越接近最小工作电流则动态电阻越大。所以稳压管工作电流接近最大稳定工作电流时稳压效果才好。


图6所示是稳压管1N4733A-G的应用手册中给出的动态电阻。
(三)稳压二极管稳压原理的定性分析
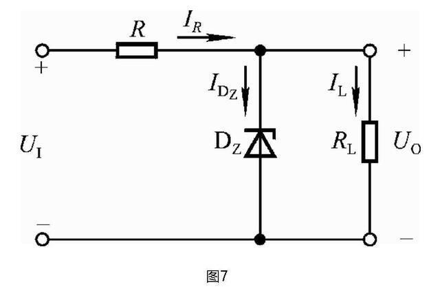
稳压管在电路应用中一般要串联一个限流电阻,用来?;の妊构?,避免工作电流过大导致损坏,另外通过选定合理的限流电阻值,也可以避免稳压管工作电流过小而进入反向截止区,失去稳压效果。所以说这个限流电阻R即起到保护作用,也起到设定合适工作电流的作用。下图7是稳压二极管的典型应用电路:


对于图7中典型稳压电路的稳压过程我们先进行一下定性分析,从图中我们容易看出,在限流电阻值固定的情况下,能影响到稳压管工作电流的因素有两个,一是输入端电压UI的波动,另一个是负载电阻RL大小的变化。现在我们假设一种情况:即输入电压UI不变,但负载电阻RL变小时是如何稳压的。
由于负载电阻RL变小会直接导致负载通路的电流IR变大,所以流过限流电阻的电流IR会增大,导致限流电阻压降增大,所以稳压管两端电压(即负载电阻两端电压UO)变小,导致稳压管电流IDZ减小,这又会引起限流电阻电流减小,所以限流电阻电压当然也会随之减小,最终导致稳压管电压又增大,即负载电阻两端电压增大。这个过程的核心是稳压管端电压变小导致稳压电流减小,从而把稳压管两端电压又重新推高。具体变化过程如下图8所示:


另外,如果假设负载电阻不变,而输入电压增大或减小,则稳压过程的推导与上述类似,这里就不再赘述了。
(四)稳压二极管典型电路限流电阻计算
下面我们针对这个典型稳压电路的一组数据,计算限流电阻的阻值。具体参数如下:
电源电压波动范围:13~15V
负载电阻变化范围:300~500Ω
稳压管工作电流范围:5~40ma
稳压管工作电压:6V
对于限流电阻的阻值我们首先要知道,它即不能过大,也不能过小,过大会导致稳压管电流过大损坏,过小会导致稳压管位于反向截止区而不能进入稳压工作状态。所以这个限流电阻就会存在一个上限值和一个下限值,导致稳压管分别工作于最小和最大电流两种极限状态,这两种状态是由于电源电压波动和负载电阻变化引起的,所以根据之前的定性分析,我们可以比较容易的分析出这两种状态的情况,如下表所示:
可以看到,在情况2的状态下,当负载电阻值最大时,负载通路的电流相对最小,而此时电源电压却最大,这两个因素共同作用于稳压管上,导致稳压管电流最大。这种情况就类似于下图9中所示的水库泄洪情况:


图9中副闸门的作用是配合主闸门控制水位并在适当的时候?;ぶ髡⒚?,避免主闸门承受过大的水压。当上游来水量增加时,如果同时主闸门把开口关到最小,这两个条件同时发生时副闸门就会面临水流最大的极限情况。这里水库的模型与稳压电路有如下对应关系:
主闸门 --> 负载电阻
副闸门 --> 稳压管
上游水量增加 --> 电源电压增加
主闸门开口关小 --> 负载电阻增加
副闸门水量最大 --> 稳压管电流最大
从上述关系中,我们可以计算出当稳压管工作电流最小时,输入电压最小,负载电流最大,此时对应的限流电阻值最大:


同理也很容易计算出限流电阻最小值为180Ω,我们可以取中间值220Ω的电阻(标准阻值中没有230Ω的电阻)。
(五)总结
稳压管在使用中要注意以下问题:
1, 稳压管使用时要串联一个限流电阻,用来?;の妊构懿⑸瓒ㄆ涔ぷ鞯缌鳌?/div>
2, 实际稳压管的稳定电压值是一个范围,同一批稳压管的实际稳压值可能会存在差异,但不会和标称稳压值差太多。
3, 稳压管可以串联使用,串联有四种不同接法,不同接法的稳压数值也各不相同。一般不并联使用。
4, 为了使稳压效果更稳定,需要使稳压管工作在中度偏深的击穿状态,所以输入的电压值最好是2到3倍的稳定电压值,即Uin=2~3(UZD
),比如如果要使电压稳定在12伏,而输入电压是18伏,虽然可以稳压,但是稳压管处在浅度击穿状态,稳压效果并不好。
5, 稳压管工作状态电流值不高,比如上述的1N47XXA系列最高也不到100ma,所以不适用于大功率的场合。
6, 稳压管的稳定电压有一定范围,在要求高精度电压的场合并不适用,这时可以使用专用的稳压??榇?。
烜芯微专业制造二极管,三极管,MOS管,桥堆等20年,工厂直销省20%,4000家电路电器生产企业选用,专业的工程师帮您稳定好每一批产品,如果您有遇到什么需要帮助解决的,可以点击右边的工程师,或者点击销售经理给您精准的报价以及产品介绍
烜芯微专业制造二极管,三极管,MOS管,桥堆等20年,工厂直销省20%,4000家电路电器生产企业选用,专业的工程师帮您稳定好每一批产品,如果您有遇到什么需要帮助解决的,可以点击右边的工程师,或者点击销售经理给您精准的报价以及产品介绍
相关阅读