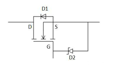
MOSFET在应用时通常有如下图所示的D1,D2二极管电路,很多人都有疑问:两个二极管究竟起什么作用呢?


1,D1为MOSFET内部的寄生二极管,可以?;、S极。当D、S极产生瞬间反向大电流时,可通过D1导出,如果没有该二极管,就有可能击穿MOSFET。由于MOSFET工作频率较高,所以要求D1的工作频率也要高(即反向恢复时间要短,相当于一个快恢复二极管)。
2,D2通常为外加的静电?;ざ?,用以?;、S极。由于MOSFET是绝缘栅型场效应管,栅极无直流通路,输入阻抗高,极易引起静电荷聚集,从而产生较高的电压将栅极和源极之间的绝缘层击穿,D2可以把静电嵌位于稳压二极管的稳压值以下,有效?;、S的绝缘层。但对于不同功率、不同型号的MOSFET其保护稳压二极管的稳压值是不同的。另外,小、中功率MOSFET通常需要保护二极管,而大功率MOSFET由于输入电容较大,接触到静电后有一个充电的过程,产生的电压较小,引起击穿的可能较小,所以通常不需要保护二极管。
烜芯微专业制造二极管,三极管,MOS管,桥堆等20年,工厂直销省20%,4000家电路电器生产企业选用,专业的工程师帮您稳定好每一批产品,如果您有遇到什么需要帮助解决的,可以点击右边的工程师,或者点击销售经理给您精准的报价以及产品介绍
烜芯微专业制造二极管,三极管,MOS管,桥堆等20年,工厂直销省20%,4000家电路电器生产企业选用,专业的工程师帮您稳定好每一批产品,如果您有遇到什么需要帮助解决的,可以点击右边的工程师,或者点击销售经理给您精准的报价以及产品介绍