超快恢复二极管??椋‵RED)类型MEO,MEE,MEA和MEK(图1)是分立型DESEI向大电流的扩展,其特性不变。它可以用在所有MOSFET,IGBT或双极性达林顿管电路中,工作频率要高于1kHz。
如果要用几个分立二极管井联成小???,换用这些??榭杉跣“沧笆奔浜蜕璞赋叽纭R话鉌RED可用作大电流的IGBT或积极性达林顿管的续流二极管,或用作电源和焊接机的快速整流管。下面是一系列超快恢复二极管??椋‵RED)的应用。
A. 用作拖动和UPS系统中单相或三相逆变器的续流二极管,采用PWM控制,开关频率高于1kHz(图2)。


图1 现有的超快恢复二极管模块(FRED)的电路图


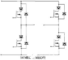
图2 MEE型或MEO型
B. 用作开关电源或伺服驱动的续流二极管
(a)使用MOSFET和肖特基阻断二极管的对称全侨电路(图3(a))
(b)使用MOSFET的正激变换器和直流电机驱动的不对称全桥图(图3(b))


图3 用作开关电源或伺服驱动的续流二极管
C. 用作电源或焊接机的整流
全波整流电路(图4(a))中,根据负载电流的大小,可选择几个MEO??椴⒘?。
共阴极拓朴(图4(b))中,根据负载电流的大小,可选择几个MEK模块井联。
共阳极拓朴(图4(c))中,根据负载电流的大小,可选择几个MEA??椴⒘?。
全桥整流电路(图4(d))中,根据负载电流的大小,可选择几个MEE或MEO??椴⒘?/div>
高压输出的全桥整流电路(图4(e))中,可使用两个MEE模块串联获得高阻断电压。
所有的超快恢复二极管??椋‵RED)中连续直流电流IFAVM的数值是在散热器温度TS=65℃,结温TVJM=125℃(温差60℃)的条件下给出的。
如与别的产品比较,要确定两个??榈慕嵝居肷⑷绕魑虏钕嗟?,因为温差决定可流过的正向电流。
而且。超快恢复二极管??椋‵RED)的电流定额和阻断损耗都是在TVJ=125℃和占空比d=50%条件下的。


图4 不同超快恢复二极管模块(FRED)在电源中作为输出整流器的例子
烜芯微专业制造二极管,三极管,MOS管,桥堆等20年,工厂直销省20%,4000家电路电器生产企业选用,专业的工程师帮您稳定好每一批产品,如果您有遇到什么需要帮助解决的,可以点击右边的工程师,或者点击销售经理给您精准的报价以及产品介绍
烜芯微专业制造二极管,三极管,MOS管,桥堆等20年,工厂直销省20%,4000家电路电器生产企业选用,专业的工程师帮您稳定好每一批产品,如果您有遇到什么需要帮助解决的,可以点击右边的工程师,或者点击销售经理给您精准的报价以及产品介绍
- 上一篇:稳压二极管伏安特性与曲线
- 下一篇:发光二极管的结构与优点
相关阅读