不知大家平时有没有留意,二极管的应用范围是非常广的,下面我们来看看我想到几种应用,也可以加深对电路设计的认识:
A,特性应用:
由于二极管的种类非常之多,这里这个大类简单罗列下:
稳压二极管(齐纳二极管),发光二极管,TVS管,肖特基二极管等等。
B,稳压电路:
采用稳压二极管,常用在电源输入或者输出端,对设备进行?;?,防止过压对损坏电路。需要选择一个合适的钳位电压。
齐纳二极管
C,发光指示电路
采用发光二极管,红,绿,蓝等不同颜色,指示电路当前的工作状态,常见电路如下:


注意事项,一般需要避免把LED的负极直接拉到GPIO口进行控制,而是经过一个三极管或者MOS管后在通过GPIO控制,为什么呢?大家可以留言讨论,或者在文末加群,群里跟大伙讨论。
D,防静电与防浪涌。
采用TVS管,可以应用于防静电与防浪涌电路,注意这里只是简单提一些,需要深入了解的可以查看相关的文章,后期会不断丰富:
ESD与EOS(surge)防护器件选型
电源电压过冲
E,防反接电路
采用肖特基二极管的开关频率高,正向压降低,导通电流大的特点,可以实现防反接电路。
几种常见的电源防反接电路
F,整流电路:
由于毕业后再没接触过此电路,就不做分析,模电的一个经典电路。


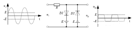
G:限幅电路:


H,门逻辑电路“与门”


这个看似简单的电路,其实使用过程中有很多注意事项,大家也可留言讨论。
I,门逻辑电路“或门”


J,单向电平转换与防漏电


如上图,
作用一:可以实现P3V3_SIGNAL2单向输出到P1V8_SIGNAL1的电平转换。
作用二:可以防止+V3P3A漏电到+V1P8S。
烜芯微专业制造二极管,三极管,MOS管,桥堆等20年,工厂直销省20%,4000家电路电器生产企业选用,专业的工程师帮您稳定好每一批产品,如果您有遇到什么需要帮助解决的,可以点击右边的工程师,或者点击销售经理给您精准的报价以及产品介绍
烜芯微专业制造二极管,三极管,MOS管,桥堆等20年,工厂直销省20%,4000家电路电器生产企业选用,专业的工程师帮您稳定好每一批产品,如果您有遇到什么需要帮助解决的,可以点击右边的工程师,或者点击销售经理给您精准的报价以及产品介绍