MOS管功耗,要确定一个MOSFET场效应管是否适于某一特定应用,需要对其功率耗散进行计算。耗散主要包括阻抗耗散和开关耗散:PDDEVICETOTAL=PDRESISTIVE+PDSWITCHING
mos管功耗-低功耗趋势
封装的小型化使封装的热阻降低,功率耗散才能进步,相同电压电流规格或者功率规格的产品,个头小的,功率耗散才能更高,这似乎与我们的生活常识有些相悖,但是事实确实如此。
VMOS的通态功耗,业界习气于用饱和导通电阻RDS(ON)来权衡,这是不太客观的,由于电流规格在很大水平上影响着RDS(ON)的数值,其内在缘由是VMOS管的管芯是由大量管芯单元(Cell)构成的,很显然,其他条件相同的情况下,电流规格越小,RDS(ON)越大。
一个相对客观的办法是将管芯面积的要素思索进来,将管芯面积A与RDS(ON)相乘,得到一个名为“本征电阻”的参数以减少电流规格的影响(图1.46)。本征电阻小,就意味着要么电流规格很高,要么适用的开关频率很高。另一方面,管芯制程(芯片的设计与制造规程)的开展使管芯单元的密度逐步提高,也有利于管芯的小型化。在功率半导体方面,耗散功率会限制管芯制程的进一步减小,这方面还是滞后于小功率IC的。

除了通态功耗,开关功耗(开通与关断期间的功耗)也是影响大功率VMOS的主要要素之一,特别是高频应用,请求尤为迫切。而管芯单元密度的不时进步,会增加极间电容、散布电容以及栅电荷,这些要素既影响开关功耗,义影响开关速度,虽然如此,这依然是当前技术开展的主要方面。
在普通状况下,我们很难从公开的技术材料中查阅到管芯的详细大小,一个粗略的替代办法是,能够用产品技术手册中给出RDS(ON)和丈量这一数值所采, 用的漏极电流相乘,我们权且称这个数值为“欧安值”。用欧安值也能得到相似的结果,如图1. 47所示。

这个图形与图1. 46最大的不同是,可以反映出开关速度存其中的限制因素,早期的高速产品,如2SK2313,同样有比拟低的欧安值,但是它的封装比拟大,而且电流规格偏低。
mos管功耗-MOS管驱动基础和时间功耗计算
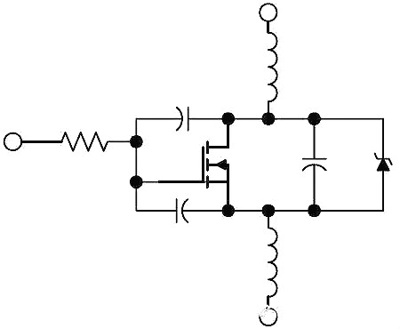
mos管功耗的驱动基础和时间功耗计算详解,我们先来看看MOS关模型:

Cgs:由源极和沟道区域重叠的电极形成的,其电容值是由实际区域的大小和在不同工作条件下保持恒定。
Cgd:是两个不同作用的结果。第一JFET区域和门电极的重叠,第二是耗尽区电容(非线性)。等效的Cgd电容是一个Vds电压的函数。
Cds:也是非线性的电容,它是体二极管的结电容,也是和电压相关的。这些电容都是由Spec上面的Crss,Ciss和Coss决定的。
由于Cgd同时在输入和输出,因此等效值由于 Vds电压要比原来大很多,这个称为米勒效应。
由于SPEC上面的值按照特定的条件下测试得到的,我们在实际应用的时候需要修改Cgd的值。

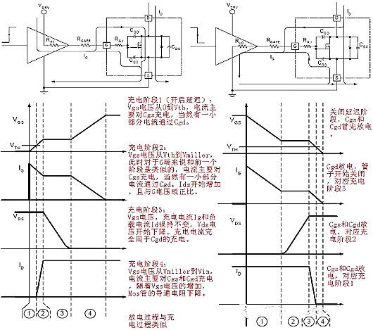
开启和关断的过程分析:

mos管功耗计算
MOSFET驱动器的功耗包含三部分:
1. 由于MOSFET栅极电容充电和放电产生的功耗。
与MOSFET栅极电容充电和放电有关。这部分功耗通常是最高的,特别在很低的开关频率时。
2. 由于MOSFET 驱动器吸收静态电流而产生的功耗。
高电平时和低电平时的静态功耗。
3. MOSFET 驱动器交越导通(穿通)电流产生的功耗。
由于MOSFET 驱动器交越导通而产生的功耗,通常这也被称为穿通。这是由于输出驱动级的P沟道和N 沟道场效应管(FET)在其导通和截止状态之间切换时同时导通而引起的。

烜芯微专业制造二极管,三极管,MOS管,桥堆等20年,工厂直销省20%,4000家电路电器生产企业选用,专业的工程师帮您稳定好每一批产品,如果您有遇到什么需要帮助解决的,可以点击右边的工程师,或者点击销售经理给您精准的报价以及产品介绍