三极管的工作原理及特性
三极管之所以运用如此广泛,其主要原因在于它可以通过小电流控制大电流。形象地说就是基极其是是一个阀门开关,阀门开关控制的是集电极到发射极之间的电流大小,而本身控制阀门开关的基极的电流要求很小。更加形象的图形说明如下所示:

三极管的结构与符号

三极管内部机构要求:(此处只说结论,后面介绍原因)
1、发射区参杂浓度很高,以便有足够的载流子供发射。
2、为减少载流子在基区的复合机会,基区做得很薄,一般为几个微米,且参杂浓度极低。
3、集电区体积较大,且为了顺利收集边缘载流子,参杂浓度介于发射极与基极之间。
三极管基本工作原理
三极管的主要功能有:交流信号放大、直流信号放大和电路开关。同时三极管有三个工作区间,分别是:放大区、饱和区和截止区。这三个区域的工作原理会在后面详细介绍。这里首先介绍的就是交流信号放大、直流信号放大的放大功能,此时三极管工作在放大区。
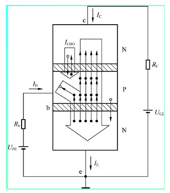
工作在放大区的三极管需要给发射极设置正向偏置、给集电极设置反向偏置,如下图所示。

由于发射极正偏,发射极的多数载流子(无论是P的空穴还是N的自由电子)会不断扩散到基极,并不断从电源补充多子,形成发射极电流IE。由于基极很薄,且基极的多子浓度很低,所以从发射极扩散过来的多子只有很少一部分和基极的多子复合形成基极电流IB(发射极和基极的极性一定是相反的,所以各自的多子极性相反)。而剩余的大部分发射极传来的多子会继续扩散到集电极边缘。由于集电极反偏,所以反偏电压会将在集电极边缘的来自发射极的多子拉入集电极,形成较大的集电极电流IC。
我们可以换一种角度看这个过程,如果将中间的基极去掉,正偏和反偏的两个电源其实极性是相同的,串联成了一个电压更高的电源。发射极和集电极的半导体性质也是相同的,成为了一整块半导体,于是就退化成了下面这个电路。

于是可以理解成三极管就是人为的在上述电路中加了一个闸门,用很小的电流IB可以使闸门打开,形成很大的电流IC。有了以上的知识,同时可以得出三种电流之间的关系式。

且在放大区状态下工作时有:

在放大区工作时三极管内部载流子的传输与电流分配示意图如下图所示。

三极管的特性曲线以及饱和区和截止区
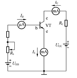
先以之前水库闸门的例子通俗的说明一下饱和区和截止区的含义。无论水库储水量有多大,闸门不开(IB=0)水库的水都没有办法从集电极流出,这就是截止区。当水库的闸门已经完全打开之后(IB达到了一定值),从集电极流出的水量只与集电极和发射极之间的储水量(压差)有关,已经与IB值的大小无关了,这就是饱和区。下面就介绍一下三极管的特性曲线,进一步强化对于三种工作区域的理解。测试三极管特征曲线的测试电路如图下所示。(注:UBB=UBE,UCC=UCE)。

输入特性曲线:
在UCE一定的情况下,IB与UBE之间的关系曲线如下:

分析一下输入特性曲线:
1、就右侧图中一条线红色曲线来看,即在UCE恒定的情况下,UBE会经历一个死区电压。这段区域内BE间PN结还没有达到导通电压,所以基极没有电流。当达到BE间PN结导通电压后,UBE越大其BE结扩散效应越强,导致基极电流越大。
2、对于在UBE相同的情况下,UCE越大IB越小的现象可以这样解释,UCE的增加相当于是增加了集电极的反偏电压,于是就增大了集电极的耗尽层的宽度,进而减小了基极的有效宽度。于是在基极的有效复合减少,从而电流减小。
3、但是为什么当UCE达到一定值(1V)之后就不再影响IB?
输出特性曲线:
在一定基极电流IB的情况下,集电极电流IC与集电极电压UCE之间的关系曲线如下:

截止区:(发射极反向偏置,集电极反向偏置)
此时IB很小,可以理解成UBE很小,BE之间的PN结没有达到导通电压,即前面说的阀门没有打开。所以IC和IE几乎为0。整个开关处于关闭状态。
放大区:(发射极正向偏置,集电极反向偏置)
此时IB已经达到了导通BE之间PN结的大小,但是此时IB相对较小,闸门还没完全打开。闸门的大小收到IB的控制。于是CE之间的电流大小完全与IB成正比。
饱和区:(发射极正向偏置,集电极正向偏置)
此时IB已经达到了完全导通BE之间PN结的大小,闸门已经完全打开。于是CE之间的电流大小受到UCE的影响,已经不再受IB的控制。
输出特性曲线饱和区详解
在上面的描述中无论是截止区还是放大区都相对容易理解,但是对于饱和区就不太容易理解了。
首先三极管导电的原理是:射极和基极之间正偏,发射极有电子可以注入基极。其中极少部分与基极的多子复合后仍有大量的电子处于基极边缘。此时集电极和基极之间反偏,于是集电极有足够的吸引电子的能力。此时只要基极电流增大就意味着有更多的电子处于基极和集电极边缘,此时这些电子全部可以被集电极吸走。于是此时的IC只受到IB的控制。
但是当UCE逐渐减小,吸引电子的能力逐渐下降。当在IB的作用下注入基极和集电极之间的电子没有办法被集电极全部吸走的时候,也就是随着IB的增大,IC的增大量与对应放大区相比减小或者不再增大的时候,就进入了饱和区。所以所谓的饱和区指的是集电极的吸收电子能力的饱和。
工程上近似认为UCE=UBE时为临界饱和,但饱和曲线的真正物理意义应该是要得到某一数值的IC,至少需要加上多大的UCE。
为什么IB小电流可以拉出IC大电流:
其实这个问题在之前的介绍中已经有所解释,这里再集中强调一下。在三极管内部的结构如下。

由于内部结构特性(发射区参杂浓度很高;基区做得很薄且参杂浓度极低;集电区体积较大,参杂浓度介于发射极与基极之间)从而形成了一种特殊的结构,就是基极相当于在一块导体(发射极加集电极)之间加了一层薄薄的阻隔栅,而只需要很小的驱动力(UBE=0.7V,由于基极很薄,驱动电流也在uA量级)就可以将阻隔栅打开。而一旦打开这层阻隔,真正的驱动电流是由UCE驱动的。
场效应管的工作原理及特性
场效应管(FET)分为结型场效应管(JFET)和绝缘栅型场效应管MOS(Metal-Oxide-Semiconductor)管,即金属-氧化物-半导体。下面以增强型NMOS为例,介绍MOS管的工作原理。
MOS管的基本结构
增强型NMOS的结构图如下图所示,在参杂浓度较低的P型硅衬底上,制作两个高参杂浓度的N型沟槽。分别用铝从两个N型沟槽中引出两个电极分别作为源极S和漏极D(此时的源极和漏极在结构上没有区别是可以互换的)。然后在半导体的表面覆盖一层很薄的SiO2绝缘层。在漏源极间的绝缘层上再装上一个铝电极;作为栅极G。另外在衬底上也引出一个电极B。

在出厂前大多数MOS管的衬底已经和源极连在了一起,此时源极S和漏极D就有了区别,不能再互换了。
MOS管出现导电沟道(反型层的形成):
在UGS=0时,无论UDS的大小和极性,都会使得2个GS和DG这两个PN结中一个正偏,另一个反偏。但是由于两个N区之间被P衬底隔离,所以没有办法形成电流,情况如下图所示。

当在栅源极之间加上正向电压(所谓的正向电压永远是指电场方向是从P区指向N区)后,则在栅极和衬底之间的SiO2绝缘层中便产生一个垂直于半导体表面的由栅极指向衬底的电场,这个电场能排斥空穴而吸引电子,因而使栅极附近的P型衬底中的空穴被排斥,剩下不能移动的受主离子(负离子),形成耗尽层,同时P衬底中的少子电子被吸引到衬底表面。当UGS增加大一定大小时,随着SiO2绝缘层中电场的增强,会将更多的电子吸引到P衬底的表面,于是栅极附近会形成一个N型薄层,且与两个N区联通。此时就形成了导电沟道,于是在DS之间就有电流可以通过了,其情况如下图所示:

在这个阶段,如果UDS保持不变,UGS增加会导致导电沟道变厚,从而ID变大。
MOS管预夹断的形成
(预夹断的形成是在理解初期的一个难点,这里的描述是参考了一些文献之后自己的理解,正确性还需要考证)。当UGS>UGSTH时,导电沟道形成,与S和D极连在一起形成了一个大的N型半导体。所以当在DS间加上正电压之后,电流可以在N型半导体中流动。
设想UDS=0时,ID=0,SiO2绝缘层与导电沟道之间的电场是均匀分布的,即从D到S的导电沟道一样厚。但是导电沟道作为导体的一部分,一定是有电阻的。随着UDS的增加,ID的增大,靠近S端的电势会比靠近N处的电势要低。这里很重要的一点是在这个过程中SiO2平面上各个点的电势是均匀的,所以在导电沟道不同点与SiO2之间的电场强度是不一样的。
如果以S端的电势为0的话,随着ID的不断增大,D点的电势会达到UGS-UGSTH。此时UG与UD之间的电势差为UGSTH,此时靠近D点处的电势差恰好达到可以产生导电沟道的情况,于是在D极处就开始出现如下图所示的预夹断。

随着ID的继续增大,预夹断的点会不断往左移动,如下图所示。但是无论如何移动,预夹断点与G之间的电压差保持为|UGSTH|。

另外非常重要的一点是,在预夹断的区域内,纵向的电势差不足以出现导电沟道,但是由于DS间的电势差都落在了这段预夹断区域内(即D极至夹断点区域内,且方向是从D极横向指向夹断点),于是夹断区内有很强的横向电场。于是当载流子到达夹断区边沿时,会被电场拉出,从D极输出。所以预夹断并不是不能导电,反而可以很好地完成导电。
预夹断的过程中ID为什么不变:
有了以上认识就可以解释为什么在预夹断过程中UDS继续增大,ID的值可以保持不变。在进入预夹断之后,UDS继续增大的过程中,夹断点不断向S极移动,但是保持了夹断点和S极之间的电压保持不变(数值上等于|UGSTH|)。即增加的UDS的电压全部落在了夹断区内。(这里有一点没法从原理上解释,但是可以从结果反推,就是虽然导电沟道的长度在缩短,但是电阻值没有什么变化)于是ID的值保持不变。
当反向电压达到一定程度的时候就出现了反向击穿,场效应管就坏了。
场效应管的特性曲线

图23和图24的左侧为漏极输出特性曲线,右侧为转移特性曲线。
特性曲线中在VGS=-4V的曲线下方可以成为截止区,该区域的情况是VGS还没有到达导电沟道导通电压,整个MOS管还没有开始导电。可变电阻区又称为放大区,在VDS一定的的情况下ID的大小直接受到VGS的控制,且基本为线性关系。注意三极管中的放大区和MOS管的放大区有很大区别,不能觉得是相似的。恒流区又称为饱和区,此时ID大小只收到VGS的控制,VDS变化过程中ID的大小不变。
场效应管的符号

1、结型场效应管(JFET)和绝缘栅性场效应管(MOSFET)的区别

本文中详细介绍的是绝缘栅型场效应管,如上图右侧图所示。而左侧这种结构称为结型场效应管,其工作原理大致如下:
在UGS没有电压的情况下,在两个P区之间形成N区通道,连接着D极和S极。当UDS有电压时在N型半导体内形成电流。当G、S间加上反向电压UGS后(所谓反向电压是指从N区指向P区的电压),在电场力作用下N区通道逐渐变窄,直至消失,从而ID减为0。其特性曲线如图 27所示。

1、增强型绝缘栅晶体管和耗尽型绝缘栅晶体管

本文中详细介绍的是增强型绝缘栅型场效应管,耗尽型绝缘栅型场效应管在SiO2绝缘层中掺杂了大量的金属正离子,所以在UGS没有电压的情况下这些正离子感应出反型层,形成导电沟道;于是UGS的作用就是抑制导电沟道。
1、P沟道还是N沟道
就是中间的半导体类型是P还是N。
2、符号的说明
只有一根垂直线的为结型场效应管;两个线的为绝缘栅型晶体管。第二根线为虚线,为增强型绝缘栅型晶体管;为实线的为耗尽型晶体管。箭头永远从P指向N,而且永远是从G(漏)极输出。结型场效应管和绝缘栅型晶体管箭头作用看起来有点反的原因是G极的位置不同了。
烜芯微专业制造二极管,三极管,MOS管,桥堆等20年,工厂直销省20%,4000家电路电器生产企业选用,专业的工程师帮您稳定好每一批产品,如果您有遇到什么需要帮助解决的,可以点击右边的工程师,或者点击销售经理给您精准的报价以及产品介绍
烜芯微专业制造二极管,三极管,MOS管,桥堆等20年,工厂直销省20%,4000家电路电器生产企业选用,专业的工程师帮您稳定好每一批产品,如果您有遇到什么需要帮助解决的,可以点击右边的工程师,或者点击销售经理给您精准的报价以及产品介绍