科技的飞速发展为人们的生活带来了便利,各种各样的电源开始充斥着人们的生活。其中不间断电源被大量使用在信息和数据?;ど璞干希患涠系缭吹姆⒄购艽蟪潭壬鲜且览涤贗GBT、Power MOSFET等电力电子器件的。UPS拥有较多的电路拓扑结构,在这些电路当中,带输出变压器的双变换电路结构的应用是最为广泛的。从被研发至今,这种电路结构几乎没有经过多少改造,而是仅仅在控制电路和用户界面做了改进。这就从侧面说明了这种电路结构的经典性。
但即便是经典,也在近几年的科技冲击下逐渐显示出劣势,相较于大热的高频链双变换UPS,传统的双变换电路结构的缺点已经逐渐暴露出来,但是依赖其成熟的技术,几乎工业化的标准??槭浇峁购秃芨叩目煽啃裕顾谑谐∮涤械姆荻畈⒚挥屑跣?,而且产量越来越大,迫使各大UPS厂商寻找新的技术,以提高效率,降低成本。尤其效率的提高,能有效地减小散热器尺寸,减少后备电池容量,减小充电器功率,明显减小整机体积重量。如果10KVA UPS的8小时机型,提高2%的整机效率,可以减少使用相当12V 6.5AH电池20多节。
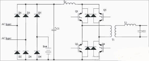
典型的双变换UPS


图1,带输出变压器的双变换UPS
如图1所示,是一个典型的双变换UPS,输入交流电经过由D1~D4构成的全桥整流电路,整流得到220V~330V的直流母线电压,电池电压范围为160V~220V,通过隔离二极管D5送给直流母线,供逆变器,所以逆变器的输入电压范围为160~330V。为了输出220V的稳定交流电压,必然需要升压隔离式逆变变压器T1并采用SPWM调制技术。
由于使用IGBT,逆变器一定会采用SPWM技术,且尽量提高调制频率来减小输出谐波分量,但是由于考虑IGBT的开关损耗,合理的调制频率在8~10kH*********。如果直接采用全桥式单极性调制方式,逆变变压器有8~10kH*********的谐波分量,会有明显的可闻运行噪声,如果进一步提高调制频率到20kH*********可消除可闻运行噪声,在目前技术条件下,无论选用何种芯片技术的IGBT,都会明显增加开关损耗,整机效率降低,这是不可取的。
现有的倍频式PWM调制技术就能很好的解决这一问题,只要采用两个反向的三角波,分别调制Q1和Q4,Q2和Q3,就能使输出的调制频率翻倍。这样一来就能保证IGBT 工作在最理想的状态,同时满足整机设计要求。
实例讲解


图2
为了简化讨论,这里讨论一个半桥臂的工作情况,参考图1。我们分析当逆变器Q1关闭时的电压电流波形,见图2。由于负载电感的电流不能突变,继续流过Q2,下部IGBT的中续流二极管。其电流变化速率di/dt在寄生电感上会产生一个压降ΔV=-Lσ×di/dt,它叠加在直流母线上,可以看作在关断Q1的电压尖峰,这个尖峰电压会损坏Q1。
在常见的采用半桥IGBT??椴⒂貌⑿兄绷髂赶吡拥腢PS设计,为了?;GBT,使其工作在安全工作区RBSOA内,一般需要采用复杂的吸峰电路。成本高,且要消耗不少能量,有一典型的用于10kVA UPS逆变回路吸峰电路,需要80×80风扇冷却,这是UPS逆变电路亟待改进的地方。
产生ΔV原因可以从下式可以看出:ΔV=-Lσ×di/dt,其与IGBT电流下降速率和回路的电感成正比。要减小尖峰电压,可以减小电流下降速率,就是通常说的关断比较软,但是会增加损耗;另一方法是减小电感,这个电感就是寄生电感。
从原理上说寄生电感与回路包围的面积有关,在设计中,应该选用适当的低电感器件,而且器件布局尽量紧凑。那么如何在UPS设计中减小寄生电感,废除耗能的吸峰电路,降低成本,这是UPS设计者关心的问题。
目前UPS逆变器的功率管采用的是IGBT半桥功率???,如EUPEC的BSM200GB60DLC。这些IGBT都采用了双极型三极管??榈姆庾啊F涮寤?,成本高,自身的寄生电感也大。
在IGBT发明时,在第一代IGBT开关速度不太快的前提下,厂商采用双极型三极管??榈姆庾肮使ひ当曜迹梢允沟糜没г诓桓谋湔峁沟那榭鱿?,方便取代双极型三极管???,其不失为一个很好的选择。
结果是UPS厂商的逆变功率??橐彩贾瞻此腿艿陌肭拍?樯杓?,这样一来引进比??楸旧砀蟮募纳绺?。寄生电感会在IGBT关断的过程中形成很大的尖峰电压。尤其当今IGBT的开关速度已很高了。
那么如何来减小寄生电感是一个IGBT应用关键技术,最有效的方法是把并行母线改为叠层母线,减小回路包围的面积。对于并行母线,其母线宽度与母线距离之比a/b>1,其寄生电感Lσ>300nH,而叠层母线很容易做到a/b<0.01,这样寄生电感Lσ仅为20~30nH,考虑其它因素,寄生电感Lσ实际可以控制在100nH以下。
封装的改进
为了使这一技术实用化,EUPEC公司在1994年制定了一种IGBT国际工业标准化的封装,即Econo,它是第一个IGBT的封装。Econo有两种封装尺寸,即Econo2和Econo3,见(图3)。现有的主要产品是用于逆变器三相全桥模块。最近EUPEC推出单相全桥模块 Econo FourPACK ,其600V系列是专为UPS设计的,包括以下几种常用型号,见表1:


表1
Econo FourPACK系列??橛伤母鯥GBT和四个反向续流二极管构成,它还包括温度检测 NTC,可用于超载、过温保护等。对称的芯片分布,合理的管脚设计使得??槟诓亢凸β首榧杓萍纳绺凶钚?引出脚按能量流向分布,母线设计,控制线设计更容易。所有引出脚采用可焊接针,这样便于设计双面覆铜板叠层直流母线,它有很小的寄生电感,如果与EconoBRIDGE 整流??橐黄鸸钩上低成杓聘奖悖芴逑钟帕嫉男阅?。
结论
本篇文章主要对双变换UPS不间断电源的全桥IGBT进行了全方位的介绍,这种设计能够在非常多的设计前提下对UPS不间断电源进行性能的整体提高,从而起到明显降低成本的作用。希望大家在阅读过本篇文章之后,能对这种全桥IGBT有进一步的认识和理解。
烜芯微专业制造二极管,三极管,MOS管,桥堆等20年,工厂直销省20%,4000家电路电器生产企业选用,专业的工程师帮您稳定好每一批产品,如果您有遇到什么需要帮助解决的,可以点击右边的工程师,或者点击销售经理给您精准的报价以及产品介绍
烜芯微专业制造二极管,三极管,MOS管,桥堆等20年,工厂直销省20%,4000家电路电器生产企业选用,专业的工程师帮您稳定好每一批产品,如果您有遇到什么需要帮助解决的,可以点击右边的工程师,或者点击销售经理给您精准的报价以及产品介绍