直流大功率电源是目前工业、照明等领域中不可或缺的重要组成部分,也是很多工程师的重点设计方向之一。此前我们曾经分享过几种稳压直流大功率电源的设计方案,也得到了各位工程师们的欢迎和支持。在今明两天的文章中,我们将会为大家分享一种IGBT直流稳压大功率电源设计方案。在本方案中,单片机控制的逆变电源的总体框图如图1所示,整套装置主要由电源主电路、PWM控制电路、驱动电路和单片机控制电路四部分组成。


图1单片机控制的逆变电源的总体框图
电源的主电路及驱动电路
在本方案中,我们所涉及的这一大功率开关电源的主电路,主要用来实现输入功率到输出功率的能量转换。这一电源系统从遵循一般逆变的AC—DC—AC形式。在这一电源系统中,三相工频交流网路电压经过整流??檎骱吐瞬?,得到大约540V的直流电压。该直流电压施加到由功率开关管IGBT和中频变压器组成的逆变器上。由四个功率开关管组成桥的四臂,中频变压器连接在它们中问,相对桥臂上的两对功率开关管由栅极驱动电路以脉冲方式激励而交替地通断,将直流电压变换成20kHz的中频交变电压,中频变压器同时将大约540V的电压降为24V左右的电压,然后经整流、滤波后,输出直流电压。
在这一大功率电源的全桥电路中,我们假设变压器的电压为U,输出功率为P1,如果假定逆变器的效率为85%,占空比为0.8,则IGBT管的工作电流可以计算为:Ie=1.46P0|Us.
在本方案中,我们所设计的这一大功率电源中,输出电压是直流低电压,具有一定的输出功率。输出电路J二对中频变压器次级的中频方波电压进行整流滤波。为了获得高质量的直流输出电压,需要一些特殊的元器件,如肖特基势垒整流二极管以及存储能的电感,以产生低噪音的输出电压。
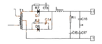
输出整流和滤波电路
在本方案中,我们所设计的这一大功率电源方案中,全桥式逆变电器的输出电路如图2所示,由于二极管D7、D8都给输出端提供半周期的电流,所以它们分担着相等的负荷电流,它们不需要续流二极管,因为当一个二极管截止时,另一个二极管就导通起到了续流的作用。但是,对二极管的反向截止电压参数的要求就高了,它的最小值可计算为:2.4VoVimax/Vimin。
在这一全桥式逆变器的输出电路系统中,其整流二极管必须具有正向降低、快速恢复的特点,还应有具有足够的输出功率。在实际应用中,肖特基势垒整流二极管即使在大的止向电流作用下,其正向压降也很低,仅有0.4V左右。由于它具有这一优点,使得肖特基势垒整流二极管特别适用于5V左右的低电压输出电路中。肖特基势垒整流二极管的反向恢复时问是可以忽略不计的,因为此器件是多数载流子半导体器件,在器件的开关过程中,没有消除少数载流存储电荷的问题。
在本方案中,我们所设计的基本控制电路,即PWP控制电路的任务,是根据单片机输出的电流给定值与实际电流反馈值的差值,通过调节输出脉冲的占空比来实现稳定的输出。


图2 全桥式逆变器输出电路
单片机控制电路
在本方案中,我们所设计的这一大功率开关电源如果需要实现直流稳压的运行效果,则其单片机系统控制电路需要用来输出其所需的电压、电流,以实现一开始所要求的电源的电流和电压的稳定性,其工作主要依靠程序运行来输出适当的控制信号。在电源的硬件系统中,单片机主要通过采样电路中的电压、电流值,与给定值比较后可自动调节,同时还可显示电路中的电压、电流值,具有监控功能单片机控制电路由MPS430最小系统、D/A转换电路、数码显示及键盘输入电路、I/O接口电路组成。其核心部件为MPS430单片机。
驱动电路及IGBT的保护
在本方案中我们所设计的驱动电路系统,其主要功能是用来将脉宽调制电路输出的控制脉冲转换成符合开关功率器件要求的电平和阻抗形式,并对驱动信号进行功率放大,并保证一定的脉冲前沿、后沿陡度,使其有足够的能力使IGBT饱和导通。同时实现主电路和控制电路之问的电气隔离作用和故障信号的采集作片j,其对功率开关元件的开关时间、损耗等有着直接的影响。另外,还需要在开关器件的工作点超出安全工作区时提供?;ば藕?。根据这一大功率开关电源的设计要求,我们所选取的IGBT管的型号主要是HL402(400A/600V及300A/1200V)。
烜芯微专业制造二极管,三极管,MOS管,桥堆等20年,工厂直销省20%,4000家电路电器生产企业选用,专业的工程师帮您稳定好每一批产品,如果您有遇到什么需要帮助解决的,可以点击右边的工程师,或者点击销售经理给您精准的报价以及产品介绍
烜芯微专业制造二极管,三极管,MOS管,桥堆等20年,工厂直销省20%,4000家电路电器生产企业选用,专业的工程师帮您稳定好每一批产品,如果您有遇到什么需要帮助解决的,可以点击右边的工程师,或者点击销售经理给您精准的报价以及产品介绍