在几乎所有的工业控制系统中,变频器(VFD)/逆变器通常安装在电机的前端,以便调节速度和节约能源。根据不同的输入电压要求,逆变器通常分为低压(110V、220V、380V等)、中压(690V、1140V、2300V等)和高压(3kV、3.3kV、6kV、6.6kV、10kV等)。
由于变频器/逆变器是提供电力的关键组件,因此其性能和可靠性对于不间断电源是至关重要的。本操作说明书重点介绍在恶劣条件下也能确保VFD可靠性和正常工作的TVS二极管。

图1 带有?;ぷ榧牡湫腿啾淦灯?逆变器拓扑结构
图1中,橙色方框突出显示用于过流或短路?;さ慕涣飨呗啡鄱掀?。欲了解如何选择熔断器的详细信息,请参阅“Littelfuse熔断器选择指南”。蓝色方框标识了用于防止由于雷击或电源谐波电压中断的瞬态抑制器。金属氧化物压敏电阻(MOV)因其钳位特性和高功率容量而被广泛使用。所需的MOV额定值将取决于预期的浪涌电流水平和交流电路拓扑结构。例如,如图1所示,如果连接交流380V电源,为了满足3kA(8 /20μs处)的雷击浪涌要求,可采用三个V20E250P(250V)UltraMOV®高浪涌电流径向引线式压敏电阻进行线对线(差模)?;ぃジ鯲20E550P(550V)UltraMOV高浪涌电流径向引线式压敏电阻可用于线对地(共模)?;ぁH鯩OV以星形连接并与另一个对地MOV分开将增强线到线和线对地?;ぁ?/div>
选择MOV时,钳位电压也必须加以考虑。对于这种情况,当两个串联的V20E250P压敏电阻提供差动?;な保浜铣汕坏缪乖嘉?400V。对于整流二极管、电容器和IGBT(绝缘栅双极晶体管),额定电压应大于这个值,以便为整个系统提供足够的电压?;?。
有时,为整个系统提供电压?;た赡苁欠浅@训?,特别是对于600V或更高的高电力线电压应用。对于这些情况,Littelfuse提出了额外的(或次级)高功率TVS二极管提供准确的低电压钳位能力,为整流二极管、电容器和IGBT提供差模?;?。

图2 带有TVS二极管的380V三相变频器 /逆变器拓扑结构
如图2中的粉红色方框所示,可以添加两个AK3-380C TVS二极管,以在最大3kA(8 /20μs处)浪涌电流期间提供差模?;ぁK3-380是一款额定电压为3kA(8 /20μs处)的双向高功率TVS二极管,断态电压为380V。两个AK3-380C TVS二极管的最大钳位电压是1040V,远远低于MOV的最大钳位电压。因此,它们可以为6单元IGBT提供极好的浪涌?;?,同时保持电路处于正常工作状态。这些TVS二极管为设计人员选择整流二极管和IGBT提供了更大灵活性。
现在,我们再重新看看图1。红色方框突出了交直流整流二极管。绿色方框标识直流母线过压的制动斩波器电路(请查阅IGBT制造商的操作说明书,以根据相关指南选择这些器件的合适型号)。紫色方框显示用于负载供电的IGBT桥式交直流逆变器。
1 IGBT?;?/div>
IGBT兼具功率晶体管和功率MOSFET的优点。它在高频率工作,驱动和断开都非常简便;然而,它也有一个缺点。通常情况下,两个部分均需要进行保护以实现稳健的设计:
• 由于栅极是MOS结构,所以很容易被静电放电(ESD)、电快速瞬变(EFT)或密勒效应引起的过电压损坏。
• 在高功率/大电流应用中,器件断开时,IGBT端子C和端子E可能发生高压浪涌。
由于密勒电容((CGC)的存在,当通过脉冲开关信号驱动IGBT的栅极时,会产生很高的过压,从而损坏IGBT的栅极。为了在过压事件中?;ふぜ?,通?;崾褂靡桓鏊?00W TVS二极管,如图3所示。例如,在一个通常需要+ 15V偏压才能开启器件以及需要-15V偏压才能将其断开的应用中,可使用SMBJ16CA瞬态抑制二极管,有助于确保电压保持低于±20V的最大VGE。SMBJ16CA TVS二极管的VBR约为17.8?19.7V,低于20V的最大值。在某些情况下,当IGBT由单极驱动器驱动时,应使用单向TVS SMBJ16A TVS二极管。

图3 IGBT栅极保护
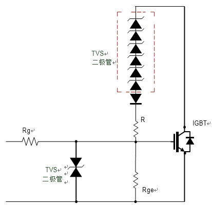
有源钳位是一种可在IGBT关断时使瞬态过压保持低于临界极限的技术。如图4所示,有源钳位的标准方法是使用连接在辅助集电极和IGBT栅极之间的TVS二极管。当集电极 - 发射极电压超过TVS二极管击穿电压时,TVS二极管开始导通,这个电流加起来即为IGBT驱动器输出电流的值并导致栅极 - 发射极电压增加。因此,IGBT仍处于有源模式,关断过程延长。增加有源钳位TVS二极管,会减慢IGBT集电极电流的变化率,从而限制电压过冲并降低IGBT关断过压ΔVCE。因此,TVS二极管串联钳位过冲电压特别适用于VCE超过1200V的高压IGBT。
多年来有源钳位已广泛使用于在关断事件期间限制IGBT的集电极 - 发射极电压。当IGBT的集电极 - 发射极电压超过预先设定的阈值时,IGBT部分导通。然后,IGBT在线性工作中保持,从而减小集电极电流的下降速率,由此降低集电极 - 发射极过压(参见图5中实线,较小斜率的IC、较长的VGE和VCE的钳位值) 。
但是,如果在关断期间没有实施在IGBT集电极的TVS二极管对栅极关断,则VGE的关断将导致集电极和栅极两端的电压突然升到太高的水平,这种情况会造成IGBT故障(见图5中的虚线)。

图4 有源钳位功能
如图5所示,随着添加有源钳位电路后,VGE浪涌电压下降。但是,设计师如何才能计算出提供这种浪涌保护所需的TVS二极管的数量呢? 以下示例可能对您有所帮助。

图5 浪涌电压比较
如图6所示,IGBT的1300V浪涌电压有0.5μs的浪涌时间和0.5ms的间隔时间。

图6 浪涌电压波形
正常情况下,对于1200V的IGBT?;さ缪梗绷鞴ぷ鞯缪剐∮?00V,所以选用800V(VBR?900V)的TVS二极管组合是可以接受的。不妨假设这个1300V的浪涌电压在TVS二极管中会产生5A的浪涌电流 (产生的电流水平还取决于RGE和R的值)。
下面的公式可以用来粗略地估计浪涌脉冲功率水平:
平均 PD=VBR×IPP×tP/T=900×5×0.5/500=4.5W
就这个例子而言,可以使用SMCJ TVS二极管,因为它具有RΘJA75°C/W的热阻抗,所以如果该电机在50°C的环境最大值下工作,那么每个SMCJ容许的最大功率是(150-50)/75=1.33W。
所需TVS二极管数量将通过计算4.5 / 1.33 = 3.38pcs来确定,所以至少应有四个TVS二极管进行串联以获得足够的余量。每个TVS VBR应该共享900/4 = 225V。结果,在这种情况下建议使用四个1.5SMC220A TVS二极管。注意,TVS系列的选择也是基于R和RGE的实际值。实际工作条件下也可使用较低额定值的瞬态抑制二极管(如SMAJ或SMBJ等)。
烜芯微专业制造二极管,三极管,MOS管,桥堆等20年,工厂直销省20%,4000家电路电器生产企业选用,专业的工程师帮您稳定好每一批产品,如果您有遇到什么需要帮助解决的,可以点击右边的工程师,或者点击销售经理给您精准的报价以及产品介绍
烜芯微专业制造二极管,三极管,MOS管,桥堆等20年,工厂直销省20%,4000家电路电器生产企业选用,专业的工程师帮您稳定好每一批产品,如果您有遇到什么需要帮助解决的,可以点击右边的工程师,或者点击销售经理给您精准的报价以及产品介绍
- 上一篇:LED发光模块故障与解决方法
- 下一篇:STC系列单片机的PCA/PWM原理介绍
相关阅读
最新资讯
- 怎么用TVS二极管提高电路的抗突波能力
- PIN二极管的电导调制机制和应用介绍
- 基于双MOS管的防反灌电路工作原理介绍
- 高效率整流二极管的特性和应用介绍
- 详解稳压二极管的关键特性和应用原理
- MOS管选型关键因素分析,怎么选择合适的参数
- 三相整流电路分析,半波整流与全波整流的工作原理
- IGBT三相全桥整流电路工作原理介绍
- 详解快恢复二极管,结构,特性和应用介绍
- 三极管和MOS管组合式开关电路分析
联系烜芯微
咨询热线:
18923864027
传真:
18923864027
QQ:
709211280
地址:
深圳市福田区振中路84号爱华科研楼7层