
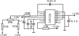
图 压频转换器原理图
压频转换器是电池容量计的核心部分,负责将放大的信号转换为频率信号,它的线性度和精度直接影响到整机。实现压频转换的方法也有很多种。从形式上看,有分立元件和专用集成芯片两种形式,一般的分立元件精度、体积、调整复杂程度均高于集成芯片,但其价格较低,而专用芯片在线性度、电压稳定度、精度等指标相对可接受的价格而言有所降低。我们考虑到体积和充放电全程跟踪及性能价格比的问题,选择了VFC32为电压频率转换器件,该器件较好的线性度为全程跟踪精度提供了保证,并以较少的元件使体积缩小,电路原理见图。
烜芯微专业制造二极管,三极管,MOS管,桥堆等20年,工厂直销省20%,4000家电路电器生产企业选用,专业的工程师帮您稳定好每一批产品,如果您有遇到什么需要帮助解决的,可以点击右边的工程师,或者点击销售经理给您精准的报价以及产品介绍
烜芯微专业制造二极管,三极管,MOS管,桥堆等20年,工厂直销省20%,4000家电路电器生产企业选用,专业的工程师帮您稳定好每一批产品,如果您有遇到什么需要帮助解决的,可以点击右边的工程师,或者点击销售经理给您精准的报价以及产品介绍