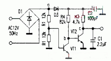
图l所示电路是一个最简输入正弦交流电信号变为锯齿波电信号的电路。锯齿波电信号的频率为正弦交流电信号频率的2倍。且与之严格同步,非常适合作可控硅交流调压的触发脉冲信号以及直流电机调速电路的控制信号。
电路由整流桥D1。将50Hz电压进行全波整流后,得到频率为100Hz的脉动直流电压Ua,其波形如图2中Ua所示,峰值Um约为1.4Ua。该峰值电压经Rl与112分压后,为三极管VT1提供基极电流Ib1,只要Ua的分压大于VTI的门限电压Ube1,VT1便呈饱和导通状态,集电极与发射极间饱和压降很小(一般为0.3~0.4V左右),三极管VT2无法导通,其集电极与发射极间呈阻断状态。
与此同时,直流电压Um经R3给C1充电。C1上的电位便按照RC积分特性曲线上升,并达到Um的0.631倍为止,由此构成锯齿波的正程;当Ua下降到VT1的门限电压Ube1以下时,VT1由导通转为截止,VT2由截止转为导通,对电容C1进行快速放电,使C1上的电压由0.631Um迅速降至0.4V左右(VT2集电极发射极间饱和压降),这一过程便是锯齿波电压的逆程。波形如图2中Uc所示。


在图l电路中,电阻R3和电容C1的积与锯齿波电压波形关系很大。取值合适,锯齿波电压的线性就好,反之。则线性变差。为了得到较小的逆程时间和线性较好的正程锯齿波电压,电容C1取0.47μF~2.2μF,电阻R3取22kΩ4.7kΩ,使R3Cl=1/2f=0.01秒(f为交流电压的频率。即=50Hz)为佳。因为锯齿波正程线性和锯齿波电压幅值主要受R3C1积的影响。若R3Cl的积过大,则锯齿波电压幅值降低;若R3C1的积过小,则锯齿波正程线性变差、波峰平顶区域加大。锯齿波逆程时间的长短受三极管VT2输出特性及电容C1容量的影响最大。同时,R4的大小对其也有一定的影响,电容C1容量过大,逆程时间增大,对VT2的冲击也大,凡过小时。将影响VT2对C,的放电速度。
图2中所示波形Ua、Ub及Uc是按照示波器对图l电路进行实测而绘制的。当电源为12V交流电压时。Ua峰值约为16V,谷值为0V;Ub峰值为0.7V左右(因受VT2基射极钳位)。谷值为0.4V左右;Ue峰值约为9.5V,谷值约为0.4V。正程时间约8.5ms,平顶宽度及谷底宽度各为0.5ms左右,逆程时间约0.5ms。各元件参数选取原则:
R1=(U-0.07)/Ib1, R2=1~1.2R1,R3=1/2fc1,R4=5~8R1,三极管VT2、VT2的共发射极直流放大倍数为100~150,其中,Ib1=1.5~2mA,f=50Hz。

烜芯微专业制造二极管,三极管,MOS管,桥堆等20年,工厂直销省20%,4000家电路电器生产企业选用,专业的工程师帮您稳定好每一批产品,如果您有遇到什么需要帮助解决的,可以点击右边的工程师,或者点击销售经理给您精准的报价以及产品介绍

烜芯微专业制造二极管,三极管,MOS管,桥堆等20年,工厂直销省20%,4000家电路电器生产企业选用,专业的工程师帮您稳定好每一批产品,如果您有遇到什么需要帮助解决的,可以点击右边的工程师,或者点击销售经理给您精准的报价以及产品介绍