为确保微机系统中电路稳定可靠工作,复位电路是必不可少的一部分,复位电路的第一功能是上电复位。一般微机电路正常工作需要供电电源为5V±5%,即4.75~5.25V。由于微机电路是时序数字电路,它需要稳定的时钟信号,因此在电源上电时,只有当VCC超过4.75V低于5.25V以及晶体振荡器稳定工作时,复位信号才会撤除,微机电路开始正常工作。
复位电路原理之概念
复位电路,就是利用它把电路恢复到起始状态。就像计算器的清零按钮的作用一样,以便回到原始状态,重新进行计算。和计算器清零按钮有所不同的是,复位电路启动的手段有所不同。一是在给电路通电时马上进行复位操作;二是在必要时可以由手动操作;三是根据程序或者电路运行的需要自动地进行。复位电路都是比较简单的大都是只有电阻和电容组合就可以办到了。再复杂点就有三极管等等配合程序来进行了。
复位电路原理
复位电路工作原理如下图所示,VCC上电时,C充电,在10K电阻上出现电压,使得单片机复位;几个毫秒后,C充满,10K电阻上电流降为0,电压也为0,使得单片机进入工作状态。工作期间,按下S,C放电,在10K电阻上出现电压,使得单片机复位。松开S,C又充电,几个毫秒后,单片机进入工作状态。


复位电路原理之复位电路类型
目前为止,单片机复位电路主要有四种类型:(1)微分型复位电路;(2)积分型复位电路;(3)比较器型复位电路;(4)看门狗型复位电路。
微分型复位电路


微分型复位电路如上图所示。其中Ucc与单片机供电电源Us相连,Urst与单片机复位引脚相连。(通情况下,若使单片机复位,只需单片机复位引脚上保持一定持续时间的高电平即可。
复位电路原理之积分型复位电路
上电后,由于电容C3的充电和反相门的作用,使RST持续一段时间的高电平。当单片机已在运行当中时,按下复位键K后松开,也能使RST为一段时间的高电平,从而实现上电或开关复位的操作。


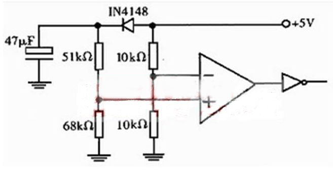
复位电路原理之比较器型复位电路
上电复位时,由于组成了一个RC低通网络,所以比较器的正相输入端的电压比负相端输入电压延迟一定时间。而比较器的负相端网络的时间常数远远小于正相端RC网络的时间常数,因此在正端电压还没有超过负端电压时,比较器输出低电平,经反相器后产生高电平。复位脉冲的宽度主要取决于正常电压上升的速度。


复位电路原理之看门狗型复位电路
看门狗型复位电路主要利用CPU正常工作时,定时复位计数器,使得计数器的值不超过某一值;当CPU不能正常工作时,由于计数器不能被复位,因此其计数会超过某一值,从而产生复位脉冲,使得CPU恢复正常工作状态。
烜芯微专业制造二极管,三极管,MOS管,桥堆等20年,工厂直销省20%,4000家电路电器生产企业选用,专业的工程师帮您稳定好每一批产品,如果您有遇到什么需要帮助解决的,可以点击右边的工程师,或者点击销售经理给您精准的报价以及产品介绍
