对性能、小型化和更高频率的需求,正挑战无线系统中两个关键天线连接元器件的限制:功率放大器(PA) 和低噪声放大器(LNA)。5G的发展以及PA 和LNA 在微波无线电链路、VSAT(卫星通信系统)和相控阵雷达系统中的使用正促成这种转变。这些应用的要求包括较低噪声(对于LNA)和较高能效(对于PA)以及在高达或高于10 GHz 的较高频率下的运行。为了满足这些日益增长的需求,LNA 和PA 制造商正在从传统的全硅工艺转向用于LNA 的砷化镓(GaAs) 和用于PA 的氮化镓(GaN)。
本文将介绍LNA 和PA 的作用和要求及其主要特性,然后介绍典型的GaAs 和GaN 器件以及利用这些器件进行设计时的注意事项。
LNA 的灵敏作用
LNA 的作用是从天线获取极其微弱的不确定信号,这些信号通常是微伏数量级的信号或者低于-100 dBm,然后将该信号放大至一个更有用的水平,通常约为0.5 到1 V(图1)。具体来看,在50 Ω 系统中10 μV 为-87 dBm,100 μV 等于-67 dBm。
利用现代电子技术可以轻松实现这样的增益,但LNA 在微弱的输入信号中加入各种噪声时,问题将远不是那么简单。LNA 的放大优势会在这样的噪声中完全消失。


图1: 接收路径的低噪声放大器(LNA) 和发送路径的功率放大器(PA) 经由双工器连接到天线,双工器分开两个信号,并防止相对强大的PA 输出使灵敏的LNA 输入过载。(图片来源:Digi-Key Electronics)
注意,LNA 工作在一个充满未知的世界中。作为收发器通道的前端,LNA 必须能捕捉并放大相关带宽内功耗极低的低电压信号以及天线造成的相关随机噪声。在信号理论中,这种情况称作未知信号/未知噪声难题,是所有信号处理难题中最难的部分。
LNA 的主要参数是噪声系数(NF)、增益和线性度。噪声来自热源及其它噪声源,噪声系数的典型值为0.5 - 1.5 dB。单级放大器的典型增益在10 - 20 dB 之间。有一些设计采用在低增益、低NF 级后加一个更高增益级的级联放大器,这种设计可能达到较高的NF,不过一旦初始信号已经“增大”,这样做就变得不那么重要。(有关LNA、噪声和射频接收器的详细内容,请参阅TechZone 中《低噪声放大器可以最大限度地提升接收器的灵敏度》一文。)
LNA 的另一个问题是非线性度,因为合成谐波和互调失真可使接收到的信号质量恶化,在位误差率(BER) 相当低时使得信号解调和解码变得更加困难。通常用三阶交调点(IP3) 作为线性度的特征化参数,将三阶非线性项引起的非线性乘积与以线性方式放大的信号关联在一起;IP3 值越高,放大器性能的线性度越好。
功耗和能效在LNA 中通常不属于首要问题。就本质而言,绝大多数LNA 是功耗相当低且电流消耗在10 - 100 mA 之间的器件,它们向下一级提供电压增益,但不会向负载输送功率。此外,系统中仅采用一个或者两个LNA(后者常用于Wi-Fi 和5G 等接口的多功能天线设计中),因此通过低功耗LNA 节能的意义不大。
除工作频率和带宽外,各种LNA 相对来讲在功能上非常相似。一些LNA 还具有增益控制功能,因此能够应对输入信号的宽动态范围,而不会出现过载、饱和。在基站至手机通道损耗范围宽的移动应用中,输入信号强度变化范围如此之宽的情况会经常遇到,即使单连接循环也是如此。
输入信号到LNA 的路由以及来自其输出信号与元器件本身的规格一样重要。因此,设计人员必须使用复杂的建模和布局工具来实现LNA 的全部潜在性能。由于布局或阻抗匹配不佳,优质元器件可能容易劣化,因此务必要使用供应商提供的史密斯圆图(参见“史密斯圆图: 射频设计中依旧至关重要的一个‘古老’图形工具”),以及支持仿真和分析软件的可靠电路模型。
由于这些原因,几乎所有在GHz 范围内工作的高性能LNA 供应商均会提供评估板或经过验证的印刷电路板布局,因为测试设置的每个方面都至关重要,包括布局、连接器、接地、旁路和电源。没有这些资源,设计人员就需要浪费时间来评估元器件在其应用中的性能。
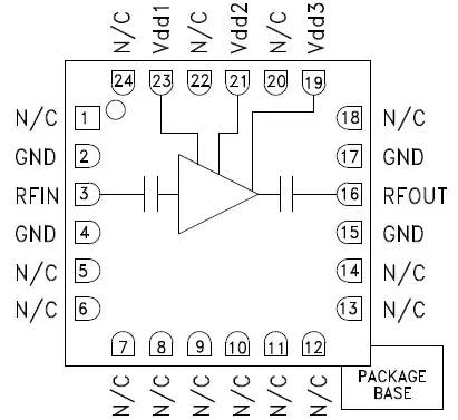
基于GaAs 的LNA 的一个代表是HMC519LC4TR。这是一种来自Analog Devices 的18 到31 GHz pHEMT(假晶高电子迁移率晶体管)器件(图2)。这种无引线4×4 mm 陶瓷表面贴装封装可提供14 dB 的小信号增益,以及3.5 dB 的低噪声系数和+ 23 dBm 的高IP3。该器件可从单个+3 V 电源提取75 mA 电流。


图2:HMC519LC4TR GaAs LNA 为18 至31 GHz 的低电平输入提供低噪声增益;大多数封装连接用于电源轨、接地或不使用。(图片来源:Analog Devices)
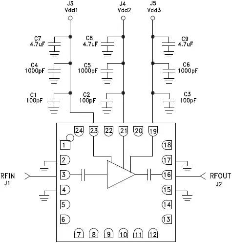
从简单的功能框图到具有不同值和类型的多个外部电容器都需要一个设计进程,提供适当的射频旁路,在三个电源轨馈电上具有低寄生效应,指定为Vdd(图3)。


图3: 在实际应用中,HMC519LC4TR LNA 在其电源轨上需要多个额定电压相同的旁路电容器,以提供用于低频滤波的大电容以及用于射频旁路的较小值电容,从而最大程度地减少射频寄生效应。(图片来源:Analog Devices)
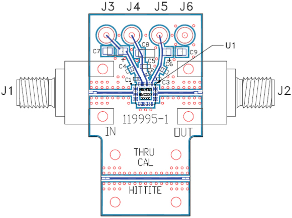
根据此增强原理图生成评估板,详细说明布局和BOM,包括非FR4 印刷电路板材料的使用(图4(a) 和4(b))。


图4(a)


图4(b)
图4: 考虑到这些LNA 前端工作的高频率和它们必须捕获的低电平信号,一个详细且经测试的评估设计至关重要。其中包括一份原理图(未显示)、电路板布局(a) 和BOM,及无源元器件和印刷电路板材料(b) 的细节。(图片来源:Analog Devices)
MACOM MAAL-011111 是用于更高频率的GaAs LNA,可支持22 至38 GHz 运行(图5)。该器件可提供19 dB 的小信号增益和2.5 dB 的噪声系数。此LNA 表面上是一个单级器件,但其内部实际有三个级联级。第一级针对最低噪声和中等增益进行了优化,后续级别提供额外增益。


图5: 对用户来说,MAAL-011111 LNA 表面上是一个单级放大器,但其内部使用了一系列增益级,旨在最大化输入到输出信号路径SNR,同时在输出端增加显著增益。(图片来源:MACOM)
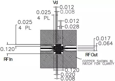
与Analog Devices 的LNA 类似,MAAL-011111 只需要一个低压电源,且尺寸仅为3×3 mm,极为小巧。用户可以通过将偏置(电源)电压设置在3.0 和3.6 V 之间的不同值来调整和权衡某些性能规格。建议电路板布局显示保持适当的阻抗匹配和地平面性能所需的关键印刷电路板铜皮尺寸(图6)。


图6: 建议的布局,充分利用了MACOM 的MAAL-011111,同时提供输入和输出阻抗匹配。注意,对于阻抗控制型传输线以及低阻抗地平面,使用印刷电路板铜皮(尺寸以毫米为单位)。(图片来源:MACOM)
PA 驱动天线
与LNA 困难的信号捕获挑战相反,PA 则是从电路中获取相对强的信号,具有很高的SNR,且必须用来提高信号功率。与信号有关的所有通用系数均已知,如幅值、调制、波形、占空比等。这就是信号处理图中的已知信号/已知噪声象限,是最容易应对的。
PA 的主要参数为相关频率下的功率输出,其典型增益在+10 至+30 dB 之间。能效是PA 参数中仅次于增益的又一关键参数,但是使用模型、调制、占空比、允许失真度以及受驱信号的其它方面会使任何能效评估变得复杂。PA 的能效在30 到80% 之间,但这在很大程度上是由多种因素决定的。线性度也是PA 的关键参数,与在LNA 一样用IP3 值判定。
尽管许多PA 采用低功耗CMOS 技术(最高约1 至5 W),但在最近几年里,其它技术业已发展成熟并被广泛应用,在考虑将能效作为电池续航时间和散热的关键指标的更高功率水平的情况下,尤其如此。在需要几个瓦特或更高功率的情况下,采用氮化镓(GaN) 的PA 在更高功率和频率(典型值为1 GHz)下具有更优的能效。尤其是考虑到能效和功率耗散时,GaN PA 极具成本竞争力。
Cree/Wolfspeed CGHV14800F(1200 到1400 MHz,800 W 器件)是最新的一些基于GaN 的PA 代表。这种HEMT PA 的能效、增益和带宽组合对脉冲L 波段雷达放大器进行了优化,使设计人员能够在空中流量管制(ATC)、天气、反导和目标跟踪系统等应用中找到许多用途。使用50 V 电源,提供50% 及更高的典型能量转换效率,并采用10 ×20 mm 陶瓷封装,带有用于冷却的金属法兰(图7)。


图7:CGHV14800F 1200 至1400 MHz,800 W,GaN PA 具有金属法兰的10 ×20 mm 陶瓷封装必须同时满足困难的射频和散热要求。出于机械和热完整性考虑,注意安装法兰时将封装旋紧(不焊接)到印刷电路板。(图片来源:Cree/Wolfspeed)
CGHV14800F 采用50 V 电源供电,通常提供14 dB 的功率增益,能量转换效率> 65%。与LNA 一样,评估电路和参考设计至关重要(图8)。


图8: 除了器件本身之外,为CGHV14800F PA 提供的演示电路需要的元器件非常少,但物理布局和散热考虑很关键;考虑安装完整性和热目标,PA 通过封装法兰以螺钉和螺母(在底部,不可见)固定到板上。(图片来源:Cree/Wolfspeed)
许多规格表和性能曲线中同样重要的是功率耗散降额曲线(图9)。该曲线显示了可用的功率输出额定值与外壳温度的关系,指示最大允许功率是恒定的115°C,然后线性减小到150°C 的最大额定值。


图9: 由于其在输送功率方面的作用,需要PA 降额曲线向设计人员显示允许输出功率随着外壳温度的升高而降低。这里,额定功率在115?C 之后迅速下降。(图片来源:Cree/Wolfspeed)
MACOM 还提供了基于GaN 的PA,例如NPT1007 GaN 晶体管(图10)。其直流至1200 MHz 的频率跨度适用于宽带和窄带射频应用。该器件通常以14 到28 V 之间的单电源工作,可在900 MHz 提供18 dB 的小信号增益。该设计旨在耐受10:1 SWR(驻波比)不匹配,且不会发生器件退化。


图10:MACOM 的NPT1007 GaN PA 跨越直流到1200 MHz 的范围,适用于宽带和窄带射频应用。设计人员通过各种负载拉伸图获得额外支持。(图片来源:MACOM)
除了显示500、900和1200 MHz 时性能基础的图外,NPT1007 还支持各种“负载拉伸”图,为努力确保稳定产品(图11)的电路和系统设计人员提供帮助。 负载拉伸测试使用成对信号源和信号分析仪(频谱分析仪、功率计或矢量接收器)完成。
该测试要求看到被测设备(DUT) 的阻抗变化,以评估PA 的性能(包括诸如输出功率、增益和能效等因素),因为所有相关的元器件值可能由于温度变化或由于围绕其标称值的公差带内的变化而改变。


图11:NPT1007 PA 的负载拉伸图超出了最小/最大/典型规格标准表,以在其负载阻抗偏离其标称值(初始生产公差以及热漂移会导致实际使用中出现这种情况)时显示PA 性能。(图片来源:MACOM)
无论使用哪种PA 工艺,器件的输出阻抗均必须由供应商进行充分特征化,使设计人员能将该器件与天线正确匹配,实现最大的功率传输并尽可能保持SWR 一致。匹配电路主要由电容器和电感器构成,并且可实现为分立器件,或者制造为印刷电路板甚至产品封装的一部分。其设计还必须维持PA 功率水平。再次重申,史密斯圆图等工具的使用,是理解并进行必要的阻抗匹配的关键。
鉴于PA 较小的芯片尺寸和较高的功率水平,封装对PA 来讲是一个关键问题。如前所述,许多PA 通过宽的散热封装引线和法兰支撑以及封装下的散热片散热,作为到印刷电路板铜皮的路径。在较高功率水平(约高于5 至10 W),PA 可以有铜帽,使散热器可以安装在顶部,并且可能需要风扇或其它先进的冷却技术。
GaN PA 相关的额定功率和小尺寸意味着对热环境建模至关重要。当然,将PA 本身保持在允许的情况或结温范围内是不够的。从PA 散去的热量不能给电路和系统其它部分带来问题。必须考虑处理和解决整个热路径。
总结
从智能手机到VSAT 端子和相控阵雷达系统等基于射频的系统正在推动LNA 和PA 性能的极限。这使得器件制造商不再局限于硅,而是探索GaAs 和GaN 以提供所需的性能。
这些新的工艺技术为设计人员提供了带宽更宽、封装更小、能效更高的器件。不过,设计人员需要了解LNA 和PA 运行的基础知识,才能有效地应用这些新技术。
烜芯微专业制造二极管,三极管,MOS管,桥堆等20年,工厂直销省20%,4000家电路电器生产企业选用,专业的工程师帮您稳定好每一批产品,如果您有遇到什么需要帮助解决的,可以点击右边的工程师,或者点击销售经理给您精准的报价以及产品介绍
烜芯微专业制造二极管,三极管,MOS管,桥堆等20年,工厂直销省20%,4000家电路电器生产企业选用,专业的工程师帮您稳定好每一批产品,如果您有遇到什么需要帮助解决的,可以点击右边的工程师,或者点击销售经理给您精准的报价以及产品介绍