这里给出了 一个 50~300MHz 的低噪声宽带放大器的设计,该放大器在工作频段内具有优良的增益平坦度和噪声系数,能提高接收机的灵敏度。
1 宽带实现和负反馈原理
宽带放大器设计的主要障碍是有源器件的增益带宽积的制约,即有源器件的增益在频率高端随着频率的增加以6dB/倍频程下降。 宽带放大器常用的设计方法有: 平衡结构式放大器,负反馈式放大器, 有源匹配电路, 电抗网络匹配, 宽带电阻匹配, 分布式放大器等。 其中负反馈式放大器具有如下明显的优点:降低整个电路对晶 体管自身性能变化的敏感度;获得较好的输入阻抗匹配和较低的噪声系数; 增大工作频带内放大器的稳定性; 增加放大器的线性度等。因此,负反馈技术被广泛地运 用于宽带放大器的设计当中。采用负反馈技术的放大器如图1所示。


2 偏置电路和稳定因子
2.1 偏置电路
放大器的偏置电路如图2所示。 图2中电感 L1和 L2是射频扼流圈 (RFC) ; 电容 C1-C4为电源滤波电容。


2.2 采用负反馈式的宽带放大电路
图3示为一种采用负反馈方式的宽带放大电路,该电路放大器均采用变压器耦合方式,放大部分采用场效应晶体管和晶体三极管相结合的方式。


图3 负反馈式宽带放大电路图
电路中,输入信号经耦合电容器加到变压器Ti绕组的中心抽头,再经变压器T2的初级绕组加到场效应晶体管的栅极上,这种方式具有阻抗转换的功能,将50 n输入阻抗提高到200 n,变压器Tz的次级绕组又是VT1的满极负载,放大器的增益取决于T2的次级绕组(25/3=8,33)。VT2是射极输出放大器方式,通过线圈抽头的选择可得到5011的输出阻抗。
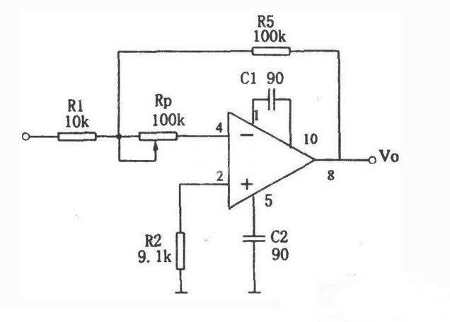
2.3 带偏流补偿的宽带放大电路设计


图4
图4所示电路与一般反相放大电路的不同点仅在于反馈电阻输入端点与反相输入端之间串接了一个100kΩ的电位器,用于对直流偏流进行补偿。调整电位器 Rp,使当Vi=0V时,Vo=0。在补偿端引脚1与10之间接相位补偿电容C1(90pF),引脚5到地的滤波电容C2也为90pF。该电路在图示参数下的电压放大倍数为:Av=-10,其电压转换速度大于70v/μs,半功率带宽可达400kHz以上,其增益带宽之积约为30MHz。采用10引脚的金属圆形封装的LH0003工作温度为0~85℃,存储温度为-65~150℃。当采用LH0003芯片时,其工作温度为-55~125℃,存储温度为 -65~150℃。
编辑点评:本文介绍了宽带放大器,宽带放大器是通信系统中不可或缺的重要器件,这里通过负反馈技术。 该放大器具有增益高, 增益平坦度优,及噪声系数小等优点,可广泛应用于微波通信、卫星通信等各种电子设备中。
烜芯微专业制造二极管,三极管,MOS管,桥堆等20年,工厂直销省20%,4000家电路电器生产企业选用,专业的工程师帮您稳定好每一批产品,如果您有遇到什么需要帮助解决的,可以点击右边的工程师,或者点击销售经理给您精准的报价以及产品介绍
烜芯微专业制造二极管,三极管,MOS管,桥堆等20年,工厂直销省20%,4000家电路电器生产企业选用,专业的工程师帮您稳定好每一批产品,如果您有遇到什么需要帮助解决的,可以点击右边的工程师,或者点击销售经理给您精准的报价以及产品介绍